Измерение параметров транзисторов: методики и практические советы
Транзистор (буквенно-цифровое обозначение на схеме VT) — ключевой элемент современной электроники и радиотехники, который используется практически во всех устройствах: от бытовых приборов до сложных промышленных систем. Это полупроводниковый компонент, выполняющий функции управления током, усилением сигналов и переключением цепей.
Эффективность и надёжность его работы зависят от точности характеристик, прежде всего таких как допустимые входные-выходные (I), коэффициент усиления (КУ), пороговое значение (U), сопротивление и ёмкость переходов.
Эта статья поможет глубже понять содержание транзисторных параметров и научит основам теории работы транзисторов, методикам определения их базовых свойств, взаимодействию с различными тестировочными и измерительными инструментами. Вы также узнаете, как интерпретировать полученные данные и использовать их для оптимизации ваших электронных проектов.
Время чтения: 27 минут
- Теоретическая база
- Основные параметры
- Применение транзисторов для усиления сигналов
- Мультиметр как инструмент измерения
- Методики использования мультиметра
- Практические советы и типичные ошибки при использовании мультиметра
- Альтернативные инструменты и методы
- Практические примеры и кейсы
- Ошибки при тестировании биполярных транзисторов
- Часто задаваемые вопросы (FAQ)
Теоретическая база
Рассмотрим два основных типа устройств: биполярный (БТ, BJT) и полевой (ПТ, FET). Они работают по принципу изменения проводимости канала между электродами под воздействием внешнего тока (I) или напряжения (U).
Основные функции включают:
- Усиление слабых сигналов.
- Переключение электрических цепей.
- Формирование логических элементов в цифровых схемах.

Точный анализ свойств определяют надёжность работы электроники. Недостоверное значение может привести к выходу устройства из строя или к его ненадлежащей работе.
Транзисторы тестируют следующими инструментами:
- Мультиметры и тестеры: приборы для измерения U, I и R.
- Лабораторные источники питания: задают требуемые условия для тестирования.
- Специализированные измерительные аппараты: включают в себя параметрические анализаторы и характериографы, которые могут измерять с высокой точностью всё семейство транзисторов.
- Осциллографы: визуализируют параметры для анализа работоспособности схемотехники, настройки и поиска неисправностей.
Определение параметров — это основополагающее направление в разработке и исследовании электронных устройств. Понимание основных характеристик и принципиальной схемотехники позволяет более точно оценивать их производительность и надёжность. В следующем разделе рассмотрены три основных измеряемых характеристики.
Основные параметры
Параметрические показатели играют ключевую роль в корректной работе и оптимизации схем.

Биполярные:
- Напряжение смещения Uсм (у СОЭ – Uбэ (V_BE)): обеспечивает включение БТ в активный режим, обычно составляет 0.6-0.7 В.
- Статический коэффициент усиления тока h21э или β в СОЭ, h21б или α в СОБ, h21к в СОК: отношение выходного I к входному (для СОЭ это Iк / Iб).
- Обратный ток коллектора Iко (I_CBO): протекает через запертый БТ. Влияет на стабильность работы.
- Граничная (среза) fгр (fс) частота: на которой коэффициент передачи (КП) снижается на 3 дБ от максимального значения.
- Предельная fпр (fT) частота: на которой КП снижается до 1.
- Максимально допустимый постоянный ток коллектора Iкмакс (I_C max): предельное не повреждающее эксплуатационное значение.
- Напряжение насыщения Uнас: измеряется между коллектором и эмиттером при полностью открытом VT.
Полевые:
- Напряжение отсечки Uзи_отс (V_GS): измеряется на затворе, при котором проводящий канал прекращает свою работу.
- Максимальный ток стока Iсмакс (I_D max): максимальное значение, при котором ПТ не повреждается.
- Входная, проходная и выходная ёмкости Свх, Спр, Свых (C_GS, C_GD, C_DS): определяют динамическое поведение ПТ и его способность к быстрому переключению.
Физические принципы работы, влияющие на измерения
Работа биполярного транзистора основана на изменении проводимости между электродами под воздействием тока. Базовый Iб вызывает рекомбинацию электронов и дырок, что продуцирует коллекторный Iк.


| ОБ | ОЭ | ОК | |
| Входное сопротивление | Десятки-сотни Ом | Десятки кОм | Сотни кОм |
| Выходное сопротивление | Десятки кОм Сотни Ом | Единицы кОм | Сотни Ом |
| Усиление по I | h21б ≤ 1 | h21э >> 1 | h21к >> 1 |
| Усиление по U | >>1 | >>1 | ≤1 |
| Частотные свойства | fгр≈fпр | fгр | fгр |
| Сдвиг фазы | 0° | 180° | 0° |


В полевых транзисторах управляющее напряжение, прикладываемое к затвору, воздействует на электростатическое поле, обеспечивая изменение проводимости канала.


Главное отличие полевых от биполярных компонентов в том, что они управляются напряжением. Отсюда следующие преимущества:
- большое входное сопротивление по постоянному I (более мегаом);
- высокое быстродействие (благодаря отсутствию накопления и рассасывания неосновных носителей);
- широкий частотный диапазон;
- высокая термостабильность;
- малый уровень шумов (отсутствие рекомбинационного шума);
- радиационная и температурная устойчивость;
- малое энергопотребление.
Заметным недостатком считается уязвимость к статическому электричеству. Поэтому требуется дополнительная защита.


Применение транзисторов для усиления сигналов
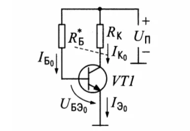
В качестве примера рассмотрим однокаскадный усилитель на БТ, включённым по схеме ОЭ с фиксированным током базы.

Символ * на схемах означает дополнительный подбор номинала при настройке узла с учётом характеристики конкретного образца.
Рассчитаем параметры схемы. Наша задача: установить каскад в рабочую точку:

Внутри отрезка [BC] зависимость выходного сигнала от входного линейная. Точка A называется рабочей точкой, и характеризует среднее сигнальное значение.
Для подобного исследования лучше использовать дешёвый маломощный БТ. Выбираем КТ503Е (нашёл в загашнике, как раз то, что нужно). Импортный аналог BC639. Его данные, необходимые для расчёта:
| Параметр | Значение |
| h21e | 40… 120 |
| Iкmax, А | 0,15 |
| Iбmax, А | 0,1 |
| Uбэ, В | ≈ 0,6 (для кремниевых БТ) |
Выберем коэффициент передачи по I исходя из рекомендуемого геометрического среднего значения (так поступают для серийного производства, для домашних поделок или исследований лучше точно определить измерителем, но об этом позже):
h21e_расч = √(40⋅120)≈70
Далее выбираем I коллектора и U питания источника:
Iк = 5 мА
Uип = 5 В.
Рассчитываем:
Rк = (Uип-Uкэ0) / Iк0 = (5-5/2) / 0,005 = 500 (Ом)
Iб0 = Iк0 / h21e = 0,005/70 = 0,07 (мА)
Rб = (Uип – Uбэ) / Iб0 = (5-0,6) / 0,07 = 62,9 (кОм)
Выбираем номиналы резисторов из стандарта E24 (точность ±5%)
Rк = 510 (Ом)
Rб =62 (кОм)
Проверим работу нашего усилителя на модели. На схеме R1 ⬄ Rб, R2 ⬄ Rк, конденсатор C1 установлен для развязки источника сигнала от каскада по постоянной составляющей. На осциллограммах зелёным цветом выделен входной сигнал в масштабе милливольты, а красным — выходной в масштабе вольты.

Далее соберём наш усилитель на макете.



На макете убедились в правильности проведённого расчёта усилительного каскада.
Технические характеристики, необходимые при определении параметров:
- Тип (БТ, ПТ, pnp, npn и т. д.).
- Допустимые уровни U и I: соответствие заявленным, чтобы избежать перегрева и повреждений при проверке.
- Устойчивость к статическому электричеству: важно для ПТ.
- Коэффициент усиления: важен для оптимизации разрабатываемой схемы.
- Температурные диапазоны: замерять нужно в заданных условиях, так как высокая температура может привести к ошибочным результатам.
Соблюдение этих нюансов поможет выбрать оборудование, обеспечить высокую точность и надёжность замеров.
Мультиметр как инструмент измерения
Этот измеритель служит для оперативного и относительно простого анализа транзисторных параметров.



Он позволяет оценить ключевые параметры, но имеет свои ограничения. Рассмотрим его возможности и подводные камни.
| Преимущества | Ограничения |
| Простота в использовании и доступность для большинства пользователей. | Ограниченные функции по сравнению со специализированными анализаторами. |
| Возможность определения значений нескольких показателей (U, I, R) в одном устройстве. | Сложности на высокой частоте. |
| Удобство в полевых условиях благодаря портативности. | Отсутствие автоматического выбора между типами. |
| Поддержка базовых тестов. | Возможная путаница в подключениях может привести к выходу из строя исследуемого элемента. |
Основными задачами измерителя являются определение их исправности, определение напряжения смещения и коэффициента усиления. Но нужно помнить, что мультиметр не всегда сможет уловить специфические характеристики высокочастотных VT.
Методики использования мультиметра
Проверка диодов
Переключите прибор в режим тестирования
.
Подключайте попеременно щупы к выводам диода. В одном положении должен регистрироваться разрыв, в другом – значение напряжения pn-перехода (≈0,3 компонента на германии, ≈0,6 – на кремнии).
Тестирование биполярного транзистора
Если посмотреть на эквивалентную схему БТ, то видно, что он состоит из двух диодов, включённых встречно, с выводом из точки соединения:

Исходя из этого будем проверять.
Контроль переходов:
- Переключите измеритель в режим тестирования
. - Для npn-типа прикоснитесь красным щупом к базе, а чёрным — к эмиттеру, затем к коллектору.
- Для pnp — поменяйте местами щупы.
В обоих случаях показания должны быть ≈ 0,3 для германиевого типа, ≈ 0,6 – для кремниевого. Кстати сказать, значение на переходе Б-Э является напряжением смещения в цепи базы.
При противоположной установке щупов показания должны свидетельствовать о разрыве цепи.
Важное замечание: составной транзистор. В его корпусе расположены два БТ, соединённых по схеме Дарлингтона для повышения коэффициента усиления:

Это, например, КТ972. При их проверке напряжения тестера может не хватить для открытия двух последовательно соединённых pn-переходов. Кроме того, может сбивать с толку защитный резистор между коллектором и эмиттером.


Измерение коэффициента усиления
Для замеров:
- Выберите режим определения hFE.
- Вставьте транзистор в соответствующий разъём на измерителе, соблюдая полярность (для pnp и npn).
- Запишите показания.
Проверка полевика
ПТ чувствительны к статическому электричеству. Особенно прежних выпусков. Порой достаточно потереться руками об одежду или о причёску, чтобы при касании вывести его из строя. Из-за чего в корпусах мощных полевиков ставят защитные диоды. Поэтому для их исследования я рекомендовал бы пользоваться спецоборудованием, о котором напишу позже. Тем не менее привожу популярный способ экспресс-проверки полевиков.
Протестируем ПТ с изолированным затвором и индуцированным n-каналом. Для наглядности примем условие:
На мультиметре чёрный провод подключён к гнезду COM, красный – к Vꭥ

Проводим подключения по схеме:
- Красный – Исток, чёрный — Сток: показания ≈ 500 (открытый pn-переход защитного диода).
- Меняем подключение на противоположное: у нас показывает 1 (разрыв).
- Открываем ПТ. Для этого кратковременно касаемся красным проводом Затвора с подключённым чёрным на Истоке
- Красный — Исток, чёрный — Исток и наоборот ≈ 200
- Закрываем ПТ. Для этого меняем щупы местами и повторяем п. 3.
- Красный — Исток, чёрный — Сток: ≈ 500, наоборот — 1 (разрыв).
Для проверки ПТ с индуцированным p-каналом нужно красный провод подключить к гнезду COM на мультиметре, а чёрный – к Vꭥ. Далее по перечисленным пунктам.
Нередко советуют для открывания ПТ просто касаться пальцем Затвора. Способ, в общем, рабочий, но перед этим ОБЯЗАТЕЛЬНО НУЖНО КОСНУТЬСЯ ЭТИМ ПАЛЬЦЕМ ИСТОКА ДЛЯ УРАВНИВАНИЯ СТАТИЧЕСКОГО НАПРЯЖЕНИЯ! Я опять рекомендую НЕ РИСКОВАТЬ!
Практические советы и типичные ошибки при использовании мультиметра
Чтобы избежать распространённых ошибок и повысить точность измерений, обратите внимание на такие моменты:
- Проверьте измерительный аппарат: убедитесь в его исправности.
- Определите тип VT: для npn и pnp нужно по-разному подключать щупы.
- Установите режим тестирования: убедитесь, что выбраны корректные диапазоны (например, постоянное или переменное U). Некоторые значения могут превышать пределы измерений, что приведёт к повреждению устройства или ошибкам в показаниях.
- Избегайте ошибок с составными транзисторами: при исследовании учитывайте внутренние переходы и защитные диоды.
- Правильное соединение выводов: следите за полярностью подключения щупов, чтобы избежать короткого замыкания и повреждения компонентов.
- Используйте описания и документацию: при работе полезно иметь под рукой их даташиты для понимания ожидаемых значений характеристик.
Важно: мультиметр — это инструмент первичной проверки. Для точного анализа транзисторных характеристик требуются специализированные тестеры.
Альтернативные инструменты и методы
Для профессионального диагностирования применяются типизированные тестеры, осциллографы, спектрографы, анализаторы полупроводниковых компонентов, системы автоматизированного тестирования (ATE). Эти аппараты оперативно и точно определяют параметры.
| Тип оборудования | Описание |
| Мультиметры | Многофункциональные измерительные приборы используются для определения значений U, I и R. Некоторые модели могут тестировать VT, предоставляя базовые данные. |
| Транзисторные тестеры | Типизированные устройства. Эти аппараты часто оснащены дружественными интерфейсами для оперативной проверки и измерений. |
| Осциллографы | Аппаратура для визуализации временных сигналов, которые используются для анализа рабочих характеристик транзисторов в динамических режимах. |
| Спектрографы | Применяются для анализа частотных характеристик транзисторов. |
| Спектрографы | Применяются для анализа частотных характеристик транзисторов. |
| Анализаторы ПП-компонентов | Более сложные устройства, проводящие диагностику транзисторов в контексте всей схемы. Они часто используются для углублённых исследований и профессионального тестирования в лабораториях и на производстве. |
| ATE-системы | Комплексные системы, которые проводят охватывающие тесты на массовом производстве или в научных исследованиях, включая нагрузочные и высокочастотные проверки. |
Сравнительный анализ:
| Параметр | Мультиметры | Типизированные приборы |
| Точность измерений | Ограниченная, достаточна для предварительной оценки Высокая (часто ±1% и выше). Минимизация влияния человеческого фактора на результаты. | Высокая (часто ±1% и выше). Минимизация влияния человеческого фактора на результаты. |
| Доступные параметры | U, I, R, h21э | Комплексная диагностика: h21э, Uбэ, Iк, динамические характеристики, частотные зависимости и др. |
| Сложность использования | Простые и интуитивно понятные. | Сложнее в освоении, но более приспособлены для решения комплексных задач. |
| Скорость тестирования | Небольшая, каждый показатель измеряется отдельно вручную. | Автоматизированный одновременный анализ нескольких параметров. |
| Стоимость | Большой ценовой спектр | Менее доступны для массового потребителя, зависит от функций |
| Применение | Основное тестирование и базовая диагностика | Углублённый анализ и составление отчётов. |
Мультиметры годятся для простых проверок VT, например, для определения исправности компонента. Однако для получения большего числа характеристик лучше применять типизированные приборы.
Приходим к выводу: выбор между специализированными тестерами и мультиметрами зависит от поставленных задач, уровня необходимой точности и спектра тестируемых компонентов.
Рассмотрим некий промежуточный вариант транзисторного тестера, содержащего повышенную функциональность типизированных приборов с бюджетной доступностью и лёгкостью использования.

Компактный типоразмер с расширенным функционалом сделал этот аппарат популярным среди радиолюбителей и профессионалов. Ему подвластны резисторы, конденсаторы, индуктивности, полупроводниковые элементы от диодов и стабилитронов до биполярных и полевых VT. Он измеряет постоянное напряжение, частоту колебаний, а также генерирует прямоугольные импульсы и управляемый ШИМ-сигнал. Продуманное питание от внешнего источника от 7 до 12 Вольт через стандартный разъём или специальные контактные площадки на плате.
Но его изюминкой, по мнению обладателей, является автоматическое определение элемента и его параметров. Современные комплектующие ввиду миниатюрности бывает трудно идентифицировать, особенно с формфактором для поверхностного монтажа (smd). В этом случае этот тестер незаменим. Он определит вид элемента — диод, биполярник или полевик, тип перехода и даже расположение выводов.

Следующий тестер со встроенным осциллографом, который удачно дополняет функциональность прибора визуализацией исследуемых сигналов, и генератором синусоидального, прямоугольного, импульсного, треугольного и пилообразного колебаний. Ещё одна «плюшка» — встроенный аккумулятор прибавляет к общей мобильности восклицательный знак!

Напоследок упомяну аппарат, необходимость в котором для массового потребителя была сомнительной даже в транзисторную эпоху — характериограф. А, ну да, сейчас принято всё называть «гаджетами» и «девайсами», тогда curve tracer. Это анализатор транзисторных характеристик.

Его используют для глубинных исследований полупроводников. Его место в НИИ, в крупных лабораториях, где, например, изучают причины отказов на стратегических объектах, а также при создании космической и сложной измерительной техники.
Практические примеры и кейсы
Недостаточное усиление
На контроле производственной линии малого предприятия забраковано изделие с недопустимым уровнем выходного сигнала. В лаборатории обнаружили заниженный коэффициент усиления входного каскада на БТ.

Показатель для замены:

После замены показатели изделия вошли в норму.
Пробой перехода эмиттер-коллектор
В мастерскую поступил аппарат с отсутствием выходного сигнала. В ходе проверки был обнаружен БТ с пробитым переходом Э-К:

Аппарат восстановлен заменой БТ на исправный
Разрыв перехода Б-К
У прибора с аналогичной проблемой на этот раз выявлено разрушение перехода Б-К:

Работоспособность восстановлена — заменён БТ.
В исследовательской лаборатории созданное оборудование не удовлетворяло поставленной задаче: выходной сигнал был с недопустимыми искажениями:

Анализ схемы показал ошибку в расчёте сопротивления в цепи базы БТ входного каскада, оно оказалось слишком большим для данного типа транзистора. После замены резистора на требуемый оборудование допущено к исследовательской работе:

Кстати сказать, попутно там было изучено влияние заниженного сопротивления на работу прибора:

Ошибки при тестировании биполярных транзисторов
Неправильное подключение выводов
Описание: БТ имеют три вывода: эмиттер (Э), база (Б) и коллектор (К). Ошибки в подключении приводят к неверным результатам, как, например, получение неправдоподобных значений hбэ.
Как избежать: проверяйте даташит компонента перед тестированием, чтобы убедиться, что вы знаете назначение каждого вывода. Используйте специальные тестеры, которые ограничивают возможность неправильного подключения.
Измерение токов при отсутствии вспомогательных резисторов
Как избежать: применяйте токоограничительные резисторы, а также проводите предварительные расчёты.
Игнорирование температуры
Как избежать: проводите тестирование при стандартных условиях (обычно 25 °C) и учитывайте температурные коэффициенты, указанные в даташите.
Неучет тока утечки
Описание: ток утечки (Iко) может быть значительным в некоторых случаях. Его неучёт приводит к неправильным выводам о состоянии БТ.
Как избежать: измеряйте Iко и учитывайте его в анализе. Это может быть особенно важно в переключающих схемах.
Ошибки при тестировании ПТ
Как избежать: используйте специализированные тестеры, чтобы точно определить значение Uз.
Игнорирование показателей работы затвора
Как избежать: ознакомьтесь с даташитом и придерживайтесь заданных пределов U затвора. Используйте ограничительные цепи.
Отсутствие предохранителей в тестовой цепи
Как избежать: всегда используйте предохранители или ограничительные резисторы в тестовых условиях.
Ошибка в подключении тестовых приборов
Как избежать: перед тестированием внимательно проверяйте подключения и настройки тестеров, особенно если они многофункциональные.
Часто задаваемые вопросы (FAQ)
Как определить расположение выводов VT?
Распиновку можно найти в справочниках по полупроводниковым приборам, например, в таком.
Как понять, где какие выводы на БТ, если стёрто обозначение на корпусе?
Здесь надо вспомнить его эквивалентную схему, состоящую из двух диодов. Установить переключатель мультиметра в положение и поочерёдно касаться двух соседних электродов. Нужно найти вывод, относительно которого два других покажут сопротивление, отличное от ноля. Это есть база. Если на ней чёрный провод (от гнезда COM), то это pnp-транзистор, если красный – npn. Конструктивно площадь коллектора больше эмиттерной поэтому, сопротивление Б-К будет немного меньше, чем Б-Э.
Почему в статье на осциллограмме у выходного сигнала усилительного каскада фаза противоположна входному?
В схеме ОЭ коллекторный ток, управляемый сигналом на базе, вызывает падение напряжения на резисторе в цепи коллектора, которое ВЫЧИТАЕТСЯ из U питающего. Таким образом происходит инверсия.
На всех недавно купленных КТ972А маленькие h21э. Измерял тестером GM328A. Нужно вернуть в магазин?
Значения усиления составных БТ у тестера GM328A неверны, и сильно занижены. Проверьте другими приборами.
Почему у КТ972А значения сопротивления база-коллектор, и база-эмиттер на мультиметре сильно отличаются?
В КТ972А измеряется один коллекторный pn-переход и два последовательно соединённых эмиттерных (составной транзистор).
Попытался поднять усиление каскада СОЭ изменением номинала резистора в цепи эмиттера (ku=Rк/Rэ), на выходе получил обрезанный сигнал. Что не так?
Это привело к изменению напряжения Uэб, сместилась Рабочая Точка. Нужно изменить номиналы резисторов делителя (см. расчёт каскада ОЭ).
В справочнике указана верхняя частота выбранного БТ 270 МГц, а на 100 МГц усиления уже нет.
В схеме ОЭ граничная частота определяется делением справочного значения на коэффициент передачи h21э
Собрал усилительный каскад на макетке. Подаю синусоиду от генератора. Не могу получить сигнал без искажений. Схему рассчитывал по справочнику, исправность элементов проверял.
Вероятно, слишком большой входной сигнал. Нужно установить перед разделительным конденсатором резистор от 1 до 100 кОм (подобрать).
В усилительном каскаде заменил сгоревший БТ на проверенный исправный. Выходной сигнал искажён.
Нужно установить Рабочую Точку нового БТ на линейный участок. Если это схема с фиксированным током базы, регулируется Rк-б.
Ошибки при тестировании транзисторов приводят к неверным выводам и дополнительным ремонтным затратам. Понимание распространённых ошибок и знание способов их избегания поможет улучшить качество тестов и надёжность электронной аппаратуры. Используйте правильное оборудование, учитывайте спецификации и следуйте предоставленным рекомендациям.
В статье рассмотрено фундаментальные направления измерения параметров транзисторов, которые являются наиважнейшими для проектирования и тестирования электронники.
Выбор пригодного оборудования зависит от поставленных задач и условий работы. В таблице приведены соответствующие рекомендации:
| Задача | Рекомендуемый инструмент | Примечания |
| Определение значений статических параметров | Мультиметр с функцией h21э | Подходит для базовых исследований |
| Исследование динамических характеристик | Осциллограф с анализатором сигналов | Необходим для исследования временных характеристик |
| Полная диагностика | Лабораторный анализатор | Позволяет получить полную характеристику компонента |
Тестирование VT — это основополагающее направление работы в области электроники, которое требует подобающего выбора инструментов и методов. Специализированные транзисторные тестеры предлагают высокую точность и большой набор функций, что делает их необходимыми для профессионалов. Однако мультиметры остаются полезными приспособлением для базовых измерений и повседневного использования.
В итоге, выбор между мультиметром и специализированным оборудованием зависит от ваших конкретных потребностей и задач. Понимание возможностей и ограничений каждого метода позволит сделать обоснованный выбор и поднять эффективность тестирования VT в ваших проектах.
Компания «Суперайс» реализует многопрофильную измерительную технику, включая мультиметры и специализированные тестеры для транзисторов. Наши товары соответствуют стандартам, что гарантирует точные и надёжные измерения.
С помощью нашего оборудования вы сможете улучшить качество своих исследований и разработок. Ознакомьтесь с нашим ассортиментом и выберите инструменты, которые помогут вашей работе.