Радиопомехи в электронике: причины, диагностика и методы экранирования

Радиопомехи в электронике: причины, диагностика и методы экранирования

Радиопомехи в электронике: причины, диагностика и методы экранирования
Автор: Академия Суперайс
1.1K

В практике инженеров-разработчиков радиоэлектронной аппаратуры и радиолюбителей-конструкторов встречаются ситуации, когда собранная схема не работает как ожидалось. Похожие случаи бывают и в практике монтажников, которые запускают в эксплуатацию электронное оборудование.

Одна из распространённых причин — монтаж аппаратуры с нарушениями правил экранировки соединительных кабелей и (или) некорректное заземление отдельных блоков. Такие кабели и заземлители выполняют роль антенн, которые принимают электромагнитные поля (ЭМП) и преобразуют их в переменные напряжения. Они воздействуют на слаботочные сигнальные цепи и мешают работе чувствительной аппаратуры. О том, как убрать помехи в радиоэлектронике, будет рассказано в предлагаемом материале.

Время чтения: 21 минута

Как провод превращается в «антенну»: базовая физика

Известно, что любой проводник электрического тока может работать как антенна, поэтому все провода «ловят» радио. Это явление называют антенным эффектом провода. Все антенны делят на излучатели электрического или магнитного типа.

Излучатели электрического типа

Они служат источниками (приёмниками) электрической компоненты ЭМП, которая обозначается вектором Е и измеряется в В/м.

Принцип действия полуволнового электрического приёмника ЭМП иллюстрирует следующий рисунок.

схема эмп
Пунктиром показаны токи смещения, протекающие в пространстве через ёмкости С, распределённые между отдельными точками проводников

Распределённая вдоль проводников индуктивность обозначена в виде сосредоточенных элементов — катушек L. Распределённые ёмкости обозначены как конденсаторы С.

Колебательный контур LC имеет частоту резонанса, определяемую номиналами L и C. На этой частоте проводник эффективно излучает (принимает) ЭМП.

Поле приходящей электромагнитной волны вызывает в пространстве токи смещения. Они наводят в проводах электродвижущую силу (ЭДС), под воздействием которой возникает высокочастотный (ВЧ) ток. Он протекает через чувствительные входы радиоаппаратуры и нарушает её работоспособность. Так как ток протекает через ёмкости С, для этого явления используется понятие ёмкостной наводки.

Для максимальной эффективности излучения длина проводника должна быть 0.5λ. Тогда в диапазоне УКВ отрезок кабеля длиной 10 см будет служить отличным приёмником ЭМП.

Антенны магнитного типа

Они служат источниками (приёмниками) магнитной компоненты ЭМП. Она обозначается вектором Н и измеряется в А/м.

Антенны представляют собой замкнутый контур. Эффективные приёмники магнитного типа должны иметь периметр примерно в 0.01λ. На рабочей волне в них при определённых условиях возникнет электрический резонанс. Схема магнитного излучателя изображена на следующем рисунке.

приёмник эмп
Источник (приёмник) магнитной компоненты ЭМП

Наведённый в такой цепи ток протекает по замкнутому контуру, поэтому для этого явления используется понятие индуктивной наводки.

Механизм появления наводок иллюстрирует закон электромагнитной индукции Фарадея. «Наведённая в контуре ЭДС равна скорости изменения магнитного потока, проходящего через контур, взятой со знаком минус»:

е= -ΔΦ/Δt

Где е — ЭДС, ΔΦ — изменение магнитного потока, Δt — время, за которое оно произошло. Чем больше скорость вариаций ΔΦ, тем выше частота колебаний ЭМП, тем больше наведённая в контуре ЭДС.

Вывод: эффективность проводов как излучателей зависит от относительных размеров проводников по сравнению с λ. Для получения гарантированного подавления радиопомех соединительные линии должны быть максимально короткие и обладать большим сопротивлением для токов высокой частоты.

Типы помех и как их распознать

Внутренние помехи возникают из-за работы различных электронных схем, входящих в состав оборудования. К ним относятся импульсные источники питания, силовая электроника, радиопередатчики и т. д. Они проявляются только при включённой аппаратуре и исчезают при выключении узла-источника. Поиск такого узла упрощается использованием метода исключения.

Внешние помехи возникают из-за воздействия источников ЭМП, находящихся за пределами оборудования. К ним относятся грозовые разряды, помехи, поступающие из питающей сети или наводки от внешних источников ЭМП. Моделирование таких событий в месте эксплуатации аппаратуры невозможно. Поэтому для обнаружения причин неправильной работы техники нужно испытать её устойчивость к изменениям параметров питающей сети в лабораторных условиях. Если в ходе таких испытаний проблемы не найдены, то необходимо проверка и улучшение качества экранировки.

Для борьбы с грозовыми разрядами необходимо применять устройства грозозащиты соединительных линий.

Способы уменьшения наводок делятся на конструктивные и схемотехнические.

Конструктивные способы

Конструктивные методы подавления помех в электронике позволяют значительно улучшить электромагнитную совместимость устройств ещё на этапе проектирования. Они основаны не на программной фильтрации или последующей корректировке сигнала, а на грамотной организации проводников, применении экранирующих материалов, верном выборе топологии и использовании пассивных элементов, уменьшающих излучение и восприимчивость схемы.

Экранирование

Такой защитный приём применяется как к отдельным проводникам и жгутам, так и к целым узлам (блокам) электронного оборудования.

Для защиты проводников применяются экранирующие элементы, изготовленные из металлической оплётки, электропроводящей фольги или их сочетания. Для наиболее ответственных применений для этой цели используют тонкостенные металлические трубки.

Базовое требование к экрану — максимальная проводимость. По этому критерию изделия из фольги и металлической оплётки уступают продуктам из трубок.

Для звукоусилительной аппаратуры преимущественно применяют проводники, поверх которых навита защитная фольга. Эта конструкция заключена в проволочную оплётку.

Для передачи радиочастотных сигналов предпочтительнее применение кабелей аналогичной конструкции со сплошным фольгированным экраном. В них качество защиты от внешних излучений выше, а потери энергии передаваемых сигналов меньше по сравнению с витой оболочкой.

Экранирование проводов будет неэффективным, если заземление экранов кабелей выполнено неправильно. Допускается соединение защитных оболочек разных кабелей в одной точке непосредственно или с использованием схемы «звезда».

При экранировании чувствительных узлов аппаратуры металлические экранирующие коробы соединяются с корпусом устройства по его периметру. Для такого соединения используется пайка.

Применение витых пар

Использование скрученных пар против помех значительно эффективнее по сравнению с обычными сигнальными цепями. Это объясняется следующими факторами:

  • электрические токи протекают по разным проводникам в противоположных направлениях, поэтому создаваемые ими магнитные поля компенсируются;
  • если кабель состоит из нескольких витых пар, то они выполняются с разным шагом скрутки, что приводит к ослаблению кросс-помех между разными парами;
  • для увеличения защитного эффекта применяется экранирование кабеля.

Пожалуй, распространённый пример — кабель UTP для сетевого подключения ПК. В нём проводники скручены попарно с разным шагом витков, поэтому максимальное расстояние соединения достигает целых 100 метров.

Соблюдение правил разводки печатных плат и прокладки соединительных проводников

Существуют общие подходы к трассировке печатных плат и рекомендации производителей для конкретных изделий электроники.

Кратко сформулируем общие правила:

  • проводники шин питания должны быть достаточного сечения, зависящего от потребляемого устройством тока;
  • чувствительные цепи необходимо располагать как можно дальше от сильноточных проводников;
  • шина заземления должна трассироваться так, чтобы в местах подключения к ней фильтрующих конденсаторов длина подходящих к ним проводников была минимальной;
  • для радиочастотных и высокоскоростных цифровых схем общий провод должен представлять собой заземляющую поверхность максимальной площади.

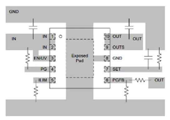
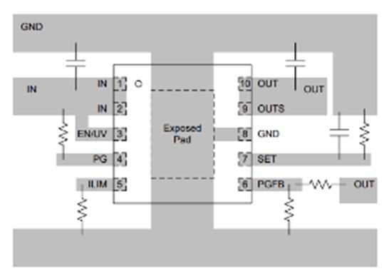
Пример: сверхмалошумящий стабилизатор TPL8033 производителя 3PEAK. Типовая схема включения TPL8033 и рекомендуемая разводка печатной платы представлены на следующих рисунках.

tpl8033
Схема включения
трассировка платы схема
Трассировка печатной платы

Разводка печатной платы выполнена таким образом, что общая шина (GND) имеет максимальную площадь и расстояние от неё до точек включения блокировочных конденсаторов между выводами входа (IN) и выхода (OUT) микросхемы минимально. Также минимизирована площадь контура, образованного печатным монтажом между выводами входа и управлением запуском стабилизатора (EN/UV). Это сделано для того, чтобы чувствительный вход EN/UV подвергался наименьшему воздействию радиопомех, наводимых в этом контуре.

Часть общей шины, проходящая под корпусом TPL8033 (Exposed Pad — открытая контактная площадка), одновременно выполняет функцию отвода тепла от микросхемы.

При прокладке проводных линий рекомендуется не допускать параллельный монтаж сигнальных и сильноточных соединительных линий в непосредственной близости друг от друга и минимизировать площадь замкнутых электрических контуров. По возможности, лучше вообще избегать их образование.

Правильная прокладка радиочастотного кабеля

Маршрут трассировки радиочастотного кабеля от антенны к радиооборудованию выбирается из соображений минимальной длины и исключения влияния на другое электронное оборудование.

Выполнение первого критерия необходимо для получения минимальных потерь энергии в нём.

Для реализации второго критерия такой кабель не должен прокладываться параллельно сигнальным линиям. Кроме того, радиочастотный кабель не должен обладать антенным эффектом. Для этого антенно-фидерное устройство монтируется в соответствии с рекомендациями производителя радиоаппаратуры.

Использование ферритовых колец

Ферритовые кольца, надетые поверх слаботочного интерфейсного кабеля, подавляют наводимые на его поверхности ВЧ токи, возникающие в результате воздействия внешних источников электромагнитных излучений. Они надеваются на проводники как можно ближе к точке ввода в защищаемое устройство.

ферритовое кольцо на кабель
Защита электроники с помощью сборки из ферритовых колец, надеваемых на кабель. Изделие ZCAT1518-0730-BK компании TDK

Известно, что ВЧ токи протекают по поверхности проводника и практически отсутствуют внутри. Поэтому ферритовые кольца для проводов создают высокое сопротивление поверхностным токам. В результате они не попадают в цепи защищаемого оборудования. Одновременно ферриты не влияют на протекание слабых сигнальных токов внутри кабеля и не искажают форму передаваемые по ним колебаний.

Применение проходных конденсаторов

Проходной конденсатор представляет собой изделие электронной техники, в котором конструктивно объединён отрезок проводника и блокирующая электрическая ёмкость, соединяющая этот проводник с корпусом защищаемого устройства.

проходной конденсатор содержание
Дискретный проходной конденсатор

Изделие используется в ВЧ схемах и специальной технике для ввода соединительных проводников в полностью экранированный корпус с чувствительной аппаратурой.

Схемотехнические способы

Схемотехнические способы подавления помех направлены на уменьшение чувствительности устройства к электромагнитным воздействиям за счёт правильного подбора компонентов и их включений. В отличие от конструктивных мер, которые воздействуют на физическую среду распространения помех, схемотехнические решения формируют устойчивость на уровне электрических связей, позволяя сглаживать выбросы, стабилизировать питание и предотвращать распространение высокочастотных наводок по цепям.

Балансные схемы

Они представляют собой устройства с двумя входами. Дифференциальные взаимно противофазные сигналы, поступающие на каждый вход, обрабатываются в отдельных идентичных каналах и складываются в общей нагрузке. Каждый канал имеет свой общий провод, не связанный с таким же проводом другого канала. Общая для обоих каналов нагрузка не соединяется ни с одним из этих проводов.

Такая схема усиливает дифференциальные напряжения и подавляет наведённые на её входах помехи common-mode (общего типа) или синфазные напряжения. Примером реализации балансной схемы служат микросхемы операционных усилителей, которые являются основой приёмников дифференциальных сигналов.

Специальные источники питания

Для обеспечения заданных характеристик радиоэлектронной аппаратуры, работающей с аналоговыми сигналами малой амплитуды, необходимы стабилизаторы напряжения с минимальным уровнем собственных шумов. К такой аппаратуре относятся медицинские приборы, системы безопасности и видеонаблюдения, усилители высоких частот в профессиональных радиоприёмных устройствах и др.

Качественное питание должно подаваться на малошумящие синтезаторы частот, цифровые частотно-фазовые детекторы, делители частот, ЦАП и АЦП.

Сверхмалошумящие источники выпускаются серийно. Пример — упомянутая выше микросхема TPL8033.

Фильтры

Для борьбы с наводками используют различные типы фильтров, располагаемые на печатной плате устройства в непосредственной близости от точек подключения входных цепей. Это LC-фильтры для питания и RC-цепи. Конденсаторы, применяемые в составе таких устройств, а также блокировочные ёмкости, устанавливаемые на шинах питания, должны отвечать следующим требованиям:

  • характеризоваться малой паразитной индуктивностью;
  • иметь малое значение ESR (Equivalent Series Resistance — эквивалентное последовательное сопротивление).

Для тестирования последнего параметра применяются специальные измерители ESR.

Выбор параметров таких изделий производится на этапе разработки устройства. Они выпускаются серийно в различных вариантах исполнения. Основные вендоры этих компонентов — TE Connectivity, Murata, Kemet и др.

входной фильтр emi
Входной фильтр для частотных преобразователей SAIJI SJM850-600

Производятся фильтры EMI (Electromagnetic Interference — электромагнитная помеха), выпускаемые в виде самостоятельных блоков, рассчитанные на применение совместно с мощными потребителями электроэнергии. К ним относятся изделия для частотных преобразователей российского производителя «Компания Веспер».

Практика тестирования радиопомех

Проще всего проверить, «ловит» ли устройство внешний радиосигнал, можно с помощью осциллографа, наблюдая осциллограмму помех во входных цепях, на шинах питания или на выходах чувствительных каскадов.

При исследовании аналоговых каскадов, шин питания или входных цепей на осциллографе применяются следующие настройки:

  • включается максимальная чувствительность;
  • выбирается режим закрытого входа;
  • устанавливается максимальная полоса пропускания;
  • включается автоматический запуск.

Прибор соединяется с тестируемым аппаратом экранированным кабелем минимальной длины с помощью пайки.

При исследовании цифровых схем (например, компараторов напряжения или триггеров Шмитта) на осциллографе устанавливаются такие же настройки, как описаны выше, за исключением:

  • включается чувствительность, соответствующая уровню логической единицы исследуемой логики;
  • выбирается режим открытого входа.

Некорректная работа схемы проявится в появлении посторонних импульсов в выходном сигнале.

Частые ошибки новичков и как их избежать

Помехи в любительских схемах возникают в результате совершения следующих типичных ошибок:

  • Плохо экранированные провода. Они встречаются в любительских конструкциях, если авторы применяют самодельную экранировку, сделанную «на коленке». В экранированных проводниках промышленного изготовления такой проблемы не существует.
  • Отсутствие защиты длинных сигнальных проводников. Использование экрана для уменьшения антенного эффекта проводов эффективная, но не всегда достаточная мера для подавления наводок.

Во-первых, длина сигнальных проводов, находящихся за пределами экрана, должна быть минимально возможной.

Во-вторых, экраны должны быть правильно заземлены. Проверенный способ такого соединения — подключение экрана к корпусу устройства в одной точке. Она должна находиться в непосредственной близости от источника сигнала.

В-третьих, необходимо использовать ферритовые кольца для создания высокого сопротивления токам высокой частоты, протекающим по внешней оболочке экрана.

  • Неправильная прокладка чувствительных к наводкам цепей. Рекомендуется избегать трассировку слаботочных проводников в непосредственной близости от мощных источников переменных электромагнитных полей (передающих антенн, трансформаторов, дросселей трансформаторного типа и т. д.).
  • Недостаточная фильтрация питающих напряжений. Проблема фильтрации решается применением источников питания с хорошими стабилизирующими и шумовыми характеристиками.

Поиск причин возникновения неполадок в работе радиоаппаратуры невозможен без использования соответствующих средств измерений.

Фирма Суперайс предлагает специалистам в области электроники большой выбор средств диагностики, инструментов, расходных материалов и комплектующих. Они подходят для решения любых задач в области разработки, эксплуатации, технического обслуживания и ремонта радиоаппаратуры.

Выбор продуктов Суперайс для разных задач

В зависимости от целей тестирования, потребуется различные средства измерений. Остановимся на типичных случаях.

Проверка чувствительных аудиотрактов

Такие тесты могут проводиться с помощью измерительной техники, полоса рабочих частот охватывает диапазон звуковых колебаний, воспринимаемых человеческим ухом — от 20Гц до 30кГц.

Исследование цепей питания

Современные источники вторичного электропитания строятся в основном на основе частотных преобразователей. В них используется широтно-импульсная модуляция с частотой следования импульсов до 1 МГц. Этой частоте соответствует длительность импульса 1 мкс. Импульсные сигналы тестируют с помощью осциллографов.

Для исследования коммутационных помех, возникающие в цепях, наводимых сигналами длительность 1 мкс., период развёртки осциллографа должен быть примерно в 100 раз меньше — порядка 10 нс. Это соответствует верхней границе полосы пропускания канала вертикального отклонения измерителя порядка 500–1000 МГц.

Так как амплитуда наведённых в соединительных проводах сигналов невелика, чувствительность измерителя должна быть максимальной — порядка единиц милливольт на одно деление шкалы. Таким критериям отвечают аппараты RIGOL MSO8104, Siglent SDS5104X и другие.

Тестирование датчиков

Цифровые датчики соединяются с основным оборудованием витыми парами. Поэтому для проведения испытаний такой техники потребуются устройства с дифференциальными щупами.

FAQ

Вопрос: чем отличаются экраны для техники СВЧ и звукоусилительных устройств?

Ответ: конструктивным исполнением. Изделия для техники СВЧ изготавливают из материалов с малым удельным сопротивлением и очень гладкой поверхностью. Места стыков стенок экранов пропаивают. Это делается для приближения их свойств к идеальным проводникам.

Вопрос: нужно ли заземлять экран?

Ответ: да. Незаземлённый экран не будет обладать экранирующим действием. Поэтому он станет вторичным источником излучения поля радиопомех, наведённых на его поверхности внешними ЭМП.

Вопрос: могут ли ферритовые изделия обеспечить защиту от помех на всех частотах?

Ответ: нет. У каждого феррита есть рабочий диапазон частот, приведённый в спецификации. Также существуют ограничения по предельной допустимой мощности.

Вопрос: какой экран выбрать для аудиопроекта?

Ответ: подойдёт любой хорошо проводящий материал. Достаточно защитить только входные цепи и микрофонные усилители.


Понравилась статья? Поделитесь ей в ваших социальных сетях:
Электрические принципиальные схемы: что это и зачем
Принципиальная схема — это язык электроники, без которого не обойтись ни в ремонте, ни в разработке устройств. Разбираемся, как её читать, понимать логику и видеть структуру прибора.
Электрические принципиальные схемы: что это и зачем 1.4K
Электрические принципиальные схемы: что это и зачем
Чтение электрических схем: условные обозначения
Полный гид по условным обозначениям в электронике — учимся понимать язык принципиальных схем.
Чтение электрических схем: условные обозначения 2.5K
Чтение электрических схем: условные обозначения
Диагностика протоколов в электронике 2026: новые интерфейсы и инструменты инженера
Как изменились протоколы к 2026 году и как теперь их диагностировать информация с статье магазина Суперайс
Диагностика протоколов в электронике 2026: новые интерфейсы и инструменты инженера 268
Диагностика протоколов в электронике 2026: новые интерфейсы и инструменты инженера