Шаговый двигатель SUMTOR 20HS2806A4 (NEMA 8)
Характеристики SUMTOR 20HS2806A4 (NEMA 8)
Описание SUMTOR 20HS2806A4 (NEMA 8)
Технические характеристики SUMTOR 20HS2806A4
| Угол шага | 1,8° ±5% |
| Сопротивление | 3,2 Ом ±10% |
| Индуктивность | 0,9 мГн ±20% |
| Крутящий момент | 1,4 Н*см (0,14 кг*с*см) |
| Крутящий момент покоя | 0,2 Н*см (0,02 кг*с*см) |
| Инерция ротора | 2,5 г*см² |
| Диаметр вала | 4 мм |
| Длина вала | 20 мм |
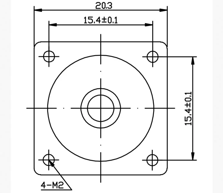
| Длина\ширина корпуса | 20,3 мм |
| Фланец | NEMA 8 |
| Количество фаз | 2 |
| Количество отведений | 4 |
| Общие характеристики | |
| Номинальный ток | 0,6 А |
| Напряжение | 2 В |
| Рабочая температура | макс 80 °C |
| Температура среды | -20 - 50 °C |
| Габариты | 20,3 х 20,3 х 28 мм |
| Вес | 50 г |
| Комплектация | шаговый двигатель SUMTOR 20HS2806A4 – 1 шт |
Электродвигатель SUMTOR 20HS2806A4
Когда речь идет о точной и плавной работе механизмов, электродвигатель SUMTOR 20HS2806A4 - это то, что нужно. Область применения достаточно широка - от автоматизации производства, робототехники и 3D-принтеров до медицинского оборудования и научных исследований.
Устройство обладает высоким крутящим моментом до 1,4 Н*см и работает при напряжении до 2 вольт в диапазоне температур от -20 до +50 градусов Цельсия. Благодаря этим параметрам, прибор может работать в разных условиях эксплуатации.
Шаговые драйвера мотора от SUMTOR обеспечивают высокую точность позиционирования и простоту в управлении. Этот двигатель легко совместим с большинством контроллеров и плат, используемых в электронике. Его вес всего 50 грамм, а ширина корпуса не превышает 2 см, что облегчает монтаж в ограниченном пространстве.
Электродвигатель SUMTOR 20HS2806A4 не требует специального технического обслуживания и имеет длительный срок службы, а также гарантию на 1 год.
Ниже представлены схематичные чертежи электродвигателя в двух проекциях - сбоку и сверху.
Схемы шагового мотора

Отзывы SUMTOR 20HS2806A4 (NEMA 8)
Шаговый двигатель SUMTOR 20HS2806A4 (NEMA 8)
Мотор шаговый SUMTOR 20HS2806A4
Фланец: NEMA 8
Номинальный ток: 0,6 А
Крутящий момент: 1,4 Н*см (0,14 кг*с*см)
Размер: 20,3 х 20,3 х 28 мм
Хороший шаговый мотор, стандартные размеры. Очень удобно, что на сайте сразу чертёж с размерами есть вот этого прям не хватает часто, при заказе.
Здравствуйте!
Спасибо за обратную связь!
Рады, что товар оправдал ваши ожидания. Мы всегда стараемся вовремя порадовать своих клиентов заказами. Также спасибо, что отметили наличие чертежа с размерами. Нам приятно, что вы цените наши старания. Спасибо вам за это!
Надеемся увидеть вас снова!
С наилучшими пожеланиями, Администрация интернет-магазина Суперайс
Шаговый двигатель SUMTOR 20HS2806A4 (NEMA 8)
Мотор шаговый SUMTOR 20HS2806A4
Фланец: NEMA 8
Номинальный ток: 0,6 А
Крутящий момент: 1,4 Н*см (0,14 кг*с*см)
Размер: 20,3 х 20,3 х 28 мм
Хороший шаговый мотор, стандартные размеры. Очень удобно, что на сайте сразу чертёж с размерами есть вот этого прям не хватает часто, при заказе.
Здравствуйте!
Спасибо за обратную связь!
Рады, что товар оправдал ваши ожидания. Мы всегда стараемся вовремя порадовать своих клиентов заказами. Также спасибо, что отметили наличие чертежа с размерами. Нам приятно, что вы цените наши старания. Спасибо вам за это!
Надеемся увидеть вас снова!
С наилучшими пожеланиями, Администрация интернет-магазина Суперайс
Шаговый двигатель SUMTOR 20HS2806A4 (NEMA 8)
Мотор шаговый SUMTOR 20HS2806A4
Фланец: NEMA 8
Номинальный ток: 0,6 А
Крутящий момент: 1,4 Н*см (0,14 кг*с*см)
Размер: 20,3 х 20,3 х 28 мм
Хороший шаговый мотор, стандартные размеры. Очень удобно, что на сайте сразу чертёж с размерами есть вот этого прям не хватает часто, при заказе.
Здравствуйте!
Спасибо за обратную связь!
Рады, что товар оправдал ваши ожидания. Мы всегда стараемся вовремя порадовать своих клиентов заказами. Также спасибо, что отметили наличие чертежа с размерами. Нам приятно, что вы цените наши старания. Спасибо вам за это!
Надеемся увидеть вас снова!
С наилучшими пожеланиями, Администрация интернет-магазина Суперайс
Шаговый двигатель SUMTOR 20HS2806A4 (NEMA 8)
Мотор шаговый SUMTOR 20HS2806A4
Фланец: NEMA 8
Номинальный ток: 0,6 А
Крутящий момент: 1,4 Н*см (0,14 кг*с*см)
Размер: 20,3 х 20,3 х 28 мм
Хороший шаговый мотор, стандартные размеры. Очень удобно, что на сайте сразу чертёж с размерами есть вот этого прям не хватает часто, при заказе.
Здравствуйте!
Спасибо за обратную связь!
Рады, что товар оправдал ваши ожидания. Мы всегда стараемся вовремя порадовать своих клиентов заказами. Также спасибо, что отметили наличие чертежа с размерами. Нам приятно, что вы цените наши старания. Спасибо вам за это!
Надеемся увидеть вас снова!
С наилучшими пожеланиями, Администрация интернет-магазина Суперайс
Ваш отзыв успешно отправлен!
Отзыв появится на сайте после модерации.
Сотрудничаем с коммерческими организациями и государственными бюджетными учреждениями.
Работаем по прямому договору и участвуем во всех видах конкурентных процедур в рамках 44-ФЗ и
223-ФЗ. Оказываем помощь в составлении технического задания на оборудование.
Заполните форму и получите всю нужную информацию о выбранном оборудовании в виде коммерческого предложения:
- актуальные цены и сроки поставки;
- информация о скидке;
- наличие на наших складах.
С этим товаром покупают
Ранее просмотренные Вами