Фильтры в электронике. Часть 2

Фильтры в электронике. Часть 2
Автор: Академия Суперайс
7.7K

Фильтры — важнейшие узлы самой разнообразной аппаратуры. Примером служит звукозаписывающая и звуковоспроизводящая, радиопередающая и радиоприёмная, усиливающая и преобразовательная техника разного назначения. Фильтрующие цепи встречаются в каждом «уважающем себя» блоке питания и ещё в огромной номенклатуре приборов. Широта применяемости породила некоторое количество базовых схемотехнических решений, но изготавливаются они для конкретных задач.

Статья ставит целью продолжить освещать тему фильтров в электронике, делая акцент на схемотехнике.

Первую часть вы можете прочитать здесь.

Время чтения: 22 минуты

Фильтры в электронике? Это очень просто!

В предыдущей части были описаны базовые функциональные разновидности фильтров, которые выполнимы не только по рассмотренным схемам. Помимо пассивных (ПФ), состоящих из RLC-цепей, имеют всеобъемлющее применение активные фильтры (АФ) из RC-цепей и операционных усилителей (ОУ), схемотехнические разновидности, такие как фильтры на переключаемых конденсаторах (ФПК) и другие. Каждые имеет сильные и слабые стороны. Любой грамотный инженер-электроник должен их знать, чтобы правильно подобрать при проектировании нового устройства, понимать решения «в лицо», безошибочно их определяя на принципиальных схемах.

Схемотехника фильтров

В разделе рассмотрим основные схемы. Если какая-то терминология не будет ясна читателю, рекомендую прочитать первую часть статьи. В заключение дана сравнительная оценка различных разновидностей с акцентом на их применимость в конкретных сферах.

Пассивные RLC-фильтры

Приборы, описанные в первой части, базировались на пассивных компонентах: резисторах, конденсаторах и катушках индуктивности (КИ), поэтому они и называются так. Это категория, в которой не используются активные усилительные элементы. RLC-фильтры — простейшая (с точки зрения количества и стоимости необходимых компонентов) аппаратная реализация требуемой передаточной функции. Она имеет и другие плюсы:

  • Нет активных компонентов, не требуют источника питания
  • Не имеют ограничения полосы пропускания, свойственному ОУ, применяемым в АФ (будут рассмотрены далее), эффективны на ультравысоких частотах (смотри статью «Основы схемотехники радиочастотных систем»).
  • Применяемы в приборах, работающих с большими уровнями тока или напряжения, недоступными активным устройствам.
  • Генерируют мало шума по сравнению со схемами на активных элементах усиления. От них исходит лишь тепловой шум резисторов, а при грамотном проектировании его амплитуда мала.

Однако ПФ имеют недостатки, проявляющиеся не всегда. Поскольку нет активных элементов, они совершенно не усиливают сигнал. Входной импеданс встречается ниже требуемого, а выходной — выше рекомендуемого для некоторых сфер. Поэтому для работы требуется буферный входной и выходной усилитель.

КИ, необходимые для большинства полезных характеристик, — «дорогое удовольствие», особенно если важна точность номинала (к примеру, 1%), малый физический размер или большое допустимое значение протекающего тока или прикладываемого напряжения.

Типовые номиналы индуктивности не очень близко расположены друг к другу и довольно трудно найти фабричную катушку со значением в пределах 10% от любого произвольного, поэтому часто используются регулируемые КИ. Их настройка занимает много времени и дорога́ при массовом выпуске.

Сложные RLC-фильтры (выше 2-порядка) нередко непростые и трудоёмкие для проектирования. Вместо регулируемых КИ здесь применяются изготовленные на заказ с необходимым нестандартным номиналом. Выпуск «заказных» компонентов всегда сопряжён с повышенной ценой, отражающейся на общей стоимости готового устройства.

В зависимости от применяемых компонентов, ПФ нижних (ФНЧ) и верхних частот (ФВЧ) бывают типа RC (резисторы-конденсаторы), RL (резисторы-катушки индуктивности) и LC (катушки индуктивности-конденсаторы).

фнч схема
Простейшие ФНЧ

схема фвч
Простейшие ФВЧ

Кардинальных отличий фильтры разных типов не имеют. Выбор, как правило, обусловлен режимом работы, технической возможностью сборки (применяемостью компонентов нужного номинала) и ожидаемой стоимостью.

порядок фнч
Модель ФНЧ RC-типа

порядок фвч
Модель ФВЧ RC-типа

rc фильтр частоты
Полосовые и режекторные фильтры имеют чуть более сложную схемотехнику

Существуют т. н. резонансные схемы. Они содержат колебательный контур, настроенный на определённую частоту, сигналы которой пропускаются (у полосового фильтра), либо появляются (у режекторного). По виду реализации контура делятся на полосовой и режекторный фильтр последовательного или параллельного резонанса.

lc фильтр схема
Схемы полосового и режекторного LC-фильтра последовательного резонанса

lc фильтр схема
Схемы полосового и режекторного LC-фильтра параллельного резонанса

lc фильтр
Модель полосового LC-фильтра параллельного резонанса

lc фильтр
Модель режекторного LC-фильтра последовательного резонанса

Активные фильтры

Они используют усилительные элементы: транзисторы биполярные или полевые, операционные усилители и прочие, резисторы и конденсаторы в цепях обратной связи для получения желаемых характеристик. Имеют высокое входное и низкое выходное сопротивление (импеданс) и практически любой произвольный коэффициент усиления.

Их также зачастую проще проектировать, чем пассивные. Возможно, их важнейшее свойство — отсутствие КИ. Это снижает проблемы с компонентами, а бонусом — цену собранного устройства. Тем не менее требуют высокой точности номиналов конденсаторов, хотя и в меньшей степени. Высокочастотная эффективность ограничена произведением коэффициента усиления на ширину полосы пропускания усилительных элементов. Но в пределах рабочего частотного диапазона усилителя АФ эффективны, если в составе резисторы и конденсаторы с низким допуском. АФ генерируют шум из-за наличия усилительных элементов, который минимизируется установкой малошумящих ОУ и тщательным проектированием.

ФНЧ 2-порядка применим в качестве строительного блока для фильтров высшего порядка. Каскадированием двух или более схем строят конфигурации с порядками четыре или выше. Пара резисторов и конденсаторов, подключённые к неинвертирующему входу ОУ, определяют частоту среза и влияют на добротность Q, два резистора на инвертирующем задают усиление и тоже отражаются на добротности. Ввиду особенностей компонентной базы параметры «усиление-частота среза-добротность» нельзя менять независимо.

lc фильтр низких частот
Схемы активных НЧ/ВЧ-фильтров на операционном усилителе

схемы на основе операционных усилителей
Схема активного полосовой и режекторного фильтра

Когда центральная частота (ЦЧ) сверхнизкая по сравнению с произведением усиления на полосу пропускания ОУ, характеристики активных RC-фильтров в первую очередь зависят от допусков внешних компонентов и температурных дрейфов. Для получения предсказуемых результатов в критических схемах используют абсолютно точные элементы с крайне малой чувствительностью к термическим изменениям, а они дорогие.

Когда ЦЧ, умноженная на добротность, показывает это значение более малой доли, отклик будет отклоняться от идеальной передаточной функции. Степень отклонения зависит от схемотехники.

фнч фильтр
Модель активного ФНЧ на операционном усилителе

фвч фильтр
Модель активного ФВЧ на операционном усилителе

Фильтры на переключаемых конденсаторах

Эта разновидность стала широко популярна в течение последних нескольких десятилетий. Всё благодаря специализированным микросхемам, реализующим их в законченном виде.

ФПК-схемотехника преодолевает часть проблем, присущих стандартным АФ, при этом добавляя интересные новые возможности. Например, компонентам не нужны внешние конденсаторы или КИ, а частоты среза устанавливаются с типичной точностью ±0.2% с помощью внешней тактовой частотности. Это позволяет создавать последовательные, повторяемые конструкции с использованием недорогих кварцевых резонаторов или генераторов, частоты среза которых изменяются в широком диапазоне путём изменения тактовой частоты. Кроме того, они имеют низкую чувствительность к изменениям внешней температуры.

Схемотехнически представляют собой тактируемые системы с периодической выборкой данных; входной сигнал дискретизируется (смотри статью «ТОП-10 типовых узлов в схемотехнике цифровых устройств») с высокой скоростью и обрабатывается в дискретном, а не аналоговом непрерывном режиме. Это их отличие от остальных, за счёт которого они называются фильтрами «непрерывного времени».

Их работа основана на способности конденсаторов на кристалле и полупроводниковых ключей на полевых транзисторах имитировать эффект резисторов. Их значения бывают точно согласованы с другими конденсаторами на микросхеме, что приводит к интегрированным фильтрам, частоты среза которых пропорциональны и определяются только внешней тактовой частотой. Они также активны, но, как правило, рассматриваются отдельно, ввиду особенностей схемотехники.

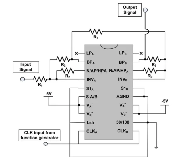
Основной недостаток — выходной сигнал сильнее «шумит». Компания National Semiconductor выпускает несколько разных типов таких устройств. Востребованные, например, LMF100, MF5 и MF10, подходят для создания любой из описанных разновидностей, путём подбора нескольких внешних резисторов. Номиналы и схема коммутации определяют основную форму амплитудно-фазовой характеристики, при этом центральная или граничная частота задаётся только внешним тактовым сигналом.

микросхемы фильтры
Схема подключения микросхемы-фильтра LMF100 с четырьмя внешними резисторами, подключёнными для конфигурирования выходов нижних, верхних и полосовых частот

LMF100 и MF10 содержат по два универсальных фильтрующих блока, в то время как MF5 имеет один, но второго порядка. LMF100, MF5 и MF10 универсальны, способны реализовать все типы фильтров. LMF40, LMF60, MF4 и MF6 сконфигурированы только как ФНЧ четвёртого или шестого порядка и не нуждаются во внешних компонентах, кроме тактового генератора (для установки ЦЧ) и источника электропитания.

микросхема цифрового фильтра
Подключение микросхем LMF40 и LMF60

схема LMF
Кривые амплитудных характеристик LMF40 и LMF60

Некоторые микросхемы очень специализированы. К примеру, LMF380 содержит три полосовых фильтра четвёртого порядка с полосами пропускания и интервалами между ЦЧ, равными одной трети октавы. Она предназначена для звуковой аппаратуры и требует только кварцевого генератора или резонатора.

фильтр LMF
Подключение LMF380 и кривая её амплитудной характеристики

Внутренний генератор тактовых импульсов LMF380 способен с помощью кристалла и двух конденсаторов генерировать главный тактовый сигнал для целого массива LMF380 в аудиоанализаторе реального времени или другом приборе, имеющем в составе множество фильтров.

Другие микросхемы, такие как полосовой MF8 и режекторный LMF90 (оба четвёртого порядка), имеют специализированные функции, но программируются на различные кривые отклика с использованием внешних резисторов (MF8) или логических входов (LMF90).

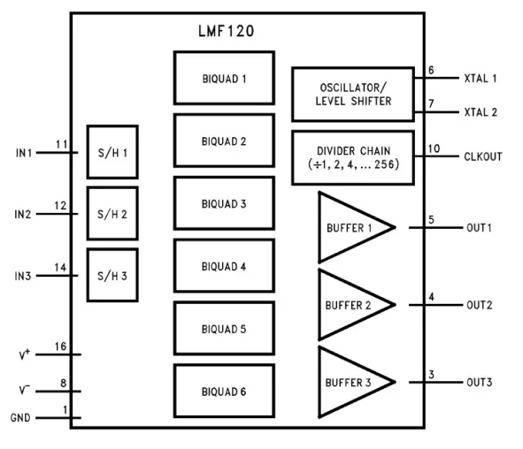
Наконец, когда стандартной микросхемы для конкретного применения не существует, зачастую применяют подход на основе ячеек и строят «персональный» компонент. Примером послужит LMF120 — настраиваемый массив на переключаемых конденсаторах 12-порядка, который легко настроить для выполнения практически любой функции фильтрации без внешних компонентов. Три входных схемы выборки и хранения, шесть блоков фильтров второго порядка и три выходных буфера соединяются вместе для построения от одного до трёх фильтрующих элементов с общим порядком двенадцать.

фильтр в электрике
Блок-схема LMF120

фильтр фпк
Модель ФПК

Сравнительная оценка фильтров различных разновидностей

Каждая технология фильтрации предлагает набор достоинств и недостатков, что делает её почти идеальным для одного вида применения и совершенно неприемлемым для другого.

Точность

ФПК имеют преимущество, так как традиционно точнее. Типичная точность ЦЧ составляет порядка ±0.2% для большинства микросхем, а худшие значения от ±0.4% до ±1.5% (конечно, при условии, что тактовый генератор высокоточен при поддержании своей частотности).

Чтобы её достичь с использованием пассивных или обычных методов активной фильтрации, требуются либо сверхточные компоненты, либо подгонка их значений для уменьшения ошибок. Возможно, что активные или пассивные схемы достигают лучшей точности, чем ФПК, но это влечёт за собой дополнительные траты. Конфигурирование резисторами улучшает точность, когда нужно, но это затратнее.

Стоимость

Ни одна из рассмотренных схемотехник не становится в этой «номинации» явным победителем. Если нужен только однополюсный (то есть 1-порядка) фильтр, то лучший вариант — пассивная RC-цепь. Для сложных конструкций готовые ФПК-микросхемы станут недорогими в покупке и займут немного места на дорогой печатной плате.

Когда необходима хорошая точность, пассивные радиокомпоненты, в особенности конденсаторы, затратнее в закупке; это ещё очевиднее в очень компактных конструкциях, требующих компонентов поверхностного монтажа. Когда скорость и точность неважны, некоторые обычные АФ строятся дёшево.

Шум

ПФ, как уже сказано, генерируют очень мало шума (имеется только тепловой шум резисторов), а типичные АФ, как правило, менее шумные, чем интегральные схемы ФПК. Последние используют активные интеграторы на ОУ-основе в качестве внутренних строительных блоков. Интегрирующие конденсаторы нужны очень маленькими по размеру, поэтому значения их ёмкости также будут небольшими. Поэтому входные резисторы на этих интеграторах ставят большого номинала, чтобы достичь требуемых параметров постоянных времени.

Они создают высокие уровни напряжения теплового шума; типичные уровни выходного шума ФПК составляют порядка 100÷300 милливольт среднеквадратичного значения в полосе пропускания 20 килогерц. Интересно отметить, что входные «резисторы» интегратора в них состоят из ключей на полевиках и конденсаторов, но они тоже «шумят», как и «реальные».

Тем не менее версии с уровнями шума на 20 децибел ниже, чем у большинства ФПК-конструкций, собираются с использованием недорогих, малошумящих ОУ. Например, LM833. Хотя ФПК, как правило, более «шумные», чем АФ, а они достигают динамических диапазонов порядка 80÷90 децибел — малошумящих для большинства сфер применения, при условии, что уровни сигнала, подаваемые на вход, достаточно велики (чтобы их уровень был выше шумов).

Тепловой шум — не единственное нежелательное воздействие, которое ФПК вносят в сигнальный тракт. Поскольку это тактируемые устройства, часть тактовой волны (порядка 10 милливольт амплитудного значения) попадёт на выход. Во многих случаях тактовая частота достаточно высока по сравнению с частотностью фильтруемого сигнала, так что шум стоит игнорировать или фильтровать с помощью пассивной RC-цепи на выходе. Но есть также сферы применения, где эффективность снижена из-за шума от тактовых импульсов.

Напряжение смещения

ПФ не имеют собственного напряжения смещения (НС). Когда они сделаны из ОУ, резисторов и конденсаторов, то оно будет простой НС-функцией операционных усилителей и коэффициентов усиления постоянного тока различных каскадов. Поэтому несложно построить модели со смещением менее милливольта, используя обычные методы.

ФПК имеют гораздо большие уровни смещения, в диапазоне от нескольких до примерно 100 милливольт. Существуют некоторые виды со смещением более 1 вольта! Очевидно, что они не подходят для сфер применения, требующих точности постоянного тока, если для коррекции их смещений не используются внешние схемы.

Диапазон частот

Один ФПК охватывает от 0.1Гц или менее до 100 килогерц или более. Пассивная или активная схема подходит для работы на сверхнизкочастотных сигналах, но потребуются очень большие и, вероятно, дорогие реактивные компоненты, в особенности КИ. Если АФ должен работать на 100кГц или выше, то требуется применение быстродействующих ОУ.

Гибкость

Хотя ПФ или АФ разрабатывается так, чтобы иметь почти любую ЦЧ, которая есть у ФПК, но трудно изменить её, не меняя значения нескольких компонентов. ЦЧ (или частота среза) пропорциональна тактовой и, следовательно, легко изменяется в диапазоне от 5 до 6 декад без изменения внешней схемы. Это серьёзное преимущество в сферах, где требуется несколько ЦЧ.

Количество компонентов и площадь печатной платы

Модели на коммутируемых конденсаторах легко побеждают в этой «номинации». Специализированные, однофункциональные монолитные фильтры не используют никаких внешних компонентов, кроме тактового генератора или кварцевого резонатора, даже для многополюсных (то есть высших порядков) передаточных функций, в то время как ПФ нужен конденсатор или КИ на полюс, а традиционные активные подходы требуют по крайней мере одного ОУ, двух резисторов и конденсаторов на фильтр второго порядка.

Конфигурируемые резисторами микросхемы на коммутируемых конденсаторах требуют четыре резистора, но они занимают меньше места, чем компоненты для альтернативных подходов.

Наложение спектров

ФПК — устройства с выборкой данных и поэтому подвержены наложению спектров, когда входной сигнал содержит частоты выше половины тактовой. Будет ли это иметь значение в конкретной сфере применения, зависит только от неё. Большинство имеют отношение тактовой частоты к центральной 50:1 или 100:1, поэтому частотности, на которых начинается наложение спектров, в 25 или 50 раз превышают ЦЧ.

Если нет сигналов с заметными амплитудами на таких частотах, наложение спектров не будет проблемой. В НЧ или полосовом применении наличие сигналов, почти таких же высоких, как тактовая частота, часто приемлемо. Поскольку, хотя они накладываются, но находятся в полосе задерживания и, следовательно, подавляются. Когда наложение перерастает в проблему, его иногда исправляют, добавив пассивный НЧ-фильтр типа RC перед ФПК, чтобы удалить некоторые нежелательные ВЧ-сигналы.

Это, как правило, эффективно, когда последний выполняет функцию ФНЧ или полосового фильтра, но это непрактично с ФВЧ или режекторными, поскольку пассивная конфигурация уменьшит ширину полосы пропускания.

Сложность проектирования

В зависимости от системных требований, любая разновидность фильтра имеет преимущество в этой категории, но ФПК, как правило, гораздо проще проектировать. Самым простым в использовании устройствам, таким как LMF40, не требуется ничего, кроме тактового генератора соответствующей частоты.

Сверхсложное устройство, такое как LMF120, требует немного больше проектных изысканий, чем выбор нужной микросхемы в каталоге производителя. Это требует применения некоторого специализированного приложения для моделирования и симуляции работы фильтров.

Даже универсальные, конфигурируемые резисторами решения, такие как LMF100, относительно легко проектируются. Процедура становится ещё более удобной для пользователя благодаря программам для расчёта от ряда поставщиков, которое поможет в создании устройств типа LMF100 и аналогичных.National Semiconductor предоставляет один такой пакет ПО бесплатно.

Программа позволяет пользователю указать желаемые характеристики, такие как частота среза, ширина полосы пропускания, подавление полосы задерживания и так далее, а затем определяет требуемые характеристики секций второго порядка, которые будут использоваться для построения. Она также вычисляет значения номиналов внешних резисторов и выдаёт данные амплитуды и фазы в зависимости от частотности.

Сферы применения

Где используют ФПК, а где лучше пассивный или активный фильтр? Рассмотрим несколько типов применений.

Средства связи, факсы, модемы, телефония, звукообрабатывающая аппаратура. ФПК выбирают в силу их точных ЦЧ и небольших требований к пространству на плате.

Подавление шума в системах передачи данных и телеметрии. Все эти сферы с успехом работают на ФПК либо АФ. Первые порой сталкиваются с проблемами, если полосы пропускания сигнала достаточно высоки относительно центральной или граничной частоты, что вызывает наложение спектров или высокое напряжение смещения. Проблемы зачастую можно легко устранить с помощью внешнего резистора и конденсатора, но если важна точность постоянного тока, лучше использовать АФ, построенный на прецизионных ОУ.

Управляемая фильтрация переменной частоты (анализаторы спектра, многофункциональные фильтры, программно-управляемые сигнальные процессоры, частотные синтезаторы). ФПК лидируют в областях, где нужны несколько ЦЧ, поскольку их центральные частоты контролируются внешней тактовой частотой, которую легко изменить. Более того, один фильтр охватывает ЦЧ-диапазон в 5 декад. Регулировка частоты среза ПФ или АФ намного сложнее и требует либо аналоговых переключателей (подходит для небольшого количества ЦЧ), либо усилителей, управляемых напряжением (неточная ЦЧ), либо цифро-аналогового преобразователя (сверхточные, но в узком диапазоне управления).

Обработка звука (регулировка тембра, шумопонижение, фильтрация, активные кроссоверы акустических систем). ФПК слишком шумные для аудиообработки в аппаратуре класса Hi-Fi и тем более, Hi-End. При типичном динамическом диапазоне около 80–90Дб они дают отношение сигнал/шум 60÷70Дб (при запасе по уровню 20Дб). Кроме того, поскольку аудиофильтрам в среднем приходится обрабатывать три декады частот сигнала одновременно, открывается вероятность проблем с наложением спектров. Фильтры ПФ/АФ — лучше для общего применения в отрасли обработки звука.

Фильтры имеются в составе почти всей электронной аппаратуры. В устройствах связи они фильтруют промежуточные частоты, в оборудовании звукообработки и даже в блоках питания подавляют помехи электрической сети.

Это универсальный узел, который не канет в Лету, а, наоборот, обзаводится ультрасовременными схемотехническими решениями. Но даже сегодня привычные уже схемы легко справляются с задачами, которые перед ними ставят инженеры-электроники. Главное, чтобы сами инженеры понимали, что они хотят от них.


Понравилась статья? Поделитесь ей в ваших социальных сетях:
Электрические принципиальные схемы: что это и зачем
Принципиальная схема — это язык электроники, без которого не обойтись ни в ремонте, ни в разработке устройств. Разбираемся, как её читать, понимать логику и видеть структуру прибора.
Электрические принципиальные схемы: что это и зачем 1.5K
Электрические принципиальные схемы: что это и зачем
Чтение электрических схем: условные обозначения
Полный гид по условным обозначениям в электронике — учимся понимать язык принципиальных схем.
Чтение электрических схем: условные обозначения 2.7K
Чтение электрических схем: условные обозначения
Диагностика протоколов в электронике 2026: новые интерфейсы и инструменты инженера
Как изменились протоколы к 2026 году и как теперь их диагностировать информация с статье магазина Суперайс
Диагностика протоколов в электронике 2026: новые интерфейсы и инструменты инженера 276
Диагностика протоколов в электронике 2026: новые интерфейсы и инструменты инженера