Что такое операционный усилитель?
Операционный усилитель (ОУ) - это многокаскадный электронный усилитель постоянного тока, оснащённый дифференциальным входом и обычно одним выходом. Это устройство обладает огромным коэффициентом усиления. Хотя ОУ был разработан давно, он имеет долгую историю и обширную сферу применения, и наиболее часто используется в схемотехнических решений в электронной технике.
В статье разберем для чего нужен ОУ, наиболее применяемые схемы включения ОУ и методиками расчёта их параметров. В практической части, разберем схему устройства, одновременно позволяющую понять, каким образом работает операционный усилитель, а также произвести проверку его исправности.
Время чтения: 17 минут
История создания
Операционный усилитель был придуман в конце 30-х - начале 40-х годов прошедшего века. Он был разработан для выполнения математических операций (отсюда и появилось название - операционный усилитель) в составе первых аналоговых электронных вычислительных машин (сложение, вычитание, а также интегрирование, дифференцирование и др.). Среди первых задач, которые решались при помощи усилителя, были преобразование постоянного сигнала и моделирование аналоговых процессов.
Первые выпускаемые промышленностью серийные операционные усилители выполнялись на радиолампах, позже появились транзисторные модели. В 60-х годах в США компанией Fairchild Semiconductor был разработан первый в мире ОУ в виде микросхемы. С того времени практическое применение первых устройств на радиолампах и транзисторах почти полностью прекратилось и само название «операционный усилитель» устойчиво закрепилось за номенклатурой микросхем ОУ различных видов и сфер применения. Операционные усилители остаются важнейшим элементом в цепях обработки аналогового сигнала, особенно в схемах с высоким коэффициентом усиления.
Основы функционирования
Условное графическое изображение
На электрических принципиальных схемах операционный усилитель обозначается:
[Vin+] - неинвертитующий (прямой) вход;
[Vin-] - инвертирующий (обратный или инверсный) вход;
(неинвертирующий и инвертирующий входы вместе называются дифференциальным входом)
[Vout] - выход;
[V+] - положительный полюс источника питания (Vdd, Vcc);
[V-] - отрицательный полюс источника питания (Vss, Vee).
Для устранения информационной загруженности электрической принципиальной схемы знаки + и - внутри треугольника не обозначают, но для распознавания конкретного типа входа на схеме инвертирующий вход дополняют небольшой окружностью:

С той же целью в большинстве схем не обозначают выводы подключения питания устройства:

Реализация питания
Кроме отдельных версий ОУ, работающих на однополярном питании, оптимальным (но не обязательным) для операционных усилителей является двухполярное электропитание. Питание влияет не только на режимы работы устройства, но и на его предельные параметры, такие как скорость нарастания сигнала или максимально допустимое напряжение на выходе.
На схеме ниже источник питания обозначен в виде двух гальванических элементов (батареек). На практике помимо гальванических элементов могут использоваться аккумуляторы, трансформаторные и импульсные блоки питания. Тип источника питания подбирается в зависимости от предполагаемой схемы включения и требований к устойчивости выходного сигнала. Относительно средней точки, обозначаемой знаком ⏚ напряжения [V+] и [V-] должны быть равны, но большинство ОУ допускают некоторый перекос, величина которого отражается в технической документации. Обозначения на схемах питания и сигнальных линий обязательно должны соответствовать стандарту УГО, особенно при разработке сложных многоканальных устройств.

Вывод средней точки источника питания обычно не подключается к ОУ, и одновременно является еще и общим сигнальным проводником.
При необходимости (к примеру, при питании устройства от бортовой сети автомобиля) возможно подключение и однополярного источника питания.
При подобной схеме подключение средняя точка создаётся искусственно при помощи резистивного делителя напряжения. Сопротивление резисторов R делителя, как правило, выбирают одинаковым, чтобы значение электрического потенциала средней точки делителя составляло половину питающего напряжения.
Принцип работы
Дифференциальный вход (от лат. differentia - «разность») устройства состоит из неинвертирующего [Vin+] и инвертирующего [Vin-] входов.
Идеальный ОУ усиливает разницу напряжений на них. Синфазный сигнал (то есть совпадающий по величине и фазе на обоих входах) не влияет на результирующее напряжение. Чтобы определить Vout на выходе идеального ОУ, потребуется формула:

где V1 и V2 - напряжение на неинвертирующем и инвертирующем входах соответственно, K - коэффициент усиления при отсутствии обратной связи.
У реального ОУ, ввиду временного и температурного дрейфа нуля, отсутствия полной стабилизированности источника питания, собственных шумов и деградации полупроводника, Vout не будет в точности соответствовать расчётному.
Синфазная составляющая с нулевым коэффициентом усиления у идеального ОУ, в реальном устройстве будет влиять на выходной сигнал. Но так как параметры современных интегральных операционников близки к идеальным, то в большинстве случаев, особенно в радиолюбительских конструкциях, погрешностью можно пренебречь.
Значение коэффициента K для идеального ОУ равняется бесконечности, для типового реального - 10⁵ ÷ 10⁶ и более. Малая разность между V1 и V2 будет приводить к возникновению на выходе Vout, параметры которого будут близки к напряжению источника питания. При однополярном питании важно правильно задать уровень виртуального нуля, чтобы обеспечить корректную работу усилителя в линейном режиме.
На практике такая схема (без обратной связи) включения не используется, за исключением схемы компаратора (см. раздел "Типовые схемы включения"). Для обеспечения предсказуемости работы прибора применяется отрицательная обратная связь (ООС), реализуемая путем подачи части Vout на инвертирующий вход [Vin-].
Параметры идеального операционного усилителя и его отличие от реального
- Коэффициент усиления ОУ при отсутствии обратной связи K равен бесконечности. У реального усилителя он находится в диапазоне 10⁵ ÷ 10⁶, а если используется ООС, то коэффициент вовсе может быть уменьшен вплоть до 1 (повторитель, см. раздел "Основные типы") и тогда значение K вообще никак не сказывается на работе ОУ.
- Выходное напряжение Vout распологается в диапазоне от минус бесконечности до плюс бесконечности. На практике Vout ограничено диапазоном питающего напряжения.
- Входное сопротивление равно бесконечности. У реального усилителясопротивление очень велико, но всё же не нулевое, и хоть в незначительной степени, но всё же влияет на входной сигнал.
- Вытекающие из предыдущего пункта, имеющие нуль входной ток и напряжение смещения (Vout=0, при V1=V2)
- Полоса пропускания бесконечно широкая и скорость, с которой нарастает выходное напряжение, бесконечно большая. Реализовать на практике это не представляется возможным.
- Отсутствие собственных шумов.
- Степень подавления (коэффициент подавления) синфазной составляющей сигнала равна бесконечности.
- Отсутствие влияния шумов и пульсаций источника питания ОУ на Vout.
- Выходное сопротивление равняется нулю. У реального ОУ выходное сопротивление отлично от нуля, и поэтому выходной ток влияет на величину выходного напряжения, или, другими словами, со снижением сопротивления нагрузки выходное напряжение падает.
Типовые схемы включения операционных усилителей
Все расчёты дают верный результат только для идеального ОУ (см. раздел "Идеальный и реальный операционные усилители"). Результат расчёта будет не соответствовать измеренным параметрам реального операционного усилителя на величину погрешности. Погрешность в коэффициенте усиления может зависеть от температурных характеристик и нестабильности питающих напряжений.
Компаратор

Компаратор (от лат. comparare - “сравнивать”) - простейшая схема включения ОУ. Принцип работы заключается в сравнении входных напряжений и выдаче постоянного напряжения на выходе усилителя V+, если V1 > V2, или V-, если V1 < V2:

Компаратор применяется в цепях автоматики (к примеру, сравнение показаний двух датчиков температуры) и используется в качестве простейшего аналогово-цифрового преобразователя (АЦП).
Повторитель напряжения

Повторитель имеет аналогичное значение напряжения как на выходе, так и на входе. Коэффициент усиления равен 1. Повторитель служит буферным усилителем, для согласования нагрузки в цепи Vout, имеющей малое сопротивление с высоким выходным сопротивлением источника Vin.
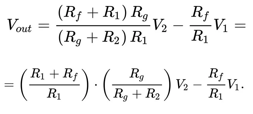
Дифференциальный усилитель

Дифференциальный усилитель на ОУ- электронный усилитель с Vout равным разности V1 и V2, помноженной на константу:

Чтобы диф. усилитель усиливал только разность V1 и V2, и не воспринимал синфазную составляющую, необходимо соблюсти соотношение сопротивлений резисторов:

При таком соотношении коэффициент усиления синфазной составляющей станет равным нулю, и Vout будет зависеть только от разности V1 и V2:

Дифференциальный усилитель предназначен для применения в сигнальных цепях, в которых полезную информацию несёт не конкретное значение напряжения относительно общего проводника, а разность напряжений между двумя сигнальными линиями. Благодаря высокой чувствительности к разности сигналов, дифференциальный режим позволяет надёжно устранять синфазные наводки.
Простейшим примером является разность потенциалов между выводами резистора малого сопротивления, включённого последовательно с нагрузкой и используемого в качестве датчика тока. Измерение тока в таких схемах позволяет контролировать работу устройства в реальном времени.
Линии связи, применяемые в цифровой технике выполнены по дифференциальной схеме, при которой информация передаётся по парам проводов (Ethernet, CAN, USB, HDMI и многие другие). Синфазные помехи, воспринимаемые линией связи во время работы, одинаково влияющие на оба проводника в паре, нетрудно подавить во входном дифференциальном усилителе. Схемы такого типа обеспечивают стабильную передачу данных даже при сильных внешних помехах.
Инвертирующий усилитель на ОУ

Данный тип инвертирует входной сигнал и, в зависимости от соотношений сопротивлений резисторов Rin и Rf на выходе Vout усиливает/ослабляет/повторяет входное напряжение:

Коэффициент усиления операционного усилителя бывает, как положительным (усиление), так и отрицательным (ослабление) и равным единице (повторение).
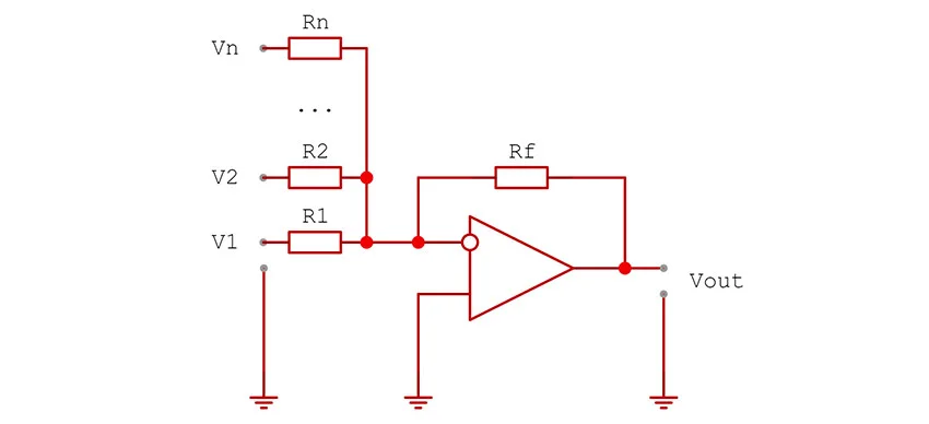
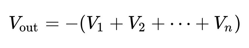
Схема имеет разновидность, называемую инвертирующий усилитель-сумматор:

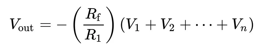
Схема на выходе Vout выдаёт напряжение, равное сумме входных напряжений:

если R1=R2=...=Rn, то:

если R1=R2=...=Rn=Rf, то:
Неинвертирующий усилитель на ОУ

В схеме Vout равно Vin, умноженному на положительную константу:

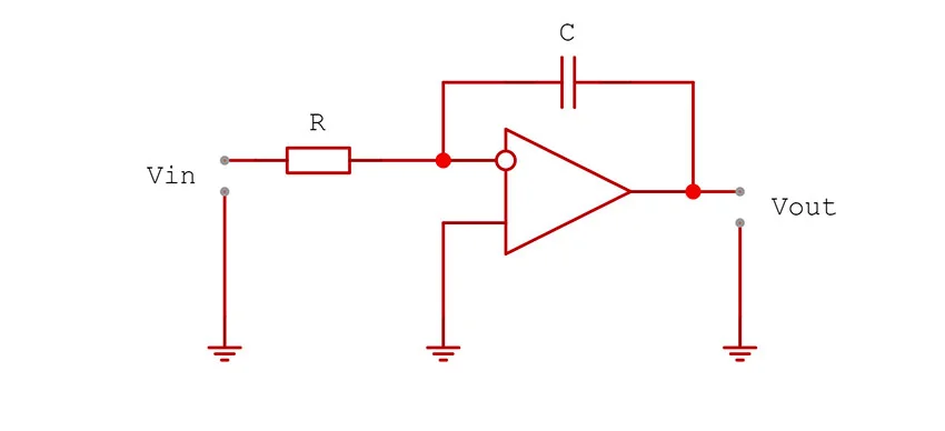
Интегратор

Схема на выходе Vout выдаёт инвертированное напряжение численно равное интегралу Vin по времени t. Значение выходного напряжения в момент t (Vinitial) определяется формулой:

где Vinitial в момент t = 0.
Стоит учесть, что при схеме включения ОУ перестает быть усилителем постоянного тока, поскольку отрицательная обратная связь реализована через конденсатор с бесконечно большим сопротивлением постоянному току.
Интеграторы применяется в различных системах автоматики, требующих вычисления интеграла (как правило, по времени). К таким системам относится радионавигационное оборудование, системы курсовой устойчивости, системы контроля и учёта потребления жидкости, газа и множество других.
Схему можно рассматривать как фильтр нижних частот (ФНЧ), используемый в различной звуковоспроизводящей, радиопередающей и радиоприемной аппаратуре.
Дифференциатор

Такая схема включения дифференцирует по времени и инвертирует Vin и на даёт выходе Vout, определяемое по формуле:

Схему можно рассматривать как фильтр верхних частот (ФВЧ), который, совместно с фильтром низких частот применяется в различных устройствах автоматики и обработки аналоговых сигналов.
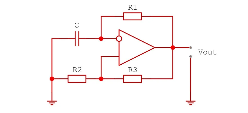
Генератор

Схема автоколебательного генератора (мультивибратора) прямоугольных импульсов основана на предыдущей схеме дифференциатора на операционном усилителе, в цепи которого введена положительная обратная связь, образованная резисторами R2 и R3. Частота импульсов зависит от времязадающей цепочки R1C и определяется по формуле:
Пиковый детектор

Пиковый детектор - устройство, предназначенное для «запоминания» пикового (минимального или максимального) значения входного сигнала Vin. «Ячейкой памяти» является конденсатор С, заряжаемый экстремумами напряжения через диод D.
Для «стирания» «сохранённого» пикового значения замыкают ключ K: через него конденсатор разряжается и значение напряжения на его обкладках становится равным нулю. После размыкания ключа устройство вновь готово к работе. Для сохранения отрицательного экстремума Vin полярность включения диода меняется на противоположную.
В реальных устройствах ключ K является электронным, выполненным, например, на транзисторе, и управляется логической часть устройства.
В качестве примера совмещения интегратора, дифференциатора и пикового детектора можно указать устройство, которое встречается в звуковоспроизводящей аппаратуре, предназначенное для индикации пиковых уровней сигнала на различных частотах.
Виды
Номенклатура операционных усилителей широка, поэтому описать все виды этого электронного прибора невозможно. Приведем основные виды, применяемые в массовой аппаратуре и радиолюбительских конструкциях.
- Широкого применения. В эту группу входят как недорогие, «классические» ОУ, так и имеющие наиболее усреднённые базовые параметры. Использоваться могут как в аналоговых, так и в цифровых схемах. Примером могут служить TL084, и знакомый всем радиолюбителям сверхпопулярный LM324, выпускаемые отечественной промышленностью КР140УД1А, КР544УД1А и другие.
- Звуковые ОУ как ясно из названия, применяются для усиления сигнала звуковой частоты. Имеют крайне низкий коэффициент нелинейных искажений. Наиболее популярными в промышленных и авторских конструкциях звуковых усилителей являются ОУ TL072, LM4562, AD797 и некоторые другие.
- Малошумящие ОУ применяются во входных каскадах звукоусиливающей аппаратуры, к примеру, в RIAA-корректорах высококлассных проигрывателей виниловых дисков. Примером могут служить OPA2180, NE5532.
- Прецизионные ОУ имеют высокую временную стабильность параметров. Основное применение - схемы точного измерения характеристик сигнала, а конкретнее, входные цепи измерителей аналоговых величин: напряжения, температуры и т. п. В качестве примера можно выделить морально устаревший, но популярный AD707 и более современный AD8551.
- Сильноточные (мощные) ОУ применяются в качестве драйверов исполнительных органов различной аппаратуры. Примером может служить L2722 с током нагрузки до 1 ампера и используемый для управления коллекторными микродвигателями цепей автоматического регулирования. Данный ОУ так же нашел применение в качестве усилителя мощности звуковой частоты в недорогой аппаратуре.
Практическая часть
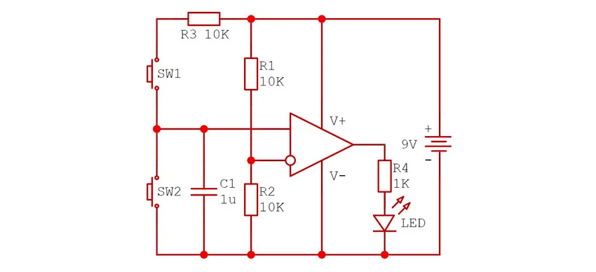
В практической части будет рассмотрена схема простого устройства, позволяющего понять, как принцип работы прибора, так и произвести проверку его работоспособности. Схема устройства представлена ниже.

Основа схемы - операционный усилитель. Тип ОУ не указан, так как устройство будет работоспособно с любым широко распространённым маломощным представителем оборудования этого класса. Номиналы других электронных компонентов указаны на схеме. Для стабильной работы выходного сигнала важно соблюдать условия правильного включения и выбора номиналов компонентов.
Те, кто только знакомится с операционными усилителями, но внимательно прочёл статью, уже заметили, что в данной схеме ОУ включён по схеме компаратора напряжения с однополярным питанием.
Принцип работы устройства очень прост. На инвертирующий вход испытуемого операционного усилителя напряжение подаётся через резистивный делитель, образованный резисторами R1 и R2. Номиналы обоих резисторов одинаковые и в их общей точке, подключенной к инвертирующему входу ОУ, напряжение составит ½ питающего напряжения, то есть около 4.5 вольт. Подобные схемы находят широкое применение в пороговых устройствах, где важно отследить превышение уровня сигнала.
В момент подключения устройства к источнику питания конденсатор C1 будет разряжен и напряжение на неинвертирующем входе ОУ, подключенного к этому конденсатору будет равно нулю.
Напряжение на выходе компаратора определяется по следующей формуле (см. раздел "Типовые схемы включения"):
По формуле, если V2 на инвертированном входе превышает V1 на неинвертированном входе ОУ, то Vout станет равным отрицательному напряжению питания. В нашем случае при однополярном питании Vout будет равно 0 и светодиод LED, подключенный через токоограничивающий резистор R4 светиться не будет из-за отсутствия тока в этой цепи.
Если нажать кнопку SW1, то конденсатор C1 начнет через резистор R3 заряжаться от источника питания, и как только напряжение на его выводах (соответственно и на неинвертированном входе ОУ) превысит напряжение на инвертированном входе ОУ, то компаратор сменит своё состояние. Тогда напряжения на выходе и источника питания сравняются, то есть 9 вольт, что приведёт к появлению тока в цепи светодиода и его свечению. Это состояние остаётся до тех пор, пока конденсатор не разрядится, что делает схему удобной для кратковременной фиксации уровня сигнала.
После отпускания кнопки SW1 светодиод продолжит светиться. Конденсатор С1 можно разрядить принудительно с помощью кнопки SW2, которая замыкает его накоротко. После разрядки конденсатора С1 светодиод гаснет.
Отсутствие свечения светодиода после нажатия кнопки SW1, либо, наоборот, присутствие свечения после нажатия кнопки SW2, тусклое «вполнакала» свечение светодиода при нажатии на любую из кнопок сообщает о неисправности тестируемого операционного усилителя.
Устройство несложное схемотехнически и довольно просто собирается на любой макетной плате, к примеру, на Breadboard MB-102. Все электронные компоненты можно найти в любом образовательном наборе на основе платформы Arduino, например, в многофункциональном расширенном наборе Arduino Starter Kit UNO R3.

В качестве испытуемого операционного усилителя использовался широко распространённый TL072 компании TexasInstruments.

В качестве источника питания для устройства можно применить любую батарейку 9 вольт. Подойдет самая обыкновенная «крона», либо аккумулятор с близкими параметрами, либо сетевой блок питания. Выбор источника питания должен учитывать параметры выходной мощности и стабильность напряжения. В моём случае напряжение питания подавалось через лабораторный блок питания Maisheng MS-3010D, который просто обязан быть в мастерской у любого радиолюбителя.
Блок питания обладает высокой точностью выходных параметров, способен выдавать напряжение до 32 вольт при силе тока более 10 ампер. Блок имеет хорошую перегрузочную способность и высокое общее качество изготовления.

Погрешность установки выходного напряжения Maisheng MS-3010D не превышает 0.01 вольта: показания блока питания в точности соответствуют показаниям мультиметра ANENG M20, имеющего точность измерения ±0.5%, множество других отличных функций, к которым, к примеру, можно отнести TrueRMS, позволяющую с высокой точностью измерять действующее напряжение переменного тока любой частоты. Автоматический выбор предела измерения, который защитит ваш измерительный прибор от повреждений, даже если случайно подать высокое напряжение. Индикатор электромагнитного поля, который помогает в поиске скрытой электропроводки, в бесконтактной проверке.
Операционный усилитель, разработанный более 60 лет назад, имеющий в основе радиолампы и созданный для выполнения операций, которые использовались в математике на первых в те годы электронных вычислительных машинах претерпел за свою историю видоизменения.
Сфера применения компонента также значительно расширилась: встретить его можно и в импульсном блоке питания, и в усилителе звуковой частоты, и в любом устройстве автоматики. И все без исключения параметры были улучшены, что позволило ОУ стать универсальным электронным компонентом, способным к выполнению множества практических задач в промышленной технике и в радиолюбительских конструкциях.