Как стабилитрон обеспечивает защиту от перенапряжения в цепи?
Защита от перенапряжения необходима для того, чтобы избежать повреждений в результате электрических переходных процессов. Защита отключает источник питания или отключает только выход, когда напряжение превышает заданный уровень.
В приборах используется специальная электрическая схема, которая исключает повреждение электронных компонентов при возникновении перенапряжения. Схема защиты от перенапряжения (OVP, от англ. – overvoltage-protect) обнаруживает, а затем быстро снижает величину поступившего импульса.
В этой статье мы разберем принцип работы наиболее распространенной защиты OVP, основанный на эксплуатации стабилитрона.
Время чтения: 9 минут
В этой статье рассмотрим:
Как стабилитрон защищает от перенапряжения в цепи?
Общие сведения
Разные устройства работают при разных уровнях напряжения, при этом для цифровой техники самыми распространенными уровнями являются: 3,3 В, 5 В, а также 12 В. Однако каждая конструкция индивидуальна, поэтому в них часто есть более одного рабочего напряжения. Это естественное явление для большинства устройств. Например, стандартный компьютерный импульсный блок питания (БП) работает с пятью различными уровнями, а именно с +3,3В, +5В, +12В, а также -5В и -12В. Когда для питания компонентов используются различные уровни напряжения, то существует опасность выхода из строя низковольтных цепей. Чаще это вызывается подачей на них слишком высокого уровня потенциала. Поэтому, чтобы избежать этого, проектировщик должен внедрять в проекты нескольких видов защитных схем.
Для любой детали или электросхемы существует три вида номинальных напряжения, а именно минимальное рабочее, рекомендуемое или нормативное рабочее, а также максимально допустимое рабочее. Для большинства цепей или элементов любое значение, превышающее максимальную рабочую величину, приводит к их выходу из строя. Использование OVP на базе стабилитрона, или как его еще называют диод Зенера, - распространенное и экономичное решение.
Основы защиты входного сигнала стабилитрона
Чтобы сделать электросхему, защищающую от перенапряжения, часто первым вариантом решения становятся диоды Зенера.
Эти элементы работают аналогично классическим диодам, которые блокируют протекание тока в обратном направлении.Однако у них есть и недостаток - стабилитрон блокирует протекание тока в обратном направлении только для напряжения, определяемого номинальными параметрами элемента. Например, если компонент рассчитан на 5,1 В, то он блокирует протекание тока в противоположном направлении до 5,1В. И если потенциал превысит величину в 5,1 В, то это позволит току свободно протекать через него. Эта особенность диода Зенера делает его отличным компонентом для конструирования защиты от перенапряжения.
Простейшая схема защиты от перенапряжения с использованием стабилитрона
Рассмотрим электросхему, где требуется защитить микроконтроллер. Все, что превышает максимально допустимое значение в 5 В, поступая на контакты ввода-вывода микроконтроллера, приведет к его повреждению.

Элемент, используемый в приведенной схеме, это диод Зенера с характеристикой в 5,1 В. Элемент может пропускать ток и ограничивать напряжение до 5,1 В, в случае если оно превышает 5,1 В. На практике этот элемент будет вести себя как обычный диод и блокировать напряжение менее 5,1 В
Изображение ниже - модель защитной схемы на базе диода Зенера. Чтобы получить полные характеристики работы OVP, вы можете смоделировать схему защиты в симуляторе или воссоздать «в железе», скорректировав параметры в соответствии с вашими требованиями.

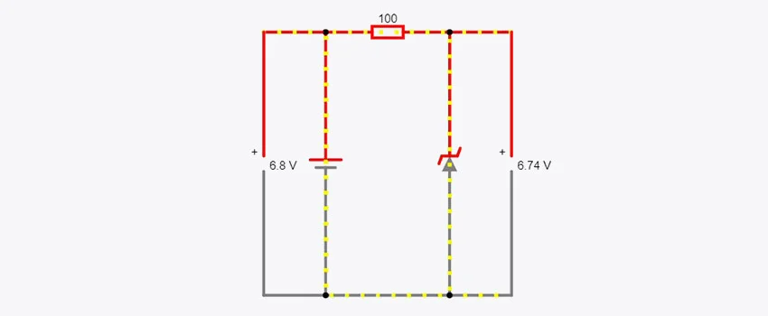
На приведенную схему подается питание от источника постоянного тока (Input DC Supply). Два компонента, R1 и VD1, защищают потребителя, ограничивая потенциал на выходе. Здесь в качестве диода Зенера используется компонент 1N4099 (VD1). Когда на входе достигается величина в 6,8 В, срабатывает защитная функция. Здесь стабилитрон 1N4099 выступает источником опорного напряжения, не давая достичь высоких значений потенциала на выходе (Output DC Supply).
Давайте посмотрим, как приведенная нами электросхема работает, ограничивая потенциал на выходе не более чем 6,8 В. Используя симуляцию, смоделируем работу описанной нами схемы. При подаче на вход 6 В выходной сигнал остаётся неизменным, на том же уровне, порядка 6 В (рис. 3).

Если на входе достигается 6,8 В, то на выходе также будет значение близкое ему – 6,74 В (рис. 4). Несоответствие обусловлено незначительными потерями в элементах нашей электросхемы. Это несущественное отклонение.

Давайте еще больше увеличим входной потенциал и сымитируем режим перенапряжения.
Теперь потенциал на входе составляет 7,5 В, что существенно больше, чем 6,8 В. OVP существенно ограничивает потенциал на выходе. В нашем примере он составляет 6,81 В (рис. 5).

Именно таким образом стабилитрон обеспечивает успешную защиту подключенных схем от перенапряжения. По окончании режима перенапряжения, когда входной потенциал вернется к нормальному уровню, менее 6,8 В, данная схема продолжит эффективно работать, до возникновения следующей нештатной ситуации.
Преимуществом диода Зенера является то, что он не перегревается и не выходит из строя при срабатывании OVP, в отличие от предохранителя.
Для обеспечения защиты цепей с другими номинальными значениями, в приведенной нами схеме можно заменить стабилитроны на другие, с более высокими пределами ограничения перенапряжения. Такими как, например, 3,3 В, 5,1 В, 9,1 В, 10,2 В.
Как выбирать стабилитрон для защиты цепи?
Выбор диода Зенера с необходимыми характеристиками - важный этап разработки OVP.
Вот несколько пунктов, как выбрать электронный компонент.
Определите рабочее напряжение стабилитрона
Это та величина, которая будет ограничиваться схемой OVP, защищая потребителя от перенапряжения. В нашем примере, на симуляторе, это значение составляет 6,8 В. Если нет электронного компонента с подходящими для защищаемой цепи параметрами, то выбираем ближайшее значение. Например, для защиты от линий до 7 В подойдет диод Зенера с ближайшим параметром в 6,8 В.
Рассчитайте ток нагрузки, которая будет подключена через OVP
Для нашего примера, рассмотренного ранее, максимальный ток нагрузки составляет 50 мА. Помимо него, еще нужно учесть ток утечки стабилитрона. Поэтому, общая величина будет определяться суммой токов нагрузки и утечки. Для выбранного нами 1N4099 ток утечки составляет 10 мА (информация их даташита компонента). Тогда суммарный ток будет составлять: 50 мА + 10 мА = 60 мА.
Определите рассеиваемую мощность диода Зенера
Есть деление стабилитронов по рассеиваемой мощности. Знать этот параметр необходимо для того, чтобы быть уверенным в эффективном отводе тепла диодом Зенера в процессе работы.
Мощность определяется на основе максимально допустимого тока утечки , который составляет 10 мА, для нашего примера. Для ее определения величину токовой утечки перемножаем со значением стабилизированного напряжения – 6,8В. В таком случае максимальная рассеиваемая мощность составляет: 0,01 А * 6,8 В = 0,068 Вт или 68 мВт. Это значительно ниже максимально допустимых 500 мВт для 1N4099. Следовательно, элемент нам подходит.
Рассчитайте сопротивление ограничивающего резистора
Ограничивающий или балластный резистор применяется для отвода избыточной энергии при перенапряжении . Основными учитываемыми характеристиками являются сопротивление и мощность резистора. Они определяются исходя из того, какой максимальный потенциал может быть подан на цепи OVP. И в первую очередь на это влияют характеристики источника питания.
Допустим, что на защищаемый компонент максимально может быть подано 14 В. В таком случае падение напряжения через ограничивающий резистор составит: 14 В – 6,8 В = 7,2 В. Тогда, согласно закону Ома, сопротивление резистора должно составлять: 7,2 В / 0,060 А = 120 Ом.
Выбирается ближайшее стандартное значение резистора – 120 Ом.
Определите мощность балластного сопротивления
Неверный выбор рассеиваемой мощности резистора приведет к его быстрому выходу из строя. Поэтому учет этого параметра также важен, как определение величины сопротивления.
Величина мощности, которую нужно рассеять балласту, определяется произведением протекающего через него тока и действующего падения напряжения : 0,060 А * 7,2 В = 0,432 Вт. Выбирается ближайшая большая мощность из стандартного ряда, она составляет 0,5 Вт.
Конечно, у такого рода схем также есть свои недостатки. В первую очередь это наличие рассеиваемой мощности на ограничивающем резисторе. Эти потери энергии снижают эффективность OVP.
Однако схемы собранные на основе диодов Зенера остаются самыми простыми, напряжение остается регулируемым, а стоимость таких конструкций намного ниже по сравнению с другими.