Как выбрать электронную нагрузку
Раньше для того чтобы проверить, например, блок питания под нагрузкой, использовали простейшие решения: резисторы или лампочки. Но с распространением мощных полупроводниковых компонентов, а также появлением не менее мощных источников питания стало возможным сделать этот процесс удобнее, применив электронный эквивалент нагрузки.
В этой статье мы расскажем о типах электронных нагрузок и их основных режимах работы. Постараемся сориентировать, на какие основные рабочие характеристики нагрузок стоит обратить внимание.
Время чтения: 27 минут
- Особенности и характеристики электронных нагрузок
- Электронная нагрузка своими руками
- Собираем простейшую нагрузку
- Готовые силовые модули
- Тестеры с контроллером управления
- Электронная нагрузка для проверки аккумуляторов
- Универсальные тестеры для разноплановых работ
- Программируемые электронные нагрузки
- Нагрузки для лаборатории
- Итог: кратко о главном
Электронная нагрузка: на что обратить внимание
Функция нагрузки – электронной или с мощными резисторами – переводить отбираемую от источника энергию в тепло, поэтому большую часть у них занимает силовой узел с системой охлаждения. Исключение составляют электронные нагрузки с функцией рекуперации, возвращающие до 95% энергии обратно в сеть, но они дороги и встречаются редко.
Все остальное уже влияет только на точность измерения и сервисные возможности. Поэтому первое, что вы увидите при осмотре - это большой радиатор и вентиляторы.
Соответственно при выборе нагрузки надо отталкиваться от следующих критериев:
- Бюджет: производительные нагрузки дорого стоят.
- Требуемые параметры. Как правило, это мощность, ток и напряжение.
- Наличие четырехпроводного подключения, важно для работ с большими токами.
- Подключение к компьютеру для построения графиков и управления.
- Функциональные возможности, как при автономной работе, так и при работе с компьютером.
- Точность измерения и установки параметров. В некоторых ситуациях пониженная точность никак не сказывается на тестах, поэтому здесь можно сэкономить.
Если при выборе характеристик все понятно и логично, то насчет максимального напряжения стоит сказать отдельно. Общая цепь измерения включает в себя провода, разъемы, токоизмерительные шунты и силовой узел. При этом минимальное падение на транзисторах зависит от того, на какое напряжение они рассчитаны и, купив нагрузку рассчитанную на большое напряжение «с запасом», можно попасть в ситуацию, когда она не сможет создать заявленный ток при малом напряжении.
Простые электронные нагрузки работают в режиме генератора тока, то есть они стабилизируют ток в цепи подключенного к ним источника, но это не подходит для тестирования источников, которые сами являются генераторами тока, например зарядных устройств. Для упрощенного понимания можно сказать, что источник напряжения (блок питания, аккумулятор) нагружают стабилизатором тока, а источник тока (зарядное устройство) соответственно стабилизатором напряжения, в противном случае они будут конфликтовать.
На самом деле, режимов больше двух, но основных четыре:
- CC или Constant Current – стабилизация тока.
- CV или Constant Voltage – стабилизация напряжения, нагрузка не дает напряжению подняться выше установленного значения путем увеличения тока.
- CP (CW) или Constant Power – стабилизация мощности, устройство варьирует ток так, чтобы потреблялась установленная мощность.
- CR или Constant Resistance – стабильное сопротивление, автоматическое изменение тока нагрузки в зависимости от входного напряжения.
Кроме того, если для резистора или лампочки род тока не имеет значения, то электронные нагрузки делятся на два класса — постоянного и переменного тока.
И, конечно, нагрузки различают по сервисным функциям: самые простые, с обычным ампервольтметром; более сложные, c микроконтроллером, умеющие считать прошедшую через них емкость; модели с подключением к компьютеру; программируемые электронные нагрузки, для которых задается алгоритм работы, эмуляция нагрузки с пульсирующим током, комбинации режимов, функции анализа и пр.
Чаще всего силовой узел строится на базе полевых транзисторов. Управлять ими несложно, но важнее то, что они нагружают источники почти от нулевого напряжения. Существуют также электронные нагрузки на биполярных транзисторах, которые лучше работают в линейном режиме. И третий вариант — IGBT транзисторы. Применяются там, где нужна большая мощность.
Собираем электронную нагрузку своими руками
Нагрузка из нескольких компонентов
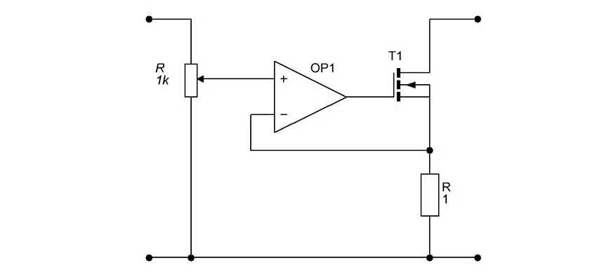
Простейшую электронную нагрузку, работающую в режиме CC (как, впрочем, и CV) можно сделать самому из нескольких компонентов: операционного усилителя, транзистора и пары резисторов. Она конечно, будет иметь недостатки, но будет работать.
Переменным резистором задаем ток, а постоянный используется в качестве измерительного.
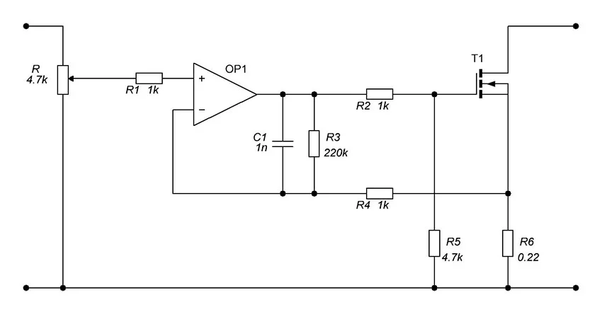
Для повышения стабильности работы схему придется усложнить, но все равно она будет доступна для повторения начинающему радиолюбителю. На рисунке ниже расположена схема электронной нагрузки.
Такой же вариант существует и в готовом виде. Он нагружает током до 10 А источники с напряжением до 100 В и с мощностью до 75 Вт. Для подобной платы потребуется докупить только радиатор, маломощный блок питания и переменный резистор для регулировки тока.
|
Но у показанных выше вариантов схем есть недостатки: малая мощность, а если собирать самому, то придётся искать и покупать отдельные компоненты, изготавливать печатную плату и т.д. Поэтому для начинающего радиолюбителя подойдёт набор комплектующих для сборки электронной нагрузки на ОУ lm324 в который входит все, что нужно. |
![]()
|
![]() |
После сборки останется подобрать подходящий по размеру радиатор и электронная нагрузка готова. Для повышения стабильности работы рекомендуется заменить комплектные конденсаторы емкостью 1 нФ на другие в диапазоне 22-47 нФ. В итоге вы получите электронную нагрузку 150 Вт (при соответствующем радиаторе) с режимом CC. При желании она может быть доработана для работы в режиме CV и даже CP, но это тема другой статьи. |
Заготовки с электроникой и системой охлаждения
Если хочется большего, то радиолюбители могут обратить внимание на «полуфабрикаты» или готовые силовые модули, которые уже имеют электронику и систему охлаждения, они рассчитаны на мощность 100-300 Вт, имеют варианты конфигурации по току и напряжению.
В этом плане выделяются модули Sousim. Они могут быть разной мощности и даже с возможностью управления по RS485. Но даже простые, с регулировкой при помощи переменного резистора, могут работать не только в режиме CC, но и в режиме CV и имеют «на борту» микроконтроллер, который следит за перегрузкой и температурой, а также управляет установленными вентиляторами в зависимости от температуры и мощности.

Если такие модули дополнить небольшим блоком питания и ампервольтметром, то можно собрать электронную нагрузку постоянного тока, простую и функциональную.
Электронная нагрузка на микроконтроллере
|
Следующим шагом будут устройства, содержащие в составе не только силовую часть, но и контроллер управления. Чаще всего они в зависимости от размеров радиатора, имеют мощность 150 или 180 Вт. Но следует отметить, что это максимальная мощность, она сильно зависит от напряжения источника. Например, нагрузке проще работать при 12 В и 10 А, чем при 120 В и 1 А, хотя выделяемая мощность в обоих случаях одинакова, это обусловлено характеристиками силовых транзисторов. |
![]() |
Тестируем аккумуляторы
Если вы не занимаетесь ремонтом блоков питания, но иногда требуется измерить емкость аккумулятора, то есть более узкоспециализированные платы. Они работают, как и обычная электронная нагрузка, но гораздо больше подходят для теста батарей. В этом случае аккумулятор сначала заряжается любым подходящим зарядным устройством, а затем разряжается при помощи такой нагрузки.

Универсальные функциональные нагрузки
ZKETECH: стабильность и большой функционал
Те, кто кочет получить стабильно работающее устройство с большим функционалом без работы паяльником, могут обратить внимание на электронные нагрузки ZKEtech. Это китайская фирма, специализирующаяся как раз на подобных устройствах.
Их изделия делятся на два класса:
EBD — обычные электронные нагрузки.
EBC — электронные нагрузки совмещенные с зарядным устройством, представляющие собой тестер аккумуляторных батарей. Они отличаются по мощности, току и по напряжению.
Но перед тем, как перейти к общему описанию моделей, стоит сказать об особенностях устройств этой фирмы.
1. Все устройства поддерживают подключение к компьютеру, это необходимо как для управления, так и для построения графиков тока, напряжения и мощности, а у моделей серии EBC и работу по программе.
Кроме того, если у вас несколько электронных нагрузок ZKEtech, то ими можно управлять одновременно из одного окна ПО, они доступны в дополнительных вкладках в левом верхнем углу окна.
Подобный функционал необходим для контроля и удобен для построения групповых графиков, на которые можно наложить до 9 кривых.

2. Все нагрузки имеют четырехпроводное подключение, что сразу снимает проблему корректности измерения. Для этого у нагрузок имеется четыре клеммы.
|
Самая простая нагрузка - EBD-M05. Она не имеет зарядного устройства и её мощность 35 Вт при напряжении до 19,5 В и токе до 5 А. Но в остальном она сохраняет функционал старших моделей. Из отличительных черт — высокая точность измерения напряжения и задания тока, ну и, конечно, четырехпроводное подключение, все «по-взрослому». |
![]() |
![]() |
EBC-A05+ – более функциональна, так как имеет в составе зарядное устройство. Его мощность достигает 60 Вт при напряжении до 30 В и токе до 5 А. Эта модель оформлена в корпусе, комплектуется блоком питания и кабелем для подключения к компьютеру. Нагрузка подходит для измерения емкости аккумуляторов, рассчитанных на небольшой ток: мобильных телефонов, планшетов, смартфонов, ноутбуков. |
|
Если необходимо тестировать аккумуляторы, с большой токоотдачей, то здесь лучше подойдет EBC-A20, который также содержит в составе зарядное устройство, но максимальный ток составляет 20 А. Его максимальная мощность 85 Вт. Таким током получится нагружать только до напряжения 4,25 В. EBC-A20 поддерживает работу и при входном напряжении до 30 В с пропорциональным снижением тока. Эта модель подойдет для заряда и тестирования свинцово-кислотных батарей, позволяя заряжать их током до 5 А и разряжать током до 6 А. Как и у других нагрузок, подключение здесь четырехпроводное, пары проводов соединены непосредственно на «крокодилах». |
![]() |
|
Модель EBC-A10H послужит универсальным решением, например, для тестирования блоков питания, измерения емкости аккумуляторов и их заряда. Она обеспечивает ток нагрузки до 10 А, ток заряда до 5 А, но при этом её максимальная рассеиваемая мощность составляет уже 150 Вт, что заметно больше предыдущих. Управление осуществляется при помощи нажимного энкодера, потому управлять ею автономно удобнее чем предыдущими, хотя она также подключается к компьютеру. |
|
В случае, если вы собираетесь тестировать как блоки питания, так и аккумуляторы, но хочется и ток до 20 А, и приличную мощность, то есть модель EBD-A20H. Это некий гибрид из EBC-A20 и EBC-A10H, поскольку его ток составляет 20 А, мощность - 200 Вт, максимальное напряжение - 30 В. Но следует учитывать, что в нем нет зарядного устройства (как и у всех нагрузок в серии EBD) потому для тестов аккумуляторов придется заряжать их отдельно, а кроме того не будет доступна работа по программе так как она также завязана на зарядное устройство. Внешне EBD-A20H похожа на EBC-A10H, разница только в других клеммах и боковом расположении вентилятора. |
![]()
|
|
Для более узкоспециализированного применения фирма выпускает и другие варианты, в том числе многоканальный тестер EBC-X. Почти все нагрузки объединяет то, что они работают с одним и тем же ПО. |
Нагружаем блоки питания
Для тех, кто в первую очередь планирует использовать нагрузку для тестирования импульсных блоков питания, а работа с аккумуляторами - скорее дополнение, имеет смысл обратить внимание на следующую пару устройств.
У этих двух моделей много общего: мощность до 400 Вт, напряжение до 150 В, максимальный ток нагрузки до 40 А, работа в режимах CC, CV, CP, CR и даже примерно сопоставимая цена, - но при этом они отличаются друг от друга дополнительными функциями.
|
Например, KUNKIN KP184 имеет простой индикатор, возможность подключения к компьютеру, четырехпроводное подключение, функцию динамического тестирования блоков питания (частота 10 кГц), измерение емкости аккумулятора и внутреннего сопротивления, потому больше подходит для тех, кто хочет тестировать не только блоки питания, а и аккумуляторные батареи напряжением до 150 В. |
![]() |
![]() |
East Tester ET5410 отличается информативным дисплеем, большим количеством функций, динамическим тестом не на одной частоте, а с гибким выбором параметров, комплексной нагрузкой CC + CV и CR + CV, режимом измерения сопротивления, напряжения и тока, а также подключением клавиатуры для более удобного управления. Она подходит для тестирования аккумуляторов, но имеет двухпроводное подключение и не подключается к компьютеру. |
Выше пошла речь о функции динамического тестирования. Этот режим важен при проверке подключения блоков питания к импульсным нагрузкам и перепадам тока. Иногда блок питания, нормально работающий при стабильном токе нагрузки, начинает «сходить с ума» при подключении нагрузок, с импульсным характером потребления. Для подобных тестов и реализован режим динамической нагрузки, в нем ток потребления меняется с заданной частотой и скважностью.
Программируемые нагрузки
Если необходима точность и функциональность, близкие к максимальным, то здесь лучше смотреть на устройства более известных фирм. Но следует учесть, что при этом они часто рассчитаны на меньшую мощность, чем показанные выше, либо у них начнет расти цена.
![]() |
Как пример, программируемая нагрузка ITECH IT8511A+: 150 В, 150 Вт, 30 А, режимы CC, CV, CP и CR, динамическая нагрузка, необходимый комплекс защит, функция работы по списку (программируемый аналог динамического режима), проверка источника на короткое замыкание, прямое задание параметров, подключение к компьютеру и «теплый ламповый» VFD дисплей. |
|
Следующий шаг - RIGOL DL3021 с мощностью уже 200 Вт, током до 40 А и с напряжением 150 В. Имеется всё вышеперечисленное, плюс большой экран, цифровые входы и выходы, подключение к компьютеру не только по USB, но и через локальную сеть, работа по заданной программе. |
|
Лабораторные электронные нагрузки
|
Рассказав о нагрузках, начиная с недорогих наборов и заканчивая профессиональными решениями, нельзя не упомянуть об устройствах лабораторного класса, например ITECH IT8615. Здесь мощность уже 1800 Вт, напряжение 420 В, ток до 20 А. Но важнее то, что эта нагрузка рассчитана на работу не только с постоянным током, но и переменным, причем помимо обычного перечня режимов работы, она имеет настраиваемый пик-фактор и коэффициент мощности. Но если присмотреться на неё сзади, то видно будет что «в душе» это все тот же прибор для перевода электрической энергии в тепло, хотя и очень умный. Производители оснастили свое детище не только большим экраном, но и встроенным осциллографом, для наблюдения тестирования в динамике и то как тестируемое устройство на него реагирует. Кроме того, нагрузка измеряет гармонические искажения до пятидесяти гармоник. |
![]() |
![]() |
Ну а если кому-то будет мало её 1800 Вт, то поддерживается функция параллельной работы и работы в трехфазном режиме по схеме включения «треугольник» и «звезда». Соответственно суммарная мощность будет расти пропорционально количеству подключенных устройств. |
Подведём итоги
Для упрощения выбора, скажем так:
- Для начинающего радиолюбителя, не планирующего много тратить, можно рассматривать варианты для «домашнего творчества», например набор на базе LM324. Здесь можно и сэкономить и получить мощную нагрузку, хотя и простенькую.
- Если вы уже «нашли себя» и планируете заниматься ремонтом блоков питания и можете выделить немного больше средств, то рассмотрите варианты готовых модулей Sousim или младших моделей фабричного производства, например East Tester ET5410. В первом случае будет дешевле, во втором функциональнее.
- Отдельно идут электронные нагрузки, совмещающие в себе тестеры аккумуляторных батарей, у них своя ниша. В принципе тестировать аккумуляторы может большая часть электронных нагрузок, но устройства ZKEtech серии EBC могут не только это делать в автоматическом режиме, чередуя циклы заряд/разряд, попутно строя график заряда/разряда, но и проводить ресурсные испытания аккумуляторов.
- Продвинутые специалисты скорее всего заинтересуются фирменными нагрузками, где, помимо богатого функционала и высокой точности, есть поддержка режимов, которых нет у вариантов проще. Правда стоит отметить, что если будет нужна еще и большая мощность, то цена также возрастет, впрочем, хорошие вещи редко стоят дешево.
- Тем, кто пользуется устройствами лабораторного класса рекомендовать что-то сложно, так как это люди, которые знают, что им нужно от устройства, потому подбирают инструмент под конкретные задачи.
Какими бы не был ваш уровень, независимо от ваших задач, на полках нашего магазина вы найдёте подходящий товар. Электронные нагрузки разной мощности и для разных сфер применения уже ждут своего покупателя!











