Электроника — довольно увлекательная наука и, в действительности, разноплановая отрасль. При разработке электроаппаратуры инженеры испытывают те же ощущения, что и ведущие деятели искусств, такие как художники и скульпторы. И те и другие — творцы, воплощающие нематериальные мысли. При ремонте мастер, находясь в глубине процесса поиска неисправности и выявления причинно-следственных связей, приведших к её появлению, выступает своеобразным детективом, а отыскивая поломку — не менее чем следователем по особо важным делам! Реставрация винтажной радиоаппаратуры, требующей сверхбережного отношения к себе, сродни врачебной деятельности: главный закон здесь «не навреди».
Как и любая профессиональная занятость, электроника нуждается в глубоких разносторонних знаниях и опыте: ведь без понимания основ электродинамики и электротехники даже восстановление банального карманного фонаря зачастую заканчивается покупкой нового. А в современной технике, начинённой сложносоставными компонентами и собранной с потрясающей миниатюризацией, любое вмешательство требует высококвалифицированного подхода. А про проектирование и говорить не приходится — теоретическая и практическая база должны быть первоклассными. А для этого необходимо неустанно учиться и совершенствоваться.
Материал рассчитан на начинающих радиолюбителей и разработчиков электротехнических средств. В нём рассмотрены узлы, применяющиеся при конструировании самодельных или серийно производимых устройств, а также описаны некоторые схемотехнические решения, которые, хоть и распространены, но порой ставят новичка-специалиста в тупик из-за неочевидности расположения тех или иных компонентов.
Время чтения: 28 минут
Аналоговые схемы? Это очень просто!
В разделе описываются основные конструктивы аналоговой техники, встречающиеся в различных электроприборах, кратко представлен их принцип. Как работают полупроводниковые приборы, допустим, ПП-диод, вы ознакомитесь в статье «Что такое полупроводник?», а с ПП-транзистором познакомитесь в «Транзисторы: принцип работы, схема включения, чем отличаются биполярные и полевые».
Защита от переполюсовки и перегрузки
Для функционирования электрооборудования его следует снабдить электропитанием. Блок питания обязан давать ему расчётные параметры тока-напряжения. Если он не выдаст минимально-требуемый объём энергии, то устройство-потребитель не сможет полноценно функционировать. Так, небольшой силы хватит для поддержки микроконтроллера и горения светодиодов, но с ростом нагрузки, сопряженной с активацией реле, мотора и т. п., энергии станет недостаточно для сохранения штатных функций устройства. Так же как и при перепутанных полюсах питания.
Помимо вольт-амперной характеристики есть ещё один фактор, который стоит соблюсти при энергоснабжении электроники-потребителя — полярность. Если упрощённо, то «плюс» от БП строго подсоединяется к «плюсовому контакту», а «минус» к «минусовому». Несоблюдение этого требования при оптимистическом прогнозе сделает устройство неработоспособным, но гораздо реальнее — к его мгновенному выходу из строя. Например, при неверной полярности происходит молниеносное отгорание вывода «плюса» от микросхемы и необратимое повреждение.
Причин, из-за которых бывает «переполюсовка», немало. Это и отсутствие различия между питающими проводниками (нет цветовой идентификации, совпадение конфигурации разъёмов «плюса» и «минуса»), физическая способность подключить кабель «наоборот». Или наличие переключателя полярности на корпусе БП, который как обеспечивает универсальность, так и нередко играет злую шутку, и ещё множество других.
Для защиты потребителей от переполюсовки придумано несколько способов. Рассмотрим самые эффективные и доступные к повторению начинающими специалистами-разработчиками.
Ниже изображён наипростейший защитный узел всего на двух компонентах: плавком предохранителе и диоде. Он до неприличия несложен, но наиболее часто встречается. Всё гениальное просто.
Номинал предохранителя (или, как ещё называют, плавкой вставки) F1 подобран так, чтобы даже при максимальном энергопотреблении он не плавился. Обычно это +5÷10% к максимуму токопотребления. Предохранитель сам по себе защищает от перегрузки, вызванной, в том числе, коротким замыканием (КЗ) из-за пробоя ключевых транзисторов, работающих с большой нагрузкой (соленоидов, электродвигателей и подобных им).
Совместно с диодом D1 предохранитель F1 защищает от переполюсовки. При полярно-правильном подключении к катоду D1 будет приложен «+», а к аноду «-», вследствие чего электроток почти не протекает (за исключением мизерного обратного) и он не будет влиять на работоспособность потребителя. А когда полярность неверная, то «плюс» и «минус» поменяются местами, и тогда через диод пойдёт ток величиной, близкой к максимальной, которую выдаёт БП. Произойдет «защитное» КЗ, которое приведёт к перегоранию вставки F1 и обесточиванию. После её замены и полярно-правильного подсоединения устройство восстановит функционал. Решение распространено в разнообразной технике ввиду своей простоты и эффективности. Минус проявляется лишь в одноразовости предохранителя — чтобы прибор снова заработал, его нужно заменить.
Примечание: так как при срабатывании защиты диодом пропускаются высокие прямые токи, подбирают его так, чтобы он был способен к токопропусканию как минимум в течение времени, требуемого для перегорания предохранителя. Если мощности окажется мало, то есть риск, что его разрушение произойдет раньше, чем расплавится вставка, что устранит «защитное» КЗ и переполюсованное напряжение поступит на устройство, повредив его.
Изображён вариант блокировки от переполюсовки на диоде, монтируемым последовательно с энергопотребителем. Когда полярность перепутана, он будет заперт, препятствуя токопрохождению. Если подключить правильно, то он откроется. Он не обезопасит от перегрузки и, кроме того, на нём будет серьёзно снижаться напряжение (0.7В для обычных кремниевых и 0.2÷0.3В для диодов Шоттки), что учитывают при подборе выходных параметров БП. А при запитывании от готовых низковольтных источников (3÷6В) существенное падение вольтажа приведёт к неработоспособности потребителя. Также уделяется внимание максимальному току. Иногда при высокотоковой нагрузке применять диод нецелесообразно, и оптимальней прибегать к альтернативному решению.
Здесь плюсом, как и в первом случае, стала простота; сборка вполне защищает от переполюсовки слаботочные потребители, работающие от 6 и более вольт.
Это усложнённый вариант реализации защиты от переволюсовки, используемый в разнокалиберных гаджетах. Основным рабочим элементом служит полевой p-канальный транзистор. При полярно-верном запитывании электроток течёт через паразитный диод, находящийся в транзисторе Q1. Между истоком (3) и стоком (2) он образуется из-за нюансов производства этой группы полупроводников. Падение напряжения на нём около 1В, и между стоком (2) и затвором (1) возникает разность потенциалов, достаточная для полного открытия, чтобы основной электроток протекал между (3) и (2). Стабилитрон D1 ограничивает вольтаж между (3) и (1), а резистор R1 — силу тока в цепи затвора. Напряжение его стабилизации должно быть выбрано меньшим, чем максимальное допустимое на затворе полевика; сопротивление R1 подбирается так, чтобы током не превышалось это же значение для стабилитрона.
Несравненным достоинством преподносится небольшое падение потенциала на транзисторе, вследствие крайне низкого сопротивления между электродами компонента (сотые доли ома).
Как альтернатива рассмотренному можно использовать готовую микросборку: так, серии CSD американской компании Texas Instruments или аналогичные.
Изображён нестандартный, но работоспособный механизм, защищающий от смены полюсов. Его «сердце» — обычный выпрямительный диодный мост, применяемый для выпрямления переменного тока–AC в постоянный–DC. Казалось бы, его применение в конкретной цепи DC нецелесообразно (смотри «ТОП-10 типовых узлов в схемотехнике блоков питания»). Но это позволяет подавать произвольно-полярное электропитание, которое в итоге при любом подключении окажется «правильным». Вариант не лишен недостатка второй схемы. В промышленности, как правило, не применяется, но используется при наладке электроники, когда требуется обезопасить оборудование и сократить потерю времени на переключение полярности.
От перенапряжения
Как защищены ВВ-цепи, рассмотрено в указанной в предшествующем абзаце статье, а в сейчас акцент будет сделан на безопасность чувствительных низковольтных приборов при превышении электропитания.
Она строится по одному принципу: сравнение входного потенциала с неким опорным, имеющим высокую стабильность, значение которого известно. Источники опорного напряжения (ИОН) — как правило, ПП-стабилитроны, либо специализированные микросхемы. Они нередко монтируются с другими радиокомпонентами.
Этот узел на стабилитроне. Мощный транзистор-биполярник Q2, управляемый маломощным «коллегой» Q1 — исполнительный элемент, отвечающий за подачу-ограничение тока. В норме Q2 открыт, так как база через резистор R3 непосредственно соединена с «минусом» питания. Открытый Q2 пропускает электроток и запитывает устройство. Напряжение срабатывания задаётся стабилитроном ZD1: его значение и становится тем порогом, при достижении которого будет прекращена энергоподача. Когда оно достигнуто, стабилитрон открывает Q1, который замкнёт базу Q2 на «плюс» питания и закроет его. Электроснабжение прекратится. R1 ограничивает электроток через стабилитрон ZD1, а R2 и R3 — его же в цепи Q1 и Q2 соответственно. Стабилизирующим напряжением ZD1 устанавливают порог срабатывания.
Более совершенный защитный алгоритм доступен ниже.
Здесь исполнителем служит полевой n-канальный транзистор Q1, сопротивление исток-сток у которого низкое. Потому его применение в подобных ситуациях более оправдано. Управляющим элементом (УМ) стала микросхема ИОН TL431, которую часто называют «регулируемый стабилитрон». Работает как и предыдущий вариант. В нормальном режиме Q1 открыт, так как затвор через резистор прямо соединяется с «плюсом» БП. Переменным (подстроечным) резистором RV1 устанавливается предел срабатывания. U1 TL431 имеет внутри себя высокостабильный ИОН 2.5В и сравнивает его с потенциалом на управляющем входе. Если в средней точке резистивного делителя, образованного R1 и RV1, он превысит 2.5В, то «стабилитрон» U1 откроется и замкнёт затвор полевика на «минус», вызвав его закрытие и прекращение токопоступления. Подбирая номиналы R1 и RV1 можно установить порог срабатывания от единиц до сотен вольт (смотри статью «Как измерить резистор мультиметром?»).
От выбросов противоЭДС (снабберные цепи)
Энергопитание мощных индуктивных нагрузок, которыми являются управляющие обмотки реле, электромоторов, трансформаторов, связано с некоторыми трудностями. Одна из них — возникновение противоЭДС (противоположной по направлению электродвижущей силы, или, проще, напряжения) при отключении обмотки от электроцепи. Накопленная ей энергия в виде магнитного поля после её отключения вновь превращается в высоковольтный ток, направленный в другую сторону. Он формирует электродугу и провоцирует обгорание контактов электромеханических приборов (реле, выключателей, контакторов), а если коммутация производится транзисторами, то их пробой. Чтобы избежать этого, есть разные подходы.
Рассмотрим цепь постоянного тока–DC, состоящую из транзисторного ключа, который управляет обмоткой реле-электромагнита.
Управляющий сигнал (УС), через резистор R1 поступает на базу транзистора и отпирает его. Через обмотку реле идёт ток, и оно срабатывает. Диод-демпфер D1 размещён встречно его движению и не влияет на его работу. Но при снятии УС транзистор запирается, обмотка обесточивается и на её выводах образуется мощный выброс (импульс) противоЭДС. Он проходит через D1 и гасится его сопротивлением. При отсутствии диода он бы шёл к транзистору, пробивая и повреждая его.
Примечание 1: диоды для гашения (демпфирования) ставят только в DC-цепях.
Примечание 2: некоторые типы реле на электромагнитах имеют установленный с завода диод параллельно обмотке.
Использование диодов в AC-цепях невозможно по объективной причине. Каким же образом тогда гасить выбросы, возникающие, например, в первичной обмотке трансформатора импульсного БП? В электроцепях AC-типа для этих целей используется демпфирующая, или чаще именуемая снабберная цепь (от англ. snubber — «демпфер»), состоящая из последовательно смонтированных конденсатора и резистора.
Это схематическая часть простейшего БП-импульсника. Он базируется на полевом транзисторе Q1, его нагрузка — импульсный трансформатор T1. Когда Q1 закрывается, на первичной обмотке T1 возникает противоЭДС, а гасится оно суммарным ёмкостным и активным сопротивлением снабберной цепи R1C1. Без этой цепочки высок риск повреждения полевика, даже если он высоковольтный. Ввиду доступности элементов сравнительно со стоимостью мощного полевика, рекомендуется применять их даже в тех устройствах, где он имеет превышенный запас по всем характеристикам.
Эти цепочки применимы также и для контактных групп выключателей, переключателей, контакторов, реле для предохранения их от обгорания электрической дугой, образующейся при размыкании.
Примечание: цепочки выпускаются также и в форм-факторе готовых моделей, имеющих клеммы для прямого подключения к контактам электромеханических коммутационных устройств.
RC-цепи (ФНЧ, ФВЧ)
Это одни из часто встречаемых узлов. Название уже намекает на то, что они состоят из конденсаторов и резисторов, причём простые из них имеют по одному такому компоненту.
Цепи есть двух видов: интегрирующие и дифференцирующие.
Если схематически изобразить немного по-другому, то мы увидим, что в обеих вариациях делитель напряжения образован парой «резистор-конденсатор». Резистор — линейный элемент, а конденсатор нет: DC-ток он не проводит, а AC-току оказывает сопротивление, значение которого зависит от токовой частоты. Получается, что RC-цепь — это частотозависимый делитель напряжения.
Интегрирующая цепь работает как фильтр низких частот (ФНЧ). Она пропускает сигналы с герцовкой ниже частоты среза (ЧС), а высокие — подавляет. А дифференцирующая — фильтр высоких частот (ФВЧ), то есть, как логично предположить, пропускает электросигналы частотностью выше ЧС, «срезая» низкие. ЧС обоих типов фильтров рассчитывается по формуле:

где f — частота среза в МГц; π — математическая постоянная = 3,141592..., R — сопротивление резистора в кОм; C — ёмкость конденсатора в нФ.
Встраиваются RC-цепи везде, где требуется разная проводимость при различной частотности входного сигнала. В радиопередающей, телевизионной, звуковоспроизводящей аппаратуре (эквалайзеры, усилители-корректоры проигрывателей виниловых дисков) и другой.
Так как в интегрирующей RC-цепи резистор установлен последовательно, то даже ток нулевой частоты (DC) проходит через этот фильтр. При подборе номинала резистора и ёмкостного параметра конденсатора нужно, чтобы ЧС была близка к нулю Гц, тогда она приобретает одно интересное свойство, наблюдаемое в разных устройствах. Сделаем простейшую сборку из резистора на 4.7 кОм и конденсатора на 4.7 мкФ. ЧС при таких номиналах около 7 Гц.

На вход фильтра подадим импульс с генератора прямоугольных сигналов. Луч жёлтого цвета осциллографа проецирует входной, а синего — выходной сигнал с RC-цепи.
Меняя коэффициент заполнения Duty (ширину прямоугольных импульсов) от 0 до 100% на входе, на выходе имеем постоянное напряжение, ему прямо пропорциональное. Иначе, RC-фильтр стал преобразователем «ширина импульсов/напряжение». Эти компоненты есть в широкой номенклатуре электроприборов. В статье «Обзор и тестирование регулируемого понижающего DC-DC конвертера на LM2596S» эта микросхема управляется как раз напряжением на выводе обратной связи. То есть, используя интегрирующую RC-цепь, можно управлять выходной характеристикой, используя в роли источника УС платформу Arduino или любой микроконтроллер, генерирующий сигнал с широтно-импульсной модуляцией (ШИМ, PWM).
Умножитель напряжения
Это частое решение, когда требуется огромный вольтаж DC (от десятков вольт до десятков киловольт) при его незначительной силе (максимум до десятков миллиампер, чаще на три-четыре порядка меньше). Питается он по AC-схеме, а на выход выдаёт постоянный удвоенного, утроенного, либо увеличенного в n-раз напряжения. Умножитель имеет множество исполнений, но общий принцип одинаков, а в основе диоды и конденсаторы. Рассмотрим простейший удвоитель Латура-Делона-Гренашера:

Он прост: переменное напряжение на входной линии при положительной полуволне проходит через диод D1, выпрямляется и заряжает конденсатор C1. Ток через D2 в этот момент не протекает. При отрицательной полуволне он проходит уже через D2, с его выпрямлением и зарядкой C2. Канал D1 в этот момент, естественно, тоже закрыт. Оба конденсатора подключены последовательно и их суммарное напряжение складывается, то есть выходит близкое удвоенному питающему (за минусом падения потенциала на диодах). Принцип последовательной зарядки конденсаторов и суммирования их потенциалов общий для всех типов умножителей.
Примечание: во сколько раз умножитель увеличивает вольтаж, во столько же раз падает ток.

Ниже изображён БП вольтдобавкой с маломощным выходом с удвоенным напряжением.

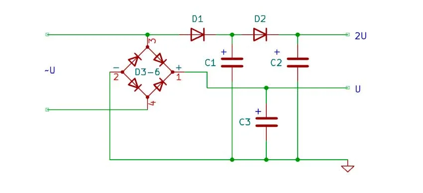
Здесь представлен умножитель в n-раз Кокрофта-Уолтона. Он поднимает напряжение в n-раз, а степень увеличения зависит от количества каскадов. Решение встречается во многих видах техники: высоковольтное питание анодных цепей кинескопов телевизоров, осциллографических и рентгеновских трубок, жидкокристаллических и газоразрядный индикаторов, люминесцентных ламп от низковольтного БП, в ионизаторах воздуха, в медицинской технике, как источник электропитания ВВ-установок и других.
Формирователь отрицательного потенциала
Для некоторых энергопотребителей требуется двухполярное питание. Примером служат ОУ (смотри «Что такое операционные усилители»). При работе от сети выручает использование трансформатора со вторичной обмоткой, имеющей отвод от середины, и двухполярного выпрямителя, выдающего как «+», так и «-». Но запитывание от батареи или аккумулятора ставит преграду такому способу. Или когда всё питается по однополярному входу, не имеет экономического смысла использовать сложный трансформатор и БП для организации двухполярного электропитания для 1-2 операционных усилителей, особенно если токопотребление незначительно. Во всех этих ситуациях выгодней использовать формирователь.

Питание осуществляется импульсным током прямоугольной формы. Принцип действия сложноват для объяснения в рамках статьи, но, если сжато, он в том, что при нулевом входном напряжении (нижняя полка импульса) происходит зарядка конденсатора C2 от C1, получившем заряд в предыдущий момент, когда на вход подавался «+» (верхняя полка меандра). Только «плюс» оказывается на нижней обкладке C2, то есть потенциал верхней будет отрицательным к общему контакту.
Соберём всё на макетной плате и проверим работоспособность. Использованы диоды Шоттки SS14 и танталовые конденсаторы с номинальной ёмкостью 1 микрофарад:

Подадим на вход импульс с осциллографа Hantek DSO4072C. Жёлтый луч отображает входной сигнал — меандр с частотой 1 кГц и размахом 3.25В, а синий — выходное напряжение формирователя. Их общее смещение равно нулю, то есть ось абсцисс является одной и той же точкой отсчёта для обоих. На осциллограмме хорошо видно, что выход (окрашен синим) имеет потенциал около -3.25В к общему контакту, при импульсном входе (жёлтый) +3.25В. Работоспособность подтверждена. Что и требовалось доказать.

На практике в промышленной технике такое применяется нечасто (ввиду прямоугольного характера сигнала питания), а, чаще, особенно в мобильной аппаратуре, встраиваются специальные интегральные преобразователи по «-» в виде микросхемы с DC-питанием.
Токовое зеркало
Это важнейший схемотехнический узел. Он встречается в массе аналоговых аппаратов, но в особенности там, где обрабатывается «аналог», а не «цифра», а информацию несёт только ток. Как в информационном интерфейсе типа «токовая петля» и других.
Токовое зеркало — простейший токоуправляемый генератор. Ниже представлена его простая модель, имеющая в своей основе биполярники.

Конструктивно состоит из резистора и двух транзисторов с единым эмиттером. Резистор (источник электротока) R1 задаёт входной (управляющий) ток, а R2 — нагрузка, то есть потребляет выходной. Работает всё незамысловато. Сначала электроток подаётся одновременно на коллектор и базу транзистора Q1. Формирование потенциала на базе приводит к его открытию. Увеличившийся ток коллектора забирает на себя подавляющую часть входного электротока и препятствует повышению напряжения на базе Q1: на них устанавливается вольтаж, равный порогу открытия транзистора. Он же идёт на базу Q2, который открывается на точно такую же степень, как и Q1. Получается, выходной ток Q2 как бы копирует, или, иначе, отражает входной Q1.
Применяется это во множестве видов электротехники: в системах передачи данных, телеметрии, системах усиления, в том числе звукочастотных усилителях и т. д. Выполняется как на биполярниках, так и на полевиках, а также встречается в конструкции интегральных микросхем.
Диодный ключ
Помимо ключей, использующих электромеханику (реле), а также выполненных на транзисторах, тиристорах и прочих комплектующих, встречаются варианты на диодах-полупроводниках.
Реализация простейшего ключа представлена ниже:

Он организует питание потребителя от батареи и внешнего сетевого источника. При отсутствии потенциала на входе Uin, энергия от АКБ BT1 протекает через диод D1 и далее к потребителю Uout. Когда появится Uin, к катоду прикладывается положительное напряжение, запирающего его, и энергопоток через диод и батарею прекращается.

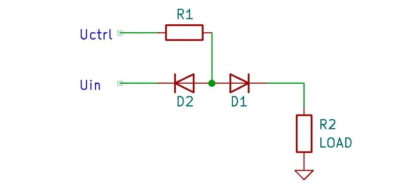
Ещё одна популярная версия ключа. Входное питание Uin поступит на нагрузку, когда будет подано положительное УН Uctrl, которое, достигнув анодов диода D1 и D2, откроет их и даст токопроводимость к нагрузке R2. Решение обширно встречается в усилителях, радиоприёмной и многообразной связной аппаратуре.
Дифференциальный каскад
Как и ОУ, они созданы для усиления дифференциального сигнала и, собственно, это их составные части. В отличие от линейных, в них информация передаётся разницей между уровнями напряжения на входах, которых, как у ОУ, тоже два.

Поскольку усиливается лишь разница уровней входящих потенциалов, имеется высокая помехозащищенность от синфазных помех, а также возможность усиливать сигнал даже ультранизкой частоты (от 0 герц, то есть постоянный-DC). Монтируются каскады в устройствах, предъявляющих именно такие требования: медтехника, концертная и студийная звуковая техника и множество других.

Электронная регулировка уровня сигнала
Нынешняя техника буквально полностью отказалась от подстроечных резисторов как базовых органов управления какими-либо настройками (громкость, скорость, температура и т. п.) в пользу электрорегуляторов уровня той или иной модификации.

Это электронный однотранзисторный регулятор. УМ служит транзистор-биполярник Q1. Регулирование производится УН Vctrl. Тогда при закрытом транзисторе сигнал на выходе Vout максимальный, а при открытом он отсутствует. Vctrl формируется по-разному: например, с помощью интегрирующей RC-цепи.
Помимо транзисторного регулирования, используются интегральные переменные резисторы, которые содержат многопозиционный электронный переключатель и набор коммутируемых сопротивлений, а ещё логическую часть, осуществляющую переключение. Управляется всё как напряжением, так и различными аналоговыми или цифровыми интерфейсами.

Электроника — относительно молодое учение и прикладная область. Но за период своего существования, который чуть более века, она прошла путь от первых робких попыток усилить «аналог» в радиопередаче и проводной телефонии, до сложнейших цифровых вычислительных систем и повсеместного внедрения автоматического управления во всё: от электрочасов до автономных межпланетных космических кораблей. Скорость её прогрессирования соперничает лишь с интенсивностью развития IT, которые, честно говоря, без неё существовали исключительно на бумаге.
Обилие решений, разнообразие схемотехники, ежедневный выпуск новинок заставляют всех, кто занят исследованием электротехники, быть начеку и безостановочно заниматься самообразованием.
Статья предназначена для энтузиастов-радиоэлектронщиков и инженеров-разработчиков. В ней мы разобрали ряд стандартизированных решений, применяемых при изготовлении единичных самосборных и заводских устройств. После её изучения узлы, обнаруженные в конструкции, скажем, источника питания, не должны вызвать смущение у хоть и начинающего, но перспективного инженера-электроника. Я сейчас говорю о тебе, мой драгоценный читатель.