ТОП-10 типовых узлов в схемотехнике блоков питания
Существует крылатое выражение «театр начинается с вешалки», авторство которого приписывают мэтру театрального искусства Константину Сергеевичу Станиславскому. Смысл изречения в том, что представление рождается не на сцене, а гораздо раньше — с момента входа в храм искусства: гардероб — первое место, куда должен проследовать зритель, а гардеробщики — это встречающие его «артисты», которые задают тон и настроение.
Никто из известных и уважаемых специалистов в мире электроники, конечно, не говорил, что «электронное устройство берёт начало с источника питания», но всем инженерам-электроникам и просто радиолюбителям известно, что он придаёт эксплуатационные особенности прибору, который обеспечивает электропитанием. От конструкции и схемотехники БП будет зависеть качество работы и удобство питаемого электроприбора в эксплуатации. А в наш век повальной миниатюризации и повышения эстетичности техники такие же требования предъявлены к источникам энергии: они обязаны сочетать, кажется, несовместимые параметры: миниатюрность, высокую мощность, надежность и безопасность.
Сегодня выпускают многообразие типов и конструктивных исполнений БП. Схемотехника их обширна и элементную базу нынешних моделей нельзя назвать скудной: от архаичных трансформаторов, суть которых за сотню лет не изменилась, до современных высокочастотных импульсников, показавшим нам, насколько БП бывают мощными и миниатюрными.
Разбираемся, какие узлы применяют в многочисленных источниках питания (ИП), рассмотрим принцип их работы и дадим сравнительные характеристики. Это поможет начинающим радиоэлектронщикам, которые только постигают азы электроники.
Время чтения: 25 минут
Блок питания? Это очень просто!
Нюансы схемотехники разных БП
Здесь мы опишем базовые узлы: от входных цепей с постепенным продвижением к выходным.
Входной фильтр
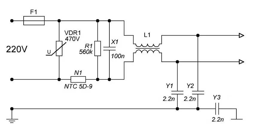
Итак, что же это такое. Назначение фильтра — защита от перенапряжения, ВЧ-помех и тому подобных опасных воздействий. Их схемотехника многогранна: от скромных разновидностей, применяемых в бытовой аппаратуре, до сложнейших и дорогих, эксплуатируемых в составе ИП ответственной техники: модулей числового программного управления производственных станков. Не будем углубляться в дебри электротехники, а разберём тему на примерах широко распространённых трансформаторных и импульсных БП: например, компьютерных. Благодаря продуманной схемотехнике и подбору компонентов, фильтр становится надёжной частью системы электропитания.
Напряжение питающей сети через F1-плавкий предохранитель, защищающий от превышения допустимого электротока, поступает на VDR1-варистор. Это ПП-резистор, сопротивление которого нелинейно меняется в зависимости от приложенного потенциала (смотри статью «Что такое полупроводник?»). Оно очень велико и достигает десятков мегаом. Но при достижении определённого значения между выводами (на схеме обозначен варистор на 470 вольт) оно скачкообразно падает до незначительных величин (единицы ом), тем самым пропуская высоковольтные всплески через себя, защищая БП от их негативного воздействия. Этот элемент часто используется в блоках питания, где важно предотвратить скачки напряжения.
Далее на пути встречается радиоэлемент N1 — полупроводниковый терморезистор с отрицательным температурным коэффициентом сопротивления, или по-другому NTC-термистор. Он входит в состав простых и надёжных схем, применяемых в большинстве бытовых устройств.
Термистор уменьшает сопротивление при нагревании. Это происходит прямым способом, то есть не при внешнем нагреве источником тепла, а при прохождении через него электротока. При включении БП в сеть, NTC-термистор, будучи холодным, оказывает сопротивление прохождению тока, а по мере нагрева от токовой нагрузки оно падает. Это позволяет снизить пусковой ток, который без него может доходить до десятков ампер (хоть и крайне малое время), и предотвратить срабатывание защиты как в блоке (к примеру, перегорание предохранителя) так и расположенной в электроснабжающих электрических щитах. Особенно важно учитывать этот момент при проектировании источника питания с высоким стартовым током.
Проходя через термистор, электричество поступает на конденсатор X1. Это компонент специализированного назначения — так называемый X-конденсатор. Конденсатора в этой точке схемы играет роль ключевого элемента подавления сетевых возмущений.

В зарубежной литературе такой тип радиокомпонентов называют across the line — дословно «(идущий) через линию» или, если техническим языком, то межфазный. Он предназначен для гашения дифференциальных помех в питающей сети. X-конденсаторы работают в тяжелых условиях и подвержены всем факторам, имеющимся у сетей с низкокачественной электрической энергией. Они конструируются так, чтобы при возникновении серьёзной высоковольтной помехи произошло короткое замыкание внутри, которое вслед за этим приведёт к перегоранию плавкого предохранителя. Таким образом, повреждение двух дешёвых компонентов входного фильтра обезопасит чувствительную и наиболее ценную основную часть БП. Такое решение позволяет устраивать надёжную первую линию защиты для любой схемы импульсного блока.
Примечание: ввиду сложнейших условий работы применение обычных вместо X-конденсаторов, даже если ёмкость и потенциал у них аналогичны, недопустимо.
Параллельно ему установлен R1-резистор, предназначение которого — быстрая разрядка X1-конденсатора, для того чтобы накопленный им заряд электричества не приводил к поражению человека, коснувшегося контактов выключенной из розетки штепсельной вилки. Даже в простом блоке питания этот резистор выполняет важную защитную функцию.
Далее параллельно ему включён необычный радиокомпонент, схематическое изображение которого напоминает обозначение трансформатора. Но на самом деле L1 — двухобмоточный синфазный дроссель. Он активно участвует в устранении синфазных помех, возникающих при нестабильной работе сети.

Имея симметричную и одинаковую конструкцию обмоток, такой дроссель почти без сопротивления пропускает противофазное дифференциальное напряжение: например, отрицательную и положительную полуволны переменного сетевого потенциала. Но синфазная помеха, которая равным образом влияет на оба питающих проводника, вызовет увеличение индуктивного сопротивление дросселя и будет подавлена.
Завершает конструкцию входного фильтра группа конденсаторов Y1, Y2 и Y3. Это так называемые Y-конденсаторы. Y-конденсаторы представляют собой неотъемлемую часть любого качественного фильтра.

В зарубежной технической литературе их ещё называют «line to ground», то есть «линия (идущая) к земле». На схематичном изображении видно, что каждый из них подключен к заземляющему проводнику: Y1 от фазного, Y2 от нейтрального, Y3 от корпуса устройства. Предназначены они для подавления синфазных электромагнитных помех, проникающих из питающей сети. Y-конденсаторы, как и X-конденсаторы, работают в непростых условиях, но в отличие от последних, проектируются так, чтобы при выходе из строя разрывать цепь, избегая попадания входного потенциала на корпус и минимизируя вероятность поражения током. Особенно важно, что эти конденсаторы работают с минимальным риском передачи электрических помех на корпус устройства.
Примечание: ввиду эксплуатации в сложных условиях и особых требований к отработке нештатных ситуаций, монтаж обычных конденсаторов взамен Y-конденсаторов, даже с аналогичными параметрами электрической ёмкости и рабочего напряжения, недопустим.
Трансформатор
Про него отлично знают те, кто в 90-е и 00-е годы был юн и беззаботен. Интернет-барахолок типа Авито ещё не придумали, и старая техника отправлялась «по своей последней прописке», а именно — на мусорные свалки. А там уже мальчишки разбирали или просто разбивали её в поисках...трансформатора. Правда как таковой он никого не интересовал, чего не скажешь про Ш-образные пластины магнитопровода. Они обладали жёсткостью, остротой кромок и необычными аэродинамическими свойствами, которые позволяли метать их на внушительное расстояние, либо, как перочинный нож, бросать в деревья. Такими пластинами были усыпаны все дворы (часто наряду с магнитофонной магнитной лентой, но это уже другая история). Сегодня трансформаторы остаются важной частью электрических устройств, обеспечивая гальваническую развязку и безопасность.

В собранном виде он выглядит получше:


Состоит он из двух обмоток, намотанных тонким медным эмалированным проводом, и железного сердечника-магнитопровода, выполненного из штампованных Ш- и I-образных пластин (стержневой сердечник). Либо из стальной ленты, которая наматывалась вокруг обмоток (броневой сердечник) или в виде кольца, если быть точным, тора (тороидальный трансформатор). Условное графическое изображение детали отражает её конструкцию: обмотки, не имеющие электрического контакта друг с другом и сердечник между ними.

Работает он просто. AC-ток первичной цепи, протекающий по одной из обмоток, создаёт переменное магнитное поле, которое генерирует электродвижущую силу (ЭДС) на другой. При её подключении во вторичную цепь по ней тоже начнёт протекать электроток (смотри статью «Гальваническая развязка цифрового осциллографа»).
Напряжение на вторичной обмотке прямопропорционально количеству витков. Их соотношение между первичной и вторичной, то есть коэффициент трансформации K описан формулой:

где K — коэффициент трансформации, U1 и U2 — напряжения на первичной и вторичной обмотках, N1 и N2 — число витков на них.
Он применяется для снижения потенциала, чтобы дать возможность запитать низковольтные потребители от относительно высоковольтной сети. Подбирая значения K, добиваются нужных выходных параметров на трансформаторе, которые далее поступают на выпрямитель, но об этом позже. Кроме этого, он организует гальваническую изоляцию вторичных цепей и устройства от электрической сети, придавая ему высокую электробезопасность и многократно снижая риск поражения электротоком опасного для жизни уровня (Подробнее об этом написано в статье про гальваноразвязку, ссылку на которую мы дали выше).
Трансформаторный БП имеет высокий КПД, а сам трансформатор не вносит искажений и помех в форму трансформируемого напряжения.
Импульсный преобразователь (AC-DC)
При всех плюсах, классический трансформаторный ИП имеет один недостаток, а именно — плохие массогабаритные показатели. В моделях, созданных для работы с переменным током низкой частоты сети (50 Гц) конструкционно в роли сердечника применено только специальное трансформаторное железо, либо сталь, имеющие высокую плотность и, следовательно, массу. А рост мощности приводит к неизбежному увеличению размера сердечника, веса и материалоёмкости всего устройства. Ещё какое-то время назад это был преградой для создания действительно недорогой и портативной техники. Часто пользователи задаются вопросом — из чего состоит современный блок питания и почему импульсные решения стали популярнее.
Но изобретение импульсника позволило уменьшить габариты, массу и стоимость ИП. Схемотехнически он сложнее трансформаторного, но фактически мало чем от него отличается. Рассмотрим типовой экземпляр:

Многие узлы будут рассматриваться далее, и на порядке их работы внимание заострять не станем. Рассмотрим лишь общие черты.
Сетевая электроэнергия через предохранитель FU1 поступает на фильтр из двух Y-конденсаторов C1 и C2, а затем непосредственно на выпрямитель, образованный диодами VD1-VD4, которые выпрямляют AC-ток в DC, но если быть точным, то в пульсирующий. После сглаживания пульсаций с помощью С3-конденсатора постоянный ток запитывает генератор высокой частоты на VT1-транзисторе, нагрузкой которого выступает первичная обмотка T1-трансформатора. Он в корне не похож на «железный» компонент. Так как он работает на частотах от десятков кГц до десятков МГц, то и трансформатор нужен необычный — импульсный.

Так как трансформация высокочастотная, то возможно снижение материалоёмкости (следовательно, габаритов и массы) без потери передаваемой мощности. Напряжение со вторичной обмотки поступает на выпрямитель VD8-VD11, сглаживающий фильтр на конденсаторе C7 и стабилизатор D1. Об этих узлах будет рассмотрено далее.
Импульсный ВЧ-трансформатор, так же как и низкочастотный, гальванически изолирует вторичные цепи с питающей сетью, но первичный выпрямитель, фильтр и генератор находятся под потенциалом электросети и требуют особых мер по соблюдению электробезопасности. Такой подход к построению схемы импульсного преобразователя позволяет повысить КПД и снизить помехи.
В импульсниках, как правило, устанавливается микросхема-драйвер, управляющая мощными транзисторами, нагруженными на импульсный трансформатор. Применение специализированной микросхемы позволяет заметно повысить КПД, понизить уровень создаваемых электромагнитных помех и обеспечить высокую стабильность параметров на выходе. Номенклатура драйверов обширна, то стандартом де-факто стала TL494 и множество её клонов, которые уже несколько десятилетий выступают «сердцем» большинства ИБП. Детальное описание особенностей драйверов и дросселей помогает лучше понять принцип работы импульсного блока.

Импульсные блоки питания (ИБП), применяемые как зарядные устройства мобильной техники, выполняются по более примитивной схемотехнике, именуемой обратноходовой преобразователь, где многообмоточный накопительный дроссель заменяет трансформатор. Они обладают невысокой мощностью, ограниченной возможностями дросселя (на практике не более 200 ватт) и высоким уровнем электромагнитных помех. Но простота конструкции позволяет ставить их в недорогую технику (адаптеры-зарядники, энергосберегающие и светодиодные лампы и т.п.)
Бестрансформаторное питание
В рассмотренных узлах применяется трансформатор: либо низкочастотный «железный», либо высокочастотный импульсный. Но его применение необязательно. Существуют и бестрансформаторные модификации, в которых потенциал снижается с помощью гасящих резисторов, конденсаторов, или более изощрённым путём.
Примечание: они не имеют гальванической развязки с питающей сетью, поэтому при работе с ними важно соблюдать меры электробезопасности.
На заре электроники они применялись в массово выпускаемых радиоприёмниках. Например, в «Москвич-Б». Трансформатор был очень дорогим и материалоёмким изделием, и для послевоенных стран масштабное изготовление такого дорогого узла было невозможным. Вводное напряжение здесь непосредственно поступало на выпрямитель и далее шло для питания анодных цепей, а радиолампы соединялись, как ёлочная гирлянда, последовательно, и через гасящий резистор или лампу накаливания также напрямую включались в сеть.

В относительно сложной технике, такой как радиоприёмник, применение бестрансформаторного питания было послевоенным компромиссом между сниженной электробезопасностью и возможностью массового выпуска. Но вот для запитывания части устройств они применяются до сих пор.

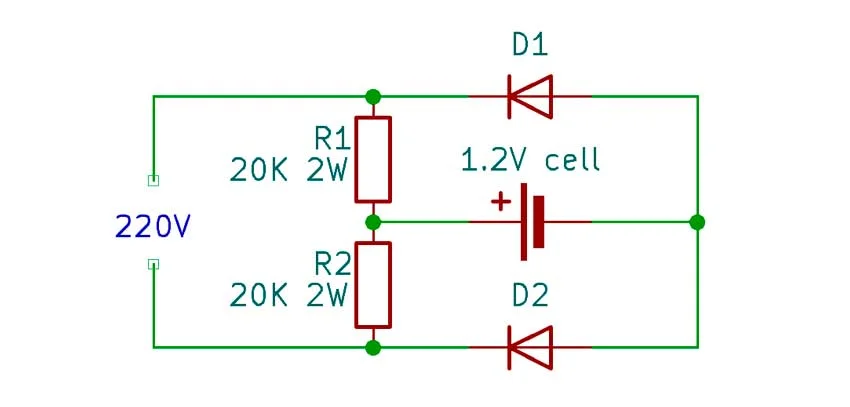
Здесь представлен несложный зарядник для никель-кадмиевых и никель-марганцевых аккумуляторов с номиналом 1.2 вольта. Состоит из двух гасящих резисторов R1, R2 и пары выпрямительных диодов D1 и D2. Он не содержит ни трансформатора, ни преобразователя-конвертера, но устройство вполне работоспособно, несмотря на примитивность.
Резисторы чаще всего заменяются гасящим конденсатором. Он гасит излишек энергии своим реактивным сопротивлением переменному току и, следовательно, не нагревается, в противоположность им, которые его избыток конвертируют в тепло и требуют детального подбора по максимальной рассеиваемой мощности (смотри статью «Как проверить резистор мультиметром?»).

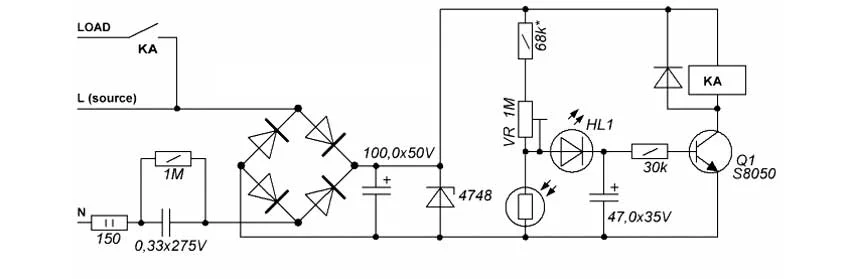
Схема 6 типовая для датчиков освещенности, которые используются для автоматического включения уличного освещения при наступлении темноты. В ней компонент ёмкостью 0.33 мкФ гасит излишек, выдавая после выпрямителя стабильные 24 вольта, необходимые для работы электромагнитного реле. Резистор сопротивлением 150 ом, включенный последовательно, нужен для ограничения тока при подключении к сети. Еще один, сопротивлением 1 мОм, включенный параллельно ему, для того же, что и элемент R1 на схеме 1.

Так же среди бестрансформаторных разновидностей есть довольно специфические.

Это бестрансформаторный каскадный БП, в котором выпрямление осуществляется диодами D1-D4, и поступает на первый параметрический стабилизатор, собранный на Q1-транзисторе, R1-резисторе и D1-стабилитроне. Остальные собраны аналогично. Лишь с той разницей, что первый обеспечивает стабилизацию на уровне 150В, второй 70В, третий 12В. Напряжения стабилизации заданы стабилитронами, изготовленными для того, чтобы стабилизировать именно эти уровни. После третьего стабилизатора оно сглаживается фильтрующим C1-конденсатором и идёт в нагрузку. КПД здесь невысок и реально может применяться только с небольшими токами в нагрузке. Плюс заключается в компактности и стабильности выходных характеристик.
Выпрямитель
Как следует из названия, он нужен для выпрямления в формате AC-DC. Но, если быть точным, то после выпрямителя он становится пульсирующим:

Сейчас в выпрямителях встречаются только кремниевые полупроводниковые диоды (подробнее о них читайте в статье «Что такое полупроводник?»). Ранее для этих целей служили сборки на радиолампах — кенотроны, а также старинная разновидность ПП-диодов на основе селена.

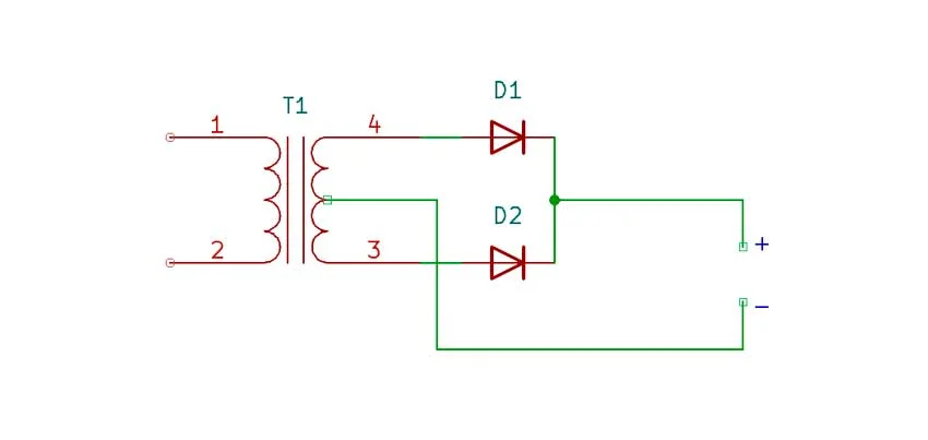
Выпрямители, выпрямляющие обе полуволны переменного тока, называются двухполупериодными. Один из часто встречающихся изображён на схеме 6. Диоды D1-D4 включены так называемым «мосту».
Двухполупериодному двухдиодному выпрямителю работы требуется отвод от середины вторичной обмотки. Это часто применялось в ламповой технике.

Однополупериодные выпрямители на одном диоде выпрямляют только одну полуволну AC и применяются для выпрямления токов невысокого уровня напряжения и силы. Например, как детектор сигналов радиочастоты или в маломощных ЗУ.

Сглаживающий фильтр
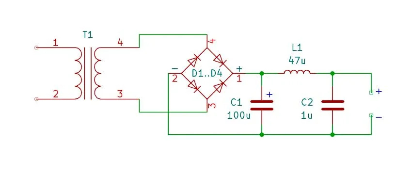
Он нужен для уменьшения пульсаций тока после выпрямления. Базовый элемент здесь — электролитический конденсатор, а также разные по схемотехнике RC- и LC-фильтры. На схеме 9 простейший сглаживающий фильтр на электролите C1.

На схеме 10 фильтр со сглаживающим дросселем. Её часто выбирают, чтобы питать микроконтроллеры и другие виды цифровых микросхем.

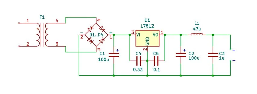
Стабилизатор
Нестабильность входной электросети, девиация параметров радиокомпонентов по мере прогрева, различная нагрузка приводят к отсутствию стабильности на выходе. Для борьбы с этим применяют разные по схемотехнике линейные стабилизаторы. Ранее ставились специализированные лампы — бареттеры, а также газонаполненные стабилитроны. Изобретение ПП-стабилитрона помогло создать эффективный надёжный стабилизатор.

Здесь предыдущий вариант дополнен параметрическим стабилизатором на транзисторе Q1, являющимся исполнительным «механизмом», а управляющим — специальный полупроводниковый диод. Он называется стабилитроном (как он работает, узнавайте из статьи «Что такое полупроводник?»).
По факту чаще применяют линейные интегральные стабилизаторы, выполненные в форм-факторе микросхемы:

Регулятор напряжения
Помимо задачи фильтрации и стабилизации, зачастую нужна ручная регулировка выходного напряжения. Например, в лабораторных блоках питания (ЛБП). Простейшим образом её реализуют вторичной обмоткой с несколькими отводами: подключая ползунок переключателя к нужному отводу, добиваются ступенчатой регулировки. Такой способ встречается в дешёвых сетевых адаптерах:

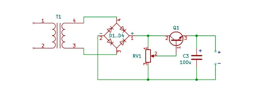
Более удобным способом регулировки является плавная, с помощью переменного резистора:

Она очень похожа на решение с параметрическим стабилизатором (схема 11), только вместо стабилитрона функцию регулятора выполняет ручка подстроечного резистора.

На практике чаще применяют интегральные регуляторы, вернее даже сказать регулируемые микросхемные стабилизаторы, как популярная LM317:

Вторичный преобразователь (DC-DC)
Параметрические и линейные интегральные стабилизаторы имеют один минус, конкретно — невысокий коэффициент полезного действия, так как «лишний» потенциал они гасят, превращая в тепло. Если схемотехника устройства предусматривает несколько питающих напряжений и относительно высокий ток потребления нагрузкой, то применение линейных стабилизаторов потребует общего увеличения мощности и вызовет повышенное тепловыделение, что неприемлемо, особенно в малогабаритной технике или в герметичной аппаратуре. Лучшее решение — применение вторичных DC-DC преобразователей. Они активно применяются более двух десятилетий, но массовыми, доступными каждому, стали недавно. Американскими производителями выпускается всё расширяемая номенклатура микросхем-преобразователей, а китайскими изготовителями — еще более богатый выбор клонов оригинальных продуктов и огромная масса различных по сложности готовых плат, содержащих всё необходимое для преобразования с КПД >90%. Их схемотехника имеет сходство с обратноходовыми преобразователями.

С популярнейшим устройством на одной их таких микросхем ознакомьтесь в статье «Обзор и тестирование регулируемого понижающего DC-DC конвертера на LM2596S».
Защита от выхода перегрузки
Для защиты от перегрузки, короткого замыкания на выходе или в снабжаемом устройстве, ИП оборудован защитными обвязками. В простейшем случае это может быть обыкновенный плавкий предохранитель с номиналом, равным максимальному выходному току. В более сложных вариациях на выходе стоит резистор низкого (доли ома) сопротивления, являющийся токовым измерительным шунтом: отслеживает падение потенциала пропорционально силе тока в цепи, в которую он включён. Напряжения падения поступает в цепи обратной связи, регулирующие выходной ток и потенциал и прекращающие работу БП при превышении разрешённого тока или КЗ.
Вместо токового шунта в более сложных устройствах применяют специализированные токоизмерительные микросхемы. Например, MAX471, которая уже содержит внутри прецизионный измерительный шунт очень малого сопротивления (0.0035 ом), или ACS712, использующую эффект Холла для определения силы проходящего тока и имеющую полную гальваническую развязку с измеряемой цепью.

Блоки питания прошли долгий путь развития: от примитивных батарей, до передовых сверхвысокочастотных импульсных конвертеров с эффективностью, уже близко подобравшейся к 100%. Это ещё не предел, и схемотехника преподнесёт нам немало сюрпризов. А сейчас мы имеем то, что есть. Все востребованные решения мы изучили, как и узлы в разнотипных БП, узнали, как они действуют, и сравнили характеристики. Уверены, читателям понятна важность грамотного конструирования ИП, с которых начинается любое электротехническое устройство.