Обзор и тестирование регулируемого понижающего DC-DC конвертера на LM2596S
Преобразование одной величины напряжения переменного тока (англ. alternating current, AC) в другую не является сложной инженерной задачей. Наиболее рациональное и эффективное решение — применение обычного трансформатора, изобретённого довольно давно, а конкретнее — в далёком 1876 году.
Но ещё совсем до недавнего времени преобразовать одну величину напряжения постоянного тока (англ. direct current, DC) в другую было весьма непросто. На заре электроники подобное могло выполняться только с помощью мощных проволочных переменных резисторов, включённых по схеме делителя потенциала – потенциометра. Разумеется, «преобразование» происходило исключительно в сторону уменьшения его значения.
Увеличение тогда осуществлялось лишь через громоздкие и неэффективные машинные преобразователи, состоящие из электродвигателя и расположенного на одном валу с ним генератора, либо с применением вибрационных устройств, в которых «переменный», а точнее пульсирующий ток создавался быстро размыкающимися и замыкающимися контактами, приводимых в движение электромагнитом с прерывателем. Обилие подвижных частей и контактных групп, неизбежное искрение и обгорание последних не давало получить от таких установок какой-либо вменяемой надёжности.
Новым витком развития стало использование схем электронных генераторов, нагруженных на трансформатор. Они применялись тогда и встречаются сейчас в ИБП. Их КПД невысок и сочетается с большой массой, материалоёмкостью, и, следовательно, ценой.
Рождение действительно компактных, надёжных, дешёвых и доступных всем электронных преобразователей произошло несколько позже. В настоящее время мы имеем в своём распоряжении широкую номенклатуру как понижающих (step-down), так и повышающих (step-up) устройств. Об одном из них и будет эта статья, где мы опишем микросхему LM2596S, расскажем о распространённой модели преобразователя, собранного на ней, а также раскроем отчет о его проверке на соответствие заводским характеристикам.
Время чтения: 12 минут
LM2596S? Это очень просто!
Описание микросхемы LM2596S
Перед тем, как приступить к обзору, познакомимся с сердцем преобразователя — одноимённой микросхемой LM2596S.
В оригинальном виде она была разработана американской компанией Texas Instruments и выпущена в продажу в конце 90-х годов прошлого века. За более чем 20 лет существования её было создано несколько разновидностей и ревизий. Но доступность и широкую распространённость получила не микросхема-оригинал, а её клон от множества китайских производителей с литерой LM2596S. Именно её мы и рассмотрим в этом разделе.
Она представляет собой интегральный понижающий преобразователь энергии. Чтобы он работал, нужно минимальное количество внешних компонентов, и не требуется никакой настройки. Выпускается в версии с фиксированными параметрами на выходе (3,3В; 5В; 12В), а так же в регулируемой (ADJ) модификации. Именно её мы и будем рассматривать и исследовать.
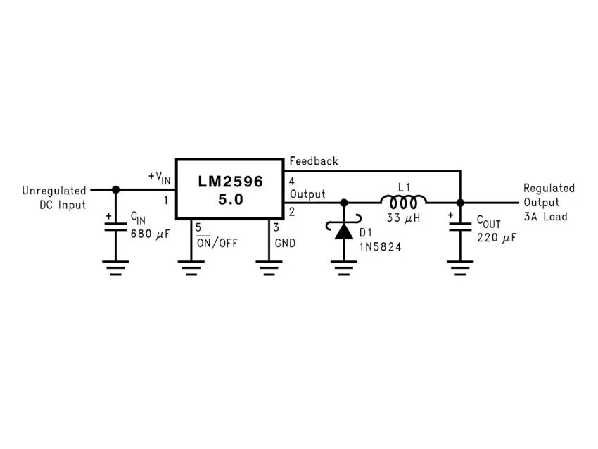
Типовая схема включения представлена на рисунке ниже. Взята из оригинальной документации компании Texas Instruments:
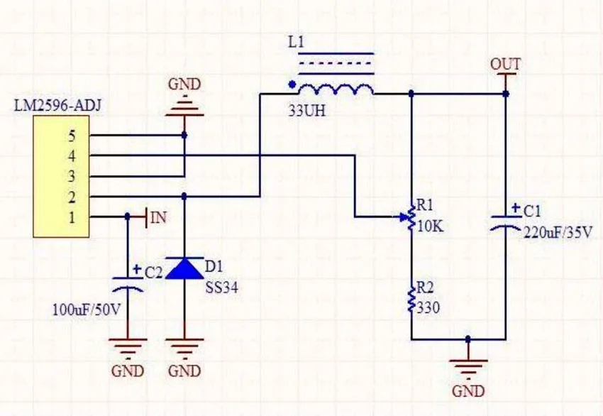
Но в нашем случае она немного иная. Схема исследуемого образца взята из документации разработчиков китайского клона:
Как видно, разница включения в них незначительна. Отличие только в номинале входного электролитического конденсатора и присутствии делителя напряжения в цепи обратной связи для возможности его регулировки.
Ниже приведены некоторые наиболее интересные для нас параметры компонента, взятые из техдокументации на оригинал, которые и будут учитываться при последующем тестировании:
| Параметр | Значение | |
|---|---|---|
| Минимальное входное напряжение | 3,2 | В |
| Максимальное входное напряжение | 45 | В |
| Минимальное выходное напряжение | 1,2 | В |
| Максимальное выходное напряжение | 37 | В |
| Максимальный ток | 3 | А |
| Пульсации выходного напряжения | ≤30 | мВ |
| Частота преобразования | 150 | кГц |
| Коэффициент полезного действия (ADJ-версия микросхемы: VВХ=12В, VВЫХ=3В, I=3А) | ≤73 | % |
Обзор преобразователя на базе LM2596S
Он представляет собой небольшую, полностью готовую к использованию плату:
Габариты 43,3*21,8*13 мм, вес 11 грамм.
Помимо самой микросхемы, на ней размещены и другие жизненно важные для преобразователя компоненты: входной и выходной электролитический конденсатор, накопительный дроссель, коммутационный диод, а также некоторые вспомогательные элементы.
При подаче электропитания на контактные площадки входа, обозначенные IN+ и IN–, прибор запускается немедленно, о чём свидетельствует зажигание светодиода индикации наличия потенциала на противоположных контактах OUT+ и OUT–. Подстройка преобразуемой энергии осуществляется многооборотным переменным резистором-потенциометром.
На фото видно, как поступающие с универсального блока питания MAISHENG MS-3010D 12 вольт подаются на вход преобразователя. Простой, но обладающий высокой точностью мультиметр DT-830 подключен к контактным площадкам OUT+ и OUT– и измеряет напряжение на выходе.
Тестирование преобразователя
В этом разделе будут проведены измерения основных эксплуатационных параметров прибора. Для тестирования использовано следующее оборудование:
Пульсации выходного напряжения
Определение уровня пульсаций будем производить при питании прибора от свинцово-кислотного аккумулятора на 12В (фактическое у заряженной автомобильной/мотоциклетной АКБ оно составляет 12,6В). Сделано это для исключения влияния пульсаций электропитания на характеристиках выходного тока, которые появляются, если подключить преобразователь к ЛБП.
Выходное напряжение установлено на 5 вольт. Сила тока задана резистором на уровне 2 ампера (в таком случае суммарное сопротивление резистор+провода получается 2.5 Ом).
Осциллограф переведён в режим закрытого входа (для отсечения постоянной составляющей выходного сигнала). На экране выше чётко видно, что размах пульсаций выходного напряжения равен 236 мВ, что почти в 10 раз выше заявленных производителем ≤30 мВ. Их частота, то есть и частота преобразования, около 53 кГц, что тоже не соответствует указанной производителем информации.
Повышенный уровень пульсаций вероятнее всего и возникает из-за сниженной частоты преобразования, недостаточной ёмкости электролитических конденсаторов на входе и выходе и/или их невысокого качества, неверно подобранного накопительного дросселя. А почему она снижена, известно только китайским сборщикам.
Минимальное входное напряжение
Перед его измерением определяется наименьшее выходное напряжение: для этого переменный резистор устанавливается в соответствующее положение, а результат замеряется вольтметром. У рассматриваемого прибора оно составляет около 1,2 вольта, что соответствует норме.

После чего входное электропитание снижается до момента приостановки работы прибора:

Затем немного поднимаем его на 0,01В, и преобразователь вновь запускается, выдавая на выходе значение, близкое к его минимуму:

Таким образом установлено, что нижний порог входного электропитания составляет 3,25В (3,2÷3,3В с учетом погрешности вольтметра ЛБП). Это совпадает с официальными характеристиками.
Максимальное входное напряжение
Перед его измерением настраиваем прибор на выдачу 5В. Наличие на выводных контактах питания именно в установленном значении говорит об исправности преобразователя при подаче на вход относительно высокого напряжения.

Питаясь от 20В, прибор сохраняет работоспособность.

И даже при увеличении питания до 30В он исправен.

Значение в 30В является предельным для ЛБП MAISHENG MS-3010D и дальнейшее увеличение напряжения будет производиться с участием полностью заряженного свинцово-кислотного аккумулятора, фактически выдающего 12,6В, и включённого последовательно с блоком питания. Напряжения обоих источников при таком подключении будут складываться.

Подавая на наш исследуемый прибор 44,6В (32В + 12.6В) отмечаем, что он стабильно выдаёт 5В на выходе, что свидетельствует о соответствии полученного параметра техническим характеристикам.
Работа при номинальном токе
Здесь будет производиться измерение теплового режима микросхемы устройства и уровень пульсаций выходного напряжения.
Измерение температуры будем производить контактным термодатчиком (термопарой).
При работе на номинальном токе около 2 ампер в течение 10 минут температура микросхемы составила 79°C. Данный режим пригоден для длительной эксплуатации.

Показатель пульсации порядка 200 мВ, частота — около 55-60 кГц.
Работа при максимальном токе
Через 10 минут работы на токе, близком к максимальному (немногим более 3 ампер) температура поднялась до порядка 150°C. Длительная эксплуатация при столь сильном нагреве неприемлема. Такой эксплуатационный режим допустим в течение максимум нескольких минут.
Уровень пульсаций возрос до более чем 300 мВ, а частота преобразования снизилась до 30 кГц. При таких рабочих параметрах коэффициент полезного действия устройства крайне низкий.
Работа в аварийных режимах
Возникновение короткого замыкания на выходных контактах приводит к мгновенному выходу микросхемы из строя с громким хлопком и разрушением корпуса. Защита от КЗ в данной конфигурации отсутствует.
Никаких защитных диодов, предохранителей на плате нет. Защита от обратной полярности подаваемого питания не реализована и в микросхеме. Если перепутать контакты «+» и «-» при подключении устройства к внешнему питанию, то это приведёт к быстротекущему отгоранию вывода питания положительной полярности.
КПД преобразователя
Согласно спецификации изготовителя, максимальный КПД регулируемой ADJ-версии достигает η=73% при режиме VВХ=12В, VВЫХ=3В, I=3А. Результат измерений входных и выходных параметров, а также вычисленное значение мощности при таком режиме приведены в таблице:
| На входе | На выходе | |
| Напряжение, В | 12 | 2,94 |
| Сила тока, А | 1,30 | 2,98 |
| Мощность, Вт | 15,6 | 8,76 |
Как следует из таблицы, потреблением составляет 15,6 Вт электрической энергии, а выдаёт он 8,76 Вт. Разница между двумя этими значениями (6,84 Вт) превращается в тепло. Получается, КПД равен:

Фактически данный параметр не соответствует документации.
В данной статье было дано описание микросхемы преобразователя LM2596S, обзор распространённого преобразователя, собранного на данной микросхеме, а так же приведён отчет тестирования этого преобразователя на соответствие заявленным характеристикам. В рассматриваемом преобразователе используется не оригинальная микросхема фирмы Texas Instruments, а её клон неизвестного китайского производителя. Некоторые параметры данной микросхемы не соответствуют документации оригинальной микросхемы, но тем не менее, преобразователь вполне работоспособен, при работе на номинальном режиме достаточно надёжен и вполне может применяться в неответственных радиолюбительских электронных конструкциях, а при реализации некоторых видов защит и применении охлаждения будет сохранять работоспособность и при нештатных ситуациях.