Импульсные источники питания с гальванической развязкой
Импульсные источники питания (ИИП) без гальванической развязки, рассмотренные в предыдущей статье, ограниченно применимы в качестве DC-DC преобразователей с одним выходным напряжением. Диапазон ограничен параметрами входа и рабочим циклом.
Заменив накопительный дроссель на трансформатор, устраняем большинство ограничений, получая дополнительные плюсы. Появляется гальваноразвязка входа и выхода (смотри статью «Гальваническая развязка цифрового осциллографа»). Часто это строго обязательно для сетевых источников питания (ИП) бытовой аппаратуры. Коэффициент трансформации подбирается для получения напряжения на выходе, сильно отличающегося от входа; топологии без гальваноразвязки лимитированы диапазоном примерно в 5 раз. Выбрав правильный коэффициент, легко оптимизировать рабочий цикл и минимизировать пиковые токи. Полярность каждого выхода выбирается в зависимости, полярна ли вторичная обмотка (ВО) относительно первичной (ПО).
У трансформаторов есть и минусы: больше размер, масса и цена в сравнении с накопительными дросселями, бо́льшие потери из-за индуктивности рассеяния и нагрева обмоток. ИИП с гальваноразвязкой, рассматриваемые в статье, делятся на две базовые категории: асимметричные и симметричные.
Время чтения: 17 минут
Особенности ИИП с гальванической развязкой
В асимметричных приборах магнитная рабочая точка трансформатора всегда находится в одном квадранте: магнитный поток и поле не меняют знак. Поток должен быть прекращён в каждом цикле, чтобы избежать насыщения, а потому используется только половина из возможно полезного. Это наглядно видно на диаграмме.

Обратноходовой и прямоходовой ИИП асимметричные. Диаграмма показывает, что обратноходовой работает при более низкой магнитной проницаемости (B/H) и сниженной индуктивности. Всё потому, что его трансформатор фактически сохраняет всю энергию перед сбросом в нагрузку, поэтому для её сохранения и предотвращения насыщения сердечника нужен воздушный зазор, который снижает общую проницаемость.
Примечание: трансформатор здесь часто справедливо называют многообмоточным дросселем ввиду особенностей его работы.
Во всех остальных типах «трансформирует» и в идеале не накапливает электроэнергию, тогда воздушный зазор отсутствует. В симметричных источниках используется полный доступный размах магнитного потока в обоих квадрантах петли B/H, таким образом, потенциал сердечника раскрыт гораздо эффективнее. Они выдают больше мощности, чем их «младшие» асимметричные версии. Три основные практикуемые симметричные топологии: двухтактная, полумостовая и мостовая. В таблице приведены типичные параметры, доступные сегодня:
| Топология | Максимальная мощность, Вт |
| Обратноходовой | 200 |
| Прямоходовой | 400 |
| Двухтактный | 600 |
| Полумостовой | 1000 |
| Мостовой | более 1000 |
Обратноходовые
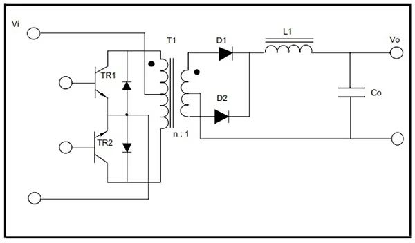
Из всех описываемых ИИП, безусловно, они простейшие. Один транзисторный ключ значит, что трансформатор управляется только однополярно (асимметрично). Это увеличивает размер сердечника. Обратноходовой источник, являющийся гальванически развязанной версией повышающе-понижающего (инвертирующего), на самом деле содержит не трансформатор, а двухобмоточный дроссель. Когда ключ TR1 включён, энергия накапливается в ПО, а затем высвобождается в выпускающую цепь через «вторичку», когда он выключен. Эта особенность и дала название такому классу устройств.

Полярность включения обмоток иная (смотри схему). Во время, когда транзисторный ключ открыт, выпрямительный диод, напротив, закрыт. Когда закрыт, напряжение на ВО меняет полярность, поддерживая постоянный поток в сердечнике и заставляя ток во вторичной цепи течь через диод к нагрузке. Величина пикового тока — в ПО при выключении ключа, умноженная на коэффициент трансформации. То, что вся выходная мощность обратноходового ИП хранится в сердечнике в виде энергии ½LI2, значит, что размер и его стоимость больше, чем в других топологиях, где хранится только энергия возбуждения (намагничивания) (ЭН) сердечника, обычно малая. В дополнение к изначальному частичному использованию униполярного сердечника, выходит, массогабарит трансформатора — один из основных недостатков обратноходового ИИП.
Чтобы получить достаточный запас энергии, индуктивность ПО нужна гораздо ниже, чем требуется для настоящего трансформатора, поскольку необходим высокий пиковый ток. Обычно это достигается введением зазора в сердечник. Ещё расстояние уменьшает индуктивность, что позволяет избежать насыщения сердечника. Когда ключ отключается, ток через ВО создаёт напряжение в ПО, и во многих случаях оно почти столь же высокое, как у электропитания.
Также существует выброс потенциала при выключении из-за накопленной энергии в индуктивности рассеяния трансформатора. Ключ должен быть способен выдерживать примерно в два раза большее напряжение плюс величину всплеска индуктивности рассеяния. Следовательно, для сетевого ИИП, питающегося от 220В AC (размах которого достигает 390В), предельное значение коллектор-эмиттер или сток-исток транзистора в диапазоне от 800 до 1000В. Транзисторные ключи с такими характеристиками относительно дороги и имеют худшую эффективность с быстродействием.
Преимущества
В обратноходовых ИП ВО включена последовательно с выпрямительным диодом, только когда ток подаётся на нагрузку, являясь частью LC-фильтра. Он не нуждается в дросселе фильтра. Следовательно, для каждой ВО требуется только один диод и электролитический конденсатор.
Обратноходовой — идеален для недорогих ИП. Он также подходит для выработки высоких напряжений. Для фильтрации требуется LC-фильтр с дросселем с очень высоким значением индуктивности (следовательно, массы и габаритов), которая сведёт на нет всю компактность, эффективность и дешевизну.
Недостатки
Из осциллограмм обратного хода на рисунке выше ясно, что выходной конденсатор Co получает энергию, когда закрыт ключ. Он должен сглаживать пульсирующий ток, который имеет более высокие пиковые значения, чем непрерывный, получаемый, например, прямоходовым ИП. Следовательно, ёмкость Co нужна относительно большой, а эквивалентное последовательное сопротивление (ЭПС, ESR) — низким, чтобы дать приемлемый уровень пульсаций на выходе. Обратноходовые схемы изначально «страдают» гораздо более высокими выходными пульсациями, чем другие топологии. Это в совокупности с повышенными пиковыми токами, «большими» конденсаторами и трансформаторами ограничивает реальную мощность обратноходовых ИИП на уровне около 200 ватт.
Прямоходовые
Топология также представляет собой гальванически развязанный ИП. Она основана на понижающем ИП, описанном ранее, с заменой дросселя на трансформатор и добавлением второго диода в выходной цепи. Также обязательным становится наличие сглаживающего LC-фильтра. В отличие от обратноходового, прямоходовой использует трансформатор в прямом качестве: энергия передаётся с ПО на ВО через индуктивную связь непосредственно при протекании тока через первичную обмотку, то есть при включённом ключе.

Во время, когда ключ включён, протекающий во ВО ток вызывает накопление энергии в выходном дросселе L1. Когда ключ выключается, напряжение на вторичной обмотке изменяет полярность, D1 закрывается, а D2 открывается и обеспечивает путь для продолжения течения тока дросселя. Это позволяет энергии, накопленной в L1, высвобождаться в нагрузку, даже когда ключ выключен. Прямоходовой преобразователь всегда работает в непрерывном режиме, поскольку так обеспечивает очень низкие пиковые входные и выходные токи и малые пульсации. Переход в прерывистый режим значительно увеличит эти параметры, а также уровень генерируемых ЭМИ-помех (смотри статью «Электромагнитные помехи. Выявляем и устраняем»).
Преимущества
Ток дросселя IL, одновременно выходной, всегда непрерывен. Величина пульсирующей составляющей и пиковый выходной электроток, зависят от размера и параметров дросселя L1. Следовательно, пульсации легко минимизировать по сравнению с выходом, сведя к минимуму пики. Этот слабо пульсирующий непрерывный ток очень легко сгладить, и поэтому требования к ёмкости Co и его ЭПС намного меньше, чем у обратноходового.
Поскольку трансформатор в этой топологии передаёт энергию напрямую, в сердечнике имеется незначительный запас энергии. Однако для возбуждения сердечника требуется небольшая ЭН, что позволяет ему стать проводником для передачи электроэнергии. Она очень мала, и требуется лишь небольшой ток намагничивания в ПО. Её индуктивность бывает высокой и без воздушной прослойки никак. Стандартные ферритовые сердечники без зазоров с высокой магнитной проницаемостью (2000÷3000) идеальны для получения требуемой высокой индуктивности. Незначительное накопление энергии значит, что трансформатор значительно меньше и потери в сердечнике ниже при мощности, что и у обратноходового. Однако он работает в асимметричном режиме: мощность передаётся только при включённом ключе, и потенциал сердечника используется не полностью.
Транзисторы имеют то же номинальное напряжение, что у обратногоходового, но пиковый ток, требуемый для той же мощности, уменьшается вдвое. В сочетании с более лояльными требованиями к трансформатору и выходному конденсатору фильтра, получаем, что прямоходовой прибор подходит для использования при увеличенных мощностях, чем может достичь обратноходовой (на практике около 300 ватт).
Недостатки
Из-за униполярной коммутации существует серьёзная сложность, как избавиться от ЭН сердечника к концу каждого цикла переключения. Иначе через ПО начнёт протекать постоянный ток, который может привести к её повреждению и пробою ключа. В симметричных типах ИИП эта энергия удаляется автоматически. В обратноходовом она сбрасывается в нагрузку при выключении транзистора. Однако в прямоходовом такого пути нет. Этот путь обеспечивается добавлением дополнительной обмотки сброса, противоположной к первичной полярности.
Добавляется ещё блокировочный диод D3, чтобы ЭН возвращалась во время, когда ключ закрыт. Добавление дополнительных компонентов и усложнение конструкции приводит к увеличению стоимости.
Обмотка сброса намотана бифилярно с ПО для обеспечения хорошей индуктивной связи и обычно имеет такое же количество витков (но сечение провода бывает очень малым). Таким образом, время, за которое ЭН падает до нуля, равно времени включения транзистора. Максимальный теоретический коэффициент заполнения прямого преобразователя составляет не более 0.5, а после учёта задержек переключения он падает до 0.45. Ограниченный диапазон управления и зоны стабильной работы — один из минусов.
Двухтактные
Чтобы полностью использовать потенциал трансформатора, необходимо симметрично управлять магнитудой в сердечнике, как было описано ранее. Это позволяет использовать трансформаторы гораздо меньших размеров и мощнее, чем это возможно у однотактных (обратноходовых и прямоходовых). Симметричные ИИП требуют использования чётного числа транзисторных ключей.
Одним из самых известных представителей является двухтактный преобразователь. ПО имеет отвод от середины, и каждый транзисторный ключ приводится в действие попеременно, «раскачивая» трансформатор в обоих направлениях.

Поэтому у двухтактников он обычно вдвое меньше, чем для однотактников, что приводит к возможности разработки более компактной конструкции. В таком режиме работы происходит «естественный» сброс магнитной энергии сердечника в течение каждого полупериода, поэтому не внедряется обмотка сброса. Мощность передаётся в выходную цепь в течение каждого периода. Рабочий цикл каждого ключа обычно устанавливается менее 0.45. Это обеспечивает достаточное время задержки, чтобы избежать перекрёстной транзисторной проводимости. Мощность теперь может передаваться на выход в течение 90% времени периода работы, что позволяет получить бо́льшую отдачу, чем в однотактных. Они обычно используются для мощности в диапазоне от 100 до 600 ватт.

Поэтому выходной дроссель и конденсатор проще. Получается, двухтактные ИИП отлично подходят, когда нужно больше мощности при минимуме пульсаций.
Преимущества
Прибор имеет очень компактную конструкцию трансформатора и выходного фильтра, при этом слабо пульсирует на выходе. Ввиду этого подходит для проектирования ИП с жёсткими ограничениями на физическую площадь и объём. В двухтактном ИИП также используется непрерывный режим работы, а управление относительно легко реализуется. Несколько выходных напряжений легко организуются добавлением вторичных обмоток.
Ограничительные диоды позволяют незамысловато возвращать энергию сброса обратно, разгружая ключи и немного повышая эффективность. Эмиттер или исток транзисторных ключей под одним и тем же потенциалом, что избавляет от обустройства гальванической изоляции баз или затворов транзисторов с помощью разделительного трансформатора или оптрона, а это удешевляет.
Недостатки
Одно из главных — к каждому транзистору прикладывается напряжение, вдвое превышающее входное из-за эффекта его «удвоения» у трансформаторов с ПО с отводом от середины. Для блока на 220 вольт потребуются два дорогих высоковольтных и менее эффективных транзистора на 800÷1000 вольт.
Ещё одна серьёзная сложность — он склонен к дисбалансу симметрии магнитного потока. Если колебание в каждом полупериоде не симметрично, параметр В/сек не сбалансируется, и это приведёт к насыщению сердечника, особенно при высоком входном напряжении. Дисбаланс симметрии вызывается различающимися характеристиками двух транзисторов, такими как время включения/выключения и различными потерями в открытом состоянии.
Необходимость отвода тоже несколько усложняет и удорожает его конструкцию. А ещё нужно тщательно рассчитывать снабберные (демпферные) цепи. Это справедливо для всех симметричных ИИП. Перечисленные выше недостатки на практике ограничивают диапазон входов в 12÷48В. DC-DC-преобразователи, используемые в автомобильной и телекоммуникационной промышленности, часто имеют именно такую конструкцию. При этих уровнях насыщения трансформатора легче избежать.
Полумостовые
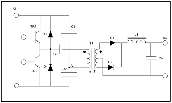
Из всех симметричных ИИП высокой мощности он самый популярный. Его ещё называют «однотактно-двухтактным» ИП, и в принципе он является сбалансированной версией обычного прямоходового, который происходит от понижающего.

Два основных конденсатора C1 и C2, соединённые последовательно, реализуют искусственную среднюю точку для входного напряжения (А на схеме). Два транзисторных ключа управляемы переменно: каждый конденсатор подключается через одинаковую ПО каждый полупериод. Vi/2 прикладывается симметрично через неё как в двухтактном режиме. Мощность идёт на выход на протяжении 90% периода работы (некоторое мёртвое время требуется для предотвращения перекрёстной проводимости). Поскольку ПО управляется в обоих направлениях (естественный сброс, описанный ранее), на выходе реализован классический двухполупериодный выпрямитель (выпрямитель работает на удвоенной частоте переключения) вместо однополупериодного. Это снова приводит к общему увеличению КПД.

Преимущества
Поскольку оба транзистора фактически включены последовательно, напряжение на любом из них не бывает выше Vi. Когда оба выключены, оно на каждом из них равно Vi/2. Это половина номинала двухтактного ИИП (хотя ток в два раза больше!). «Полумост» особенно хорошо подходит для моделей с высоковольтным входом. К примеру, в сетевой ИП поставить два более быстродействующих, более эффективных транзистора на 450 вольт вместо 800-вольтовых, необходимых для двухтактного. Это позволяет работать на более высокой частоте. Ещё одно важное преимущество — нет проблемы с насыщением трансформатора из-за дисбаланса симметрии потока. При использовании конденсатора небольшой ёмкости (менее 10 микрофарад) любое постоянное нарастание потока в трансформаторе блокируется, и со входа берётся только симметричный переменный ток. Схемотехника позволяет использовать блокировочные диоды, показанные на схеме как D3 и D4, через которые индуктивность рассеяния и ЭН сбрасываются обратно в два входных конденсатора, защищая транзисторы от опасных переходных процессов и повышая общую эффективность. Менее очевидное исключительное преимущество «полумоста» — схемотехника содержит два последовательно включённых конденсатора, позволяющие реализовать удвоение напряжения. Это позволяет с лёгкостью иметь возможность питания от разных электросетей: к примеру, 220 и 110 вольт.
Полумостовая и мостовая схемы также имеют те же преимущества перед однотактными ИИП, которыми обладают и двухтактники, включая трансформаторную эффективность, очень небольшую пульсацию и высокую мощность. Ограничивающим фактором максимальной мощности, доступной от «полумоста», является ограниченный пиковый ток современных транзисторов и сопротивление открытого канала эмиттер-коллектор или сток-исток. Редко когда верхний предел мощности достигает 1000 ватт. Если нужно мощнее, то только мостовая топология.
Недостатки
Два высоковольтных входных конденсатора — недостаток из-за их большого размера и цены. Верхний по схеме транзистор также должен иметь гальванически изолированную базу или затвор, поскольку они находятся под плавающим потенциалом. Также при необходимости применения снабберных (демпферных) электроцепей их расчёт и идентичность должны быть на «высоте», чтобы они не нарушили симметрии работы схемы. Стоимость и сложность схемы «полумоста» явно выше и часто нивелирует любые её достоинства. Это обычно исключает её внедрение при уровнях мощности ниже 500 ватт, ввиду затратности проектирования и изготовления.
Мостовые
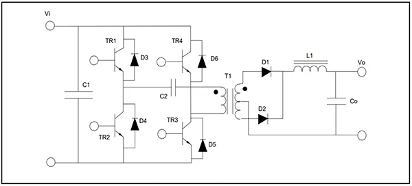
Это более мощная версия среди всех рассмотренных. Максимальные номинальные токи силовых транзисторов в итоге определяют верхний предел выходной мощности «полумоста». Эти уровни удваивают, используя мостовую схемотехнику, которая получается путём добавления ещё двух транзисторов и блокировочных диодов к полумостовой схеме.

Уровни протекающего тока уменьшаются вдвое по сравнению с «полумостом». Следовательно, мостовая конфигурация схемы удвоит мощность, используя те же по характеристикам транзисторы. Вторичная цепь работает как и у двухтактного и полумостового ИИП, таким же образом создавая сверхмалые пульсации на выходах при сверхвысоких уровнях тока. Значит, и осциллограммы для мостовой схемы идентичны полумостовой, за исключением напряжения на первичной обмотке, которое фактически удваивается (а токи переключения уменьшаются вдвое).
Преимущества
Как уже говорилось, «мост» идеален для преобразования сверхвысоких мощностей. Повышенная сложность схемы обычно ведёт к тому, что мостовую схемотехнику целесообразно применять там, где эти показатели перешагивают за 1 киловатт. Для таких высоких требований к мощности проектировщики часто выбирают мощные составные транзисторы по схеме Дарлингтона, поскольку их номинальные токи и характеристики переключения предоставляют дополнительную производительность и зачастую экономически эффективную конструкцию, а также мощные MOSFET-транзисторы. Ещё требуется только один сглаживающий конденсатор с горячей стороны по сравнению с двумя необходимыми для полумостовой схемы, следовательно, происходит экономия площади печатной платы и физического объёма пространства, необходимого для размещения ИП. Его остальные преимущества такие же, как у «полумоста».
Недостатки
Вместо двух ключей «мосту» требуется четыре транзистора и блокирующих диода. Также требуется гальваническая изоляция двух (верхних) транзисторов, ввиду плавающего потенциала. «Мост» имеет самую сложную и дорогую конструкцию из всех рассмотренных ИИП и применима там, где все остальные типы не отвечают требованиям мощности и пульсаций. Также, в случае снабберных (демпферных) цепей их проектированию и изготовлению уделяется пристальное внимание.
Эти схемотехники подчёркивают потенциал альтернативных подходов в области преобразования энергии, позволяющих добиться сбалансированного соотношения функциональности, компактности с ценой. Инженерные решения демонстрируют, что нестандартный взгляд на проектирование устройств способен открывать новые возможности, повышающие надёжность и адаптивность технических комплексов.
Дальнейшее развитие концепций в этой сфере сулит значимые изменения в способах управления энергетическими потоками, что станет катализатором для революционных преобразований в индустрии. Современные методики и совершенствование схемотехники обещают создать базу для создания высокопроизводительных установок, отвечающих вызовам развивающейся электроники и энергетики.