Электромагнитные помехи. Выявляем и устраняем

Электромагнитные помехи. Выявляем и устраняем
Автор: Академия Суперайс
14.2K

Не так давно, во времена массового использования аналогового радиовещания и телевидения, каждый замечал, что приём станции, в один момент чистый и уверенный, резко становится шумным и с меньшей разборчивостью. То же наблюдалось и при просмотре телепрограмм: чёткая цветная «картинка» вдруг делалась чёрно-белой, со множеством горизонтальных белых полос.

Порой эти неприятные обстоятельства имели какие-то предпосылки: радиоприём ухудшался, если соседи «за стенкой», к примеру, включали электродрель, а качество телевизионного изображения падало, когда по улице проезжал старый автомобиль с примитивной контактной системой зажигания. Но иногда очевидных факторов незаметно, а всё равно радио и телевизор, как говорили, «барахлят».

Виной снижения качества приёма сигналов радио и телевидения были электромагнитные помехи (ЭМП), которые называют РЧ-помехами (ст. «Основы схемотехники радиочастотных систем. Часть 1»).Они имеют как индустриальное происхождение (как описанные случаи излучения «шумными» электроприборами, такими как электродвигатели и системы зажигания двигателей внутреннего сгорания), так и естественное (грозы, солнечная активность и другие).

Статья освещает основные моменты появления и минимизации ЭМП. Она даст общее представление об обнаружении и борьбы с ними.

Время чтения: 33 минуты

Борьба с электромагнитными помехами? Это очень просто (почти)!
телевизор работает с помехами
Телевизионный приёмник аналогового телевидения, отображающий лишь помехи на экране. Занимательно то, что такие «шумы» (как и шипение ненастроенного радиоприёмника) вызваны космическим реликтовым излучением, образовавшимся в момент предполагаемого «Большого Взрыва» около 14 миллиардов лет назад.

Что такое электромагнитные помехи?

Сегодня, ввиду распространения различных аналоговых и цифровых систем передачи информации как по проводам, так и в эфире (радиовещание и радиосвязь, телевидение, радиорелейная связь, проводные и беспроводные сети передачи данных и т. д.), между ними появляется сильное взаимовлияние и они становятся друг для друга ЭМП-источниками. Ухудшают ситуацию и повсеместно используемые импульсные блоки питания, имеющие высокую энергоэффективность, но испускающие ЭМ-излучение «направо-налево»: и во вход, и на выход, и в эфир (ст. «ТОП-10 типовых узлов в схемотехнике блоков питания»).

Из сложившейся ситуации выходит: вопрос стоит остро и обнаружение, и борьба с ЭМП — важная задача радиоэлектроники.

Понятие электромагнитных помех

Электромагнитные волны появляются в результате протекания переменного электротока в проводнике. Всякий раз, когда в каком-либо электротехническом или электронном оборудовании происходят изменяющиеся во времени электрические процессы, возникают также и ЭМ-волны, им излучаемые (ст. «Основы схемотехники радиочастотных систем. Часть 2»).

Эти волны специально генерируются и используются для передачи информации из одной точки в другую. Или просто побочный продукт работы оборудования, но при этом имеют значительную интенсивность (ст. «Основы схемотехники радиочастотных систем. Часть 3»).

Когда ЭМ-сигналы сгенерированы непреднамеренно, о них говорят как о помехах или о шуме. Они способны вызывать неполадки в работе оборудования, поэтому его разработка и изготовление включают меры борьбы как с собственным «паразитным» излучением, так и минимизацию влияния «наводок» от других устройств. Так как ЭМП принципиально ничем не отличаются от «полезного» излучения (суть только в их нежелательном происхождении), то дальше будем их называть «непреднамеренным сигналом», и отличать от «преднамеренного», то есть «полезного».

Естественные и техногенные электромагнитные помехи

ЭМ-помехи бывают как естественного, так и техногенного происхождения. К первым относят:

  • Грозовые разряды (молнии).
  • Реликтовое излучение космоса.
  • Радиоизлучение некоторых видов звёзд.
  • Процессы, происходящие в результате солнечной активности.
  • Атмосферные ЭМ-поля.

Наиболее чувствительное оборудование проектируется с расчётом на влияние ЭМ-помех естественного происхождения, но для большинства видов аппаратуры они будут либо крайне слабы, чтобы нарушить их работу, например, реликтовое излучение, либо очень эпизодически: как вспышки на Солнце.

Более важные для исследовательских целей — техногенные источники ЭМ-сигналов. Наиболее сильные — электроустановки, имеющие в составе катушки индуктивности, по которым протекает большой ток. Это электродвигатели, а также системы коммутации и управления ими (коллекторы, частотные преобразователи и т. п.). Преобразователи частоты и/или напряжения — источники ВЧ-помех, излучаемых как в линию питания, так и нагрузки. По этой причине некоторые виды аппаратуры питаются от классических трансформаторных БП (ст. «Источники питания. Виды и сферы применения»).

Диапазоны частот электромагнитных помех

Главная характеристика ЭМП — их частота или частотный диапазон. Международные стандарты обычно охватывают спектр от 0 герц (Гц) до 400 гигагерц (ГГц). Однако даже сегодня не все диапазоны полностью регламентированы.

Первый важный диапазон: 50–60 Гц, который находится в окрестностях частоты электросети.

Так как большинство нагрузок, подключённых к электросети, нелинейны, то есть потребляют ток, который не совпадает изменением во времени с напряжением. Это трансформаторы, электродвигатели, импульсные БП и т. д. Нелинейные нагрузки имеют свойство генерировать дополнительные токи, кратные частотности сети. Их называют гармониками. Когда они имеют частоту в два раза выше основной, то говорят о гармонике второго порядка; когда в три — третьего и так далее. При рассмотрении сетевых ЭМП учитывают гармоники от второй до сороковой или пятидесятой. Другими словами, наш первый диапазон начинается с 50 Гц и заканчивается на 2/2.5 килогерца (кГц). Для американских и японских электросетей 60 Гц он простирается от 60 Гц до 2.4/3 кГц. От конца диапазона «сетевых» гармоник до 9 кГц мы имеем спектр, который сегодня не регулируется, а уровень ЭМП в нём не регламентируется.

Следующим регламентируемым диапазоном идёт спектр выше 9 кГц. Его называют радиочастотным. Международные стандарты, регламентирующие уровень ЭМП, ограничивают РЧ-диапазон частотами до 400 ГГц, хотя методы испытаний для таких сверхвысоких частот ещё не определены. Текущие стандарты введены только для спектра 9 кГц до 1 ГГц, а некоторые их более новые версии — до 2 ГГц. Технический прогресс сегодня движется быстрее, чем бюрократия: стандартизация сильно отстаёт от реальной ситуации. Компьютеры и коммуникационное оборудование используют основные частоты, которые уже превышают 2 ГГц, хотя в настоящее время даже этот диапазон уже недостаточен для исследования и отработки решений всех проблем с ЭМ-помехами.

В рассматриваемом радиочастотном диапазоне выделяют два способа распространения ЭМП: по проводникам и с помощью эфира. В нижней части спектра радиочастот ожидается, что помехи будут идти преимущественно по проводам, а не излучаться оборудованием в эфир. Основная причина: для эффективного НЧ-излучения требуются антенны довольно большого габарита. Другими словами, физический размер конструктивных элементов большинства оборудования просто недостаточен для «шумового» излучения в низкочастотном диапазоне. Хотя точную частоту установить невозможно, стандарты обычно регламентируют «помеховый» частотный диапазон, распространяемых по проводным линиям от 150 кГц до 30 МГц.

Некоторые, более строгие стандарты нижнюю границу определяют вообще с 9 кГц. Эфирные ЭМП начинаются, как правило, с 30 МГц. Верхний предел этого диапазона зависит от стандарта, но обычно он составляет 1 ГГц, но для некоторых видов особо чувствительного и ответственного оборудования на уровне 2 или 3 ГГц. Подводя итог, выделим следующие определяемые международными стандартами диапазоны:

радиочастотные диапазоны таблица

Дифференциальные помехи

ЭМП, распространяемые по проводам, возникают между любыми двумя проводниками в линии передачи. В однофазной системе энергоснабжения переменным током это фазный и нейтральные проводники. В трёхфазной — проводники любых двух фаз. В системах DC-питания шумы распространяются по проводникам обоих полюсов. Их называют дифференциальными или противофазными. На рисунке ниже показаны дифференциальные помехи в однофазной системе электроснабжения переменного тока. Они становятся результатом паразитных компонентов в линии передачи, таких как эквивалентная последовательная индуктивность (ESL) или эквивалентное последовательное сопротивление (ESR) или других. В электронике они обычно возникают на относительно низких частотах и определяются частотой переключения импульсного источника питания или частотного преобразователя электродвигателя.

дифференциальные помехи

Синфазные помехи

Шумы также передаются от любой линии в системе к земляному проводнику. В однофазной электросети переменного тока сигналы идут от фазы и нейтрали к земле. Эта разновидность помех называется синфазными. Главное отличие: они распространяются по всем линиям в одном направлении и с примерно одинаковой интенсивностью, а затем уже к земляному проводнику. На рисунке ниже показаны синфазные помехи в однофазной AC-электросети. Они возникают из-за паразитных ёмкостей в системе, часто возникающих между её элементами. Шумы этой разновидности чаще встречается в диапазоне относительно более высоких частот, чем дифференциальные.

подавление синфазных помех

Принципиально дифференциальные и синфазные помехи неотличимы, но для их подавления важно понимать, с какой разновидностью мы имеем дело.

Пути распространения помех

Рассматривая подробнее распространение шумов в электрической или электронной системе, выделяем четыре различных пути. Первый из них — гальваническая связь, которая требует прямого контактного соединения между отдельными частями системы. Второй путь — ёмкостная связь, которая возникает, когда два проводника проложены рядом, и где каждый образует одну из обкладок паразитного конденсатора. Когда элементы устройства или кабельных линий, обладающих значительной индуктивностью, расположены или проложены слишком близко, между ними происходит индуктивная связь.

Помехопередача путём гальванической связи часто возникают из-за общих земляных проводников. Ёмкостная связь типична, особенно в промышленном оборудовании, где силовые и сигнальные линии проложены плотно, параллельно на большие расстояния. Индуктивная связь, как правило, возникает при ошибках в проектировании и разводке печатных плат, когда один узел образует паразитную индуктивную связь с другим, к примеру, между накопительным дросселем импульснника-БП и катушкой LC-фильтра, а также, как при ёмкостной связи, из-за неверной топологии прокладки питающих и сигнальных кабелей.

синфазные и дифференциальные помехи

Также помехи распространяются через эфир посредством радиоволн (ст. «Радиотехнологии: эволюция от аналоговых к цифровым системам»). Высокочастотные сигналы, которые генерируются внутри системы, распространяются по пути наименьшего сопротивления.

Если их частота относительно невысока и в конструкции устройства нет паразитных антенн с подходящими параметрами, то эти сигналы будут распространяться преимущественно по проводным линиям. Но если их частота высока, а конструкция или компоновка системы имеет хорошие характеристики паразитной антенны, то высокочастотные сигналы будут использовать её и излучаться из системы в эфир. Таким образом, помехи распространяется в виде ЭМ-волн и «приниматься» другим оборудованием на пути их распространения, причём порой на значительном расстоянии.

Обнаружение и измерение электромагнитных помех

Любое ЭМИ, которое создаётся испытываемым оборудованием, передаётся в эфир. Если мы рассмотрим, к примеру, мобильный телефон и базовую станцию, то замечаем, что «трубка» излучает сигнал, а БС его принимает. Излучение телефона предназначено и необходимо для его правильной работы.

Допустимый уровень и частотный диапазон «полезного» излучения обычно жёстко регламентирован и ограничен. Однако большая часть электрического и электронного оборудования также выдаёт много «вредного» излучения — помех, которые не являются необходимыми, а просто побочный продукт. Чтобы гарантировать нормальную работу других приборов поблизости, это «вредное» излучение обязано быть соответствующим образом определено и ограничено. ЭМ-помехи распространяются в широком частотном спектре: от частоты сети до нескольких гигагерц. А передаваться они могут через эфир и по проводным линиям.

Измерение эфирного ВЧИ

Хотя не существует чёткого значения величины, с которого начинается высокая частота, регламентирующие организации обычно под ней подразумевают все ЭМ-колебания от нескольких килогерц и выше. Эфирные ВЧ-помехи измеряют с помощью специализированной широкополосной приёмной антенны на надлежащей испытательной установке. На рисунке ниже показан её пример.

эфирные помехи

Основное измерение радиоизлучения в соответствии с общепринятыми стандартами выполняется на открытом испытательном полигоне. Он оборудован земляной плоскостью достаточно большой площади, необходимой для эффективного формирования волны, отражённой от поверхности земли. Земляная плоскость и испытательный полигон располагаются вдали от каких-либо предметов и сооружений для исключения поглощения или отражения ими ЭМ-волн. Приёмная ШП-антенна имеет механизм регулировки высоты для точного определения расположения плоскости излучения испытываемого оборудования.

Любой такой полигон, вероятно, будет «страдать» от вторичных сигналов. То есть тех, которые генерируются не испытываемым устройством. Иногда их уровень превышает его собственное первичное излучение. При такой ситуации интенсивность и диаграмму излучения, зашумлённую вторичными сигналами, довольно трудно достоверно интерпретировать.

Не существует надёжного метода, с помощью которого вторичные сигналы полностью отделяют от результатов измерения первичных. Другой проблемой открытого измерительного полигона бывают нежелательные отражения радиоволн от объектов, которые находятся вне регламентированных полигонных границ, но отражают сигнал исследуемого устройства в измерительную антенну.

Следует также отметить, что объекты, которые, как правило, плохо отражают ЭМ-волны, делают это при определённых условиях. К примеру, древесина, конечно, очень плохо отражает радиоволны, но только пока она абсолютно сухая. Если же она имеет некоторую влажность, то определённо будет отражать ЭМ-волны. Чтобы не возникло проблем, присущих методу измерения на открытом полигоне, используются альтернативные методы тестирования.

Первым, одобренный международными стандартами, был метод измерения в безэховой камере. Внешний корпус установки представляет собой экранированную камеру, непроницаемую для радиочастот изнутри наружу, а также снаружи внутрь. Если бы экран камеры только препятствовал проникновению радиоволн наружу или внутрь (то есть имел исключительную отражающую способность), то многократные переотражения внутри камеры было попросту невозможно контролировать, и результат измерения поверг бы всех инженеров в шок.

измерения в безэховой камере

Чтобы предотвратить переотражения, стены камеры облицованы радиопоглощающим материалом. Он обычно состоит из ферромагнетиков в виде плиток, приклеенных непосредственно к стене, и конусообразных полимерных пористых поглотителей поверх них. Ферритовые плитки отлично справляются с задачей поглощения в низкочастотном диапазоне, но их эффективность ухудшается с ростом частоты. Полимерные пористые конусы хорошо работают в любом диапазоне, но их размер напрямую связан с длиной волны. Поэтому на низких частотах конусы длинные, чтобы быть эффективными, а это означает, что экранированная камера также намного больше, что не всегда возможно. Хотя, в общем, комбинация плиток и конусов оказалась очень эффективной.

Измерение ВЧИ, передающегося по проводным линиям

Основное внимание при измерении ВЧ-излучения в проводах уделяется входу сети переменного тока. Хотя другие интерфейсные порты тоже находятся под пристальным вниманием, например, сетевые порты телекоммуникационного оборудования. Для измерения уровня помех к линии питания испытуемого изделия подключается цепь стабилизации её импеданса. Эта цепь направляет ВЧ-сигналы от испытываемого оборудования ко входу измерительного прибора, одновременно блокируя поступление сетевого напряжения. Измеритель регистрирует среднее и квазипиковое значения ЭМП-уровня на всех фазах питания.

электромагнитные излучения вч

Один из наиболее важных элементов измерительного стенда или установки — земляная плоскость. Правильное измерение без неё невозможно. Испытываемые устройства, не имеющие защитного заземления, испытывают на стенде, имеющим земляную плоскость, поскольку она обеспечивает обратный путь тока при паразитной ёмкостной связи. Земляная плоскость размером не менее 2*2 метра и не менее, чем на 0.5 метра больше габаритов измерительного стенда. Изготавливается она из меди, алюминия или стали и соединяется с защитным заземлением местного источника питания (это необходимо только для электробезопасности и не строго необходимо для измерения), а также очень короткими проводами с заземляющими точками цепей стабилизации импеданса.

На рисунке ниже показана измерительная установка, определяемая в международном стандарте измерения уровня ВЧ-излучения:

вч излучение

Компоненты измерительной установки хорошо развязаны от любых внешних помех. Хотя цепь стабилизации импеданса и уменьшают как шумы, так и изменения в импедансе питающей линии, она не делает этого идеально. Поэтому в установку рекомендуется внести ещё постоянно установленный фильтр высоких частот на основном вводе питания установки. Для исключения влияние внешних ЭМ-полей измерение выполняется внутри экранированной комнаты, в которой пол, стены и потолок экранированы и заземлены, образуя вместе общую земляную плоскость.

Гармонические помехи в сети энергоснабжения

В целом, форма волны напряжения сети электроснабжения синусоидальная. Это значит, что она включает в себя только основную частоту без каких-либо кратных ей, то есть гармоник. Чисто линейные (активные, омические) нагрузки, такие как лампы накаливания или нагревательные приборы, при питании от сети потребляют ток, который прямо пропорционален приложенному напряжению, и не создают никаких дополнительных гармонических составляющих. Но нелинейные (реактивные, ёмкостные и индуктивные) нагрузки потребляют несинусоидальный ток, хотя приложенное напряжение синусоидальное. Все нелинейные нагрузки будут порождать гармонические токи (ГТ) — с частотами, которые выступают целыми кратными частоты питания.

гармоническая помеха

Традиционно шумовые гармоники — проблема исключительно крупных установок, свойственных для тяжёлой промышленности и трёхфазных энергораспределительных станций. Но широчайшее распространение малогабаритной электроники, с потреблением, возможно, всего несколько единиц или десятков ватт мощности от однофазной сети (например, ЗУ мобильных телефонов), выдвинуло вперёд проблему «помеховых» гармоник даже в бытовой однофазной сети. Наибольший «вклад» в их появление вносят импульсные БП различной техники, а также инверторные (преобразовательные) приборы, такие как частотные преобразователи электромоторов, сварочные аппараты и тому подобные. Трудности, вызываемые гармониками, делятся на две категории:

  • Вызванные собственно наличием ГТ.
  • Вызванные искажением формы волны напряжения из-за протекания ГТ в конечном устройстве.

Основное «зловредное» влияние ГТ в том, что они способны вызвать нарушение работы и перегрев НЧ-трансформаторов трансформаторных подстанций, особенно старых годов выпуска, не рассчитанных на высокий уровень «шумления» в сети. Конденсаторы, используемые для коррекции коэффициента мощности, также способы перегреваться и выходить из строя из-за гораздо более высокочастотных ГТ, испытываемых из-за низкого сопротивления на повышенных частотах.

Наличие гармонических токов в нейтральных проводниках трёхфазных источников питания дают почву для снижения надёжности и отказоустойчивости систем энергоснабжения, если нейтральные проводники не были рассчитаны, как нужно. Во многих современных электроустановках используются нейтральные проводники той же площади поперечного сечения, что и связанные с ними фазные проводники, а в некоторых (обычно старых) зданиях, использовались нейтральные проводники половинного или ещё меньшего сечения. К сожалению, излучение «тройных» гармоник (то есть кратных трём: 3, 6, 9, 12, ...) приводит к дополнительному току в нейтрали, значение которого достигает √3 от величины фазного тока в некоторых электроустановках.

Перегрев проводников усугубляется скин-эффектом, который концентрирует токи более высокой частоты ближе к его поверхности, уменьшая таким образом эффективное сечение, дополнительно увеличивая сопротивление и нагрев.

Ещё один «плачевный» результат действия ГТ, особенно когда они просачиваются в линию заземления, — увеличение магнитных помех в чувствительных системах, работающих в звуковом диапазоне, таких как установки индукционного нагрева. Несинусоидальный ток, потребляемый от источника питания, вызывает искажение формы питающего напряжения, поскольку индуктивность увеличивает импеданс источника по мере повышения порядка гармоники. Это плохо влияет на электродвигатели прямых приводов: от незначительного повышения внутренней температуры, повышенной шумности и вибрации до полного выхода из строя.

Электронные источники питания из-за наличия ЭМП-гармоник рискуют получить сбои системы регулирования; также не исключено увеличение тока утечки на землю через конденсаторы фильтра ЭМП из-за их более низкого реактивного сопротивления на гармонических частотах. Резонансные явления энергосистемы на них иногда создают области распределительной сети электропитания, где напряжение сильнее искажено, чем в других местах, и/или имеет значительное пере/недонапряжение.

Обнаружение и измерение гармоник в сети не особой сложно, так как выполнимо с помощью осциллографа и анализатора спектра. Большую проблему представляет эффективное устранение гармонических ЭМП.

Методы борьбы с электромагнитными помехами

Первый шаг подавления ЭМП — внедрение этого фактора в концепцию устройства. Оно начинается с первоначальной идеи и заканчиваться после выпуска в серию. Другими словами, изделие проектируют с расчётом на эффективное подавление ЭМ-помех. Очень часто это последний шаг в проектировании. Когда функции реализованы, спроектирована схема и печатная плата, уже становится довольно трудно «вклинить» в это ещё и ЭМП-защиту. Если делать так, что защитный функционал становится дорогим, трудоёмким и сложным в изготовлении. Поэтому производители всегда начинать думать о подавлении ЭМП на ранних стадиях проектирования.

Экранирование

Это хорошая мера для снижения ЭМП. Экранирование применяется как для защиты устройства от внешних ЭМП, так и для удержания высокочастотных шумов внутри него. Выполняется как относительно одного конкретного элемента, корпуса в целом, а также кабелей «питания-сигнала».

гармоническая помеха
Экранированный разъём miniDIN-9. Экран выполнен из стальной никелированной фольги.

Экранирование корпусов

Для многих видов оборудования экранированные корпуса стали стандартной мерой снижения уровня ЭМП. Такие корпуса изготавливают из металла или других проводящих материалов: к примеру, из полимеров с медной металлизацией. Корпус заземлён в обязательном порядке, поскольку незаземлённые обеспечивают лишь минимальное экранирующее действие. Окрашивание часто нейтрализует экранирующий эффект из-за создания нетокопроводных переходов между частями корпуса. То же самое относится к прокладкам между частями корпуса, которые обычно изготавливаются из нетокопроводящей резины, чтобы гарантировать определённый класс влагопылезащиты (IP). Существуют токопроводящие краски и прокладки, но они дороже и встречаются гораздо реже.

Также снижает экранирующую эффективность наличие больших по площади отверстий в корпусе. Каждое отверстие действует как антенна. Горизонтальное действует как антенна вертикальной поляризации и наоборот. Хотя они бывают вентиляционными, а также точками контакта между изолированными друг от друга частями корпуса (токонепроводящая краска, резиновые прокладки и так далее). Если характеристики подавления ЭМ-помех наиболее важны, стоит рассмотреть соотношение между размером отверстий и длиной волны помех, которые нужно ослабить. При необходимости «выручают» отверстия специально спроектированной формы, токопроводящие краски и прокладки.

Экранирование кабелей

Это очень эффективная мера для уменьшения ЭМП-влияния. Однако неправильное подключение снижает эффективность или даже полностью уничтожает эффект. Внешние поля и токи не влияют напрямую на сигнальные проводники в составе кабеля, а лишь на окружающий экран. Таким образом, помехи, которые достигают внутренних проводников, в значительной мере ослабляются.

Затухание в экране кабеля зависит от материала и способа монтажа кабельной линии. Наилучшие значения достигаются с помощью металлических кабель-каналов, служащих первым барьером на пути ЭМ-помех. Металлическая фольга или оплётка достаточно эффективны при применении в обычных условиях. Для более ответственных условий применяют двойные или тройные экраны.

Концы оплёток экранированных кабелей подключают к земле. Неподключение даже одного конца делает экран неэффективным: индуцированные ЭМП не отводятся, следовательно, их воздействие остаётся достаточно высоким. Если оплётка подключена только с одной стороны, то экран становятся эффективными только против электрических полей. Когда ЭМП-частота начинает равняться или превышать резонансную частоту экрана, то он становится неэффективным, и возникает даже эффект усиления. Если оба конца оплётки экрана подключены к земле, экран наиболее эффективен, а и электрические, и магнитные поля уменьшаются. Разность потенциалов противоположных концов экрана минимальна, чтобы избежать протекания токов, которые повлияют на экранируемые сигнальные проводники.

экранирование сетевого кабеля
Правильное подключение экранированного кабеля. Потенциалы концов экрана уравнены с помощью дополнительного компенсационного проводника.

Отметим, что соединения экранов, как показано выше, могут иногда требовать дополнительных соединительных проводников. Если возникают дополнительные проблемы, применяют компенсационные проводники между двумя блоками или дополнительную шину вдоль экрана.

экранирование сетевого кабеля
Четырёхжильный экранированный кабель питания. Экраном служит оплётка особого плетения из лужёной медной проволоки.

Соединение шасси и корпусов в общей точке

Это решение предназначено для формирования более эффективной работы экранов кабелей. Такие соединения часто применяются в комплексах высокочувствительной аппаратуры, а также в звуковоспроизводящей аппаратуре. Этот подход имеет ряд общих правил:

  1. Каждый электроприбор имеет независимое соединение, чтобы избежать разницы потенциалов между их шасси или корпусами.
  2. Метод соединения зависит от частоты сигнала:
    • Для НЧ размеры и длины элементов цепи малы по сравнению с длиной волны, и резонанс, скорее всего, не возникнет. Подключения с одной стороны достаточно и выполняется на стороне устройства, передающего сигнал. А на стороне приёмника подключение иногда отсутствует. Такой подход называется одноточечным экранированием.
    • Для ВЧ всё наоборот, поэтому резонанса избежать проблематично. В таком случае берут кабели с точно известным характеристическим сопротивлением, которые подключаются с обоих концов. В некоторых случаях кабели дополнительно соединяются с общей точкой в нескольких участках вдоль пути сигнала. Такой подход называется многоточечным экранированием.
  3. В условиях высокой интенсивности ЭМИ или при значительной длине линии связи желательно использовать триаксиальный кабель — коаксиальный кабель с двойным экранированием. Единственный минус подхода — его высокая цена.
  4. Подход необходимо применять для всего оборудования, входящего в комплекс. Все отдельные блоки подключают к одной и той же общей точке, чтобы избежать разности потенциалов.

Соединение шасси/корпусов и заземление (подключение к заземляющему контуру электросети) выполняют разные функции в оборудовании, и к ним применяются разные правила. Заземление выполняется исключительно из соображений электробезопасности, поэтому сопротивление заземляющего контура чрезвычайно важно. Такое соединение, однако, в основном используется из соображений подавления ЭМП.

Помехоподавительные компоненты и цепи

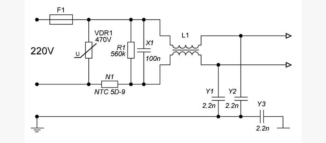
Шумы подавляют путём включения LC-фильтра на их пути. Такой подход предотвращает их попадание из линии в устройство или выход в линию из него. Самая эффективная следующая комбинация компонентов, часто используемая в современной электронике:

  • Синфазный дроссель.
  • X-конденсатор между фазой и нейтралью.
  • Y-конденсатор между фазой и землёй.
фильтр в блоке питания схема
Для примера, схема входного фильтра блока питания. L1 – синфазный дроссель; X1 – X-конденсатор; Y1, Y2, Y3 – Y-конденсаторы.

Дроссели

Они состоят из катушки индуктивности, намотанной на сердечник из феррита. В электронике дроссель применяется в различных цепях, но одним из его применений является ЭМП-подавление. Электрическое сопротивление дросселя сильно зависит от частоты проходящего через него тока: чем она выше, тем больше сопротивление. Таким образом, индуктивное сопротивление дросселя применимо для подавления ВЧ-ЭМП.

Двухобмоточные синфазные дроссели используются для ослабления синфазных помех путём последовательного подключения к фазным и нейтральным линиям входной линии электропередачи переменного тока. Магнитные поля, создаваемые индуктивно связанными обмотками, компенсируют друг друга. Дроссели такого типа, как понятно из названия, эффективнее именно при подавлении синфазных помех. Накопительные дроссели применяются для сглаживания бросков тока при коммутационных процессах в импульсных БП или частотных преобразователях.

Включаясь последовательно с коммутационным компонентом, таким как транзистор или тиристор частотного преобразователя, а также во вторичных цепях импульсников, последовательно с нагрузкой, дроссель препятствует мгновенному нарастанию тока и снижает уровень выброса ЭМП.

Дроссель связь
Дроссель L, включённый последовательно с тиристором.

Для фильтрации ЭМ-шума многие электронные компоненты, устройства и кабели снабжаются ферритовыми фильтрами в виде бусины, кольца или цилиндра. Совместно с проводником они образуют фильтрующий высокочастотный дроссель.

ферритовый фильтр помех
Ферритовый фильтр на USB-кабеле.

Конденсаторы

В цепях фильтрации преобразователей частот и импульсных ИП применяются специальные виды конденсаторов, называемые X- и Y-конденсаторы. Принципиально они не отличаются от других, но имеют конструктивные особенности, в частности, применяемых диэлектрических материалов.

X- и Y-конденсаторы включены непосредственно в высоковольтные цепи и выступают первым звеном фильтрации ВЧ ЭМ-помех и высоковольтных импульсов. К их качеству предъявляют повышенные требования: надёжность, способность выдерживать длительные перегрузки, негорючие материалы изоляции и корпуса.

X-конденсаторы проектируются таким образом, чтобы при нештатной ситуации в них произошёл не обрыв, а короткое замыкание, приводящее к перегоранию предохранителя и обесточиванию. При обрыве же устройство продолжило бы функционировать, но без одного из компонентов защиты, что недопустимо. Y-конденсаторы, напротив, проектируются таким образом, чтобы при аварии внутри них был обрыв, а не КЗ. Ведь оно приведёт к поступлению на шасси или корпус фазного напряжения, что чревато поражением электротоком. Замена X- и Y-конденсаторов на элементы другого типа или между собой недопустима.

Сетевые фильтры

Это ключевые элементы в устранении помех, передающихся от сети. Фильтры обязаны соответствовать не только требованиям к ЭМП-фильтрации, но и обладать рядом защитных функций, таких как подавление высоковольтных импульсов, которые появляются в сети при грозах, препятствовать прохождению в сеть каких-либо сигналов от устройства, так как это становится причиной снижения информационной безопасности и тому подобных.

Фильтры доступны с различными электрическими и механическими характеристиками:

  • В виде отдельной печатной платы. Как правило, применяются там, где необходимые фильтрующие цепи и узлы не были спроектированы заранее.
  • Для монтажа на печатную плату. Имеют различную схемотехнику и предназначены для фильтрации ЭМ-помех в различных по характеристикам цепях: сигнальных, низковольтных, высоковольтных и т. д.
  • Комбинированные с разъёмом питания. Предназначены для фильтрации питающей линии переменного тока. Как правило, сверхкомпактны и эффективны.
  • В виде отдельного блока. Используются в промышленных условиях и для монтажа непосредственно на шасси или в стойку. Имеют отличные характеристики и работают в тяжёлых условиях.
ферритовый фильтр помех
Однофазный фильтр в блочном исполнении.

Сегодня электромагнитные помехи, особенно распространяемые по электрической сети, — серьёзная проблема на пути организации качественного электропитания. Практически все блоки питания, применяемые сейчас, импульсные, конструктивно дают наводки и на провода, и в эфир, а также, ввиду нелинейности своей нагрузки, «насыщают» сетевую синусоиду дополнительными гармониками, ухудшающими условия работы другого оборудования.

Альтернатив импульсным ИП которые послужат заменой им в плане компактности и энергоэффективности, практически нет, поэтому и мы не сумеем пока от них отказаться. Таким образом, имеет решающее значение организация защиты и фильтрации от ЭМП, первый шагом в которых — грамотное проектирование электронной техники и применение всех защитных мер.


Понравилась статья? Поделитесь ей в ваших социальных сетях:
Логический анализатор: что это такое и зачем он нужен
Логический анализатор: что это, чем отличается от осциллографа и нужен ли вам. Разбор классов, параметров и сравнение ПО Logic 2 vs Sigrok/PulseView.
Логический анализатор: что это такое и зачем он нужен 245
Логический анализатор: что это такое и зачем он нужен
CES 2026: что интересного для инженера и радиолюбителя
CES 2026: AI-хайп превратился в реальные платформы. Обзор новых NPU, Thunderbolt 5, 5G RedCap и гибких аккумуляторов для embedded-разработчика.
CES 2026: что интересного для инженера и радиолюбителя 216
CES 2026: что интересного для инженера и радиолюбителя
Ремонт плат в 2025-2026 годах: почему стало сложнее и что с этим делать
SMD-компоненты размером с пылинку, отсутствие схем и многолистовые платы. Разбираем, почему в 2026 году мультиметра уже недостаточно, и какое оборудование помогает в ремонте электроники.
Ремонт плат в 2025-2026 годах: почему стало сложнее и что с этим делать 415
Ремонт плат в 2025-2026 годах: почему стало сложнее и что с этим делать