Простой генератор сигналов: как собрать самому
Привет, радиолюбители и будущие инженеры!
В этой статье мы погрузимся в мир собственноручного изготовления генератора сигналов (ГС). Почему это важно, как это поможет вам в учёбе или работе? ГС — это один из тех инструментов, без которых сложно представить себе лабораторию радиоэлектроника или мастерскую радиолюбителя. Это устройство, которое генерирует электрические сигналы различной формы и частоты, необходимые для тестирования, отладки, настройки электронных схем.
Время чтения: 25 минут
Для чего используется генератор частот в лабораторной практике?
Представьте себе ситуацию: вы разработали, ну, например, усилитель звуковой частоты. Как убедиться, что он работает правильно? Как оценить его усилительные свойства, частотную характеристику или нелинейные искажения? Для этого понадобится источник аудиосигнала с определёнными параметрами, то есть генератор звуковых частот.
| Область применения | Примеры |
| Тестирование | Проверка работы схем, анализ сигнальных уровней и частот. |
| Моделирование | Создание требуемой модели электросигнала для исследования. |
| Обучение | Практическая работа студентов с радиосигналами различных форм. |
| Научные исследования | Исследование характеристик компонентов и систем. |
Примеры использования ГС:
| Задачи | Пример использования ГС |
| Исследование усилительных схем | Подача аудиосигнала на вход усилителя для измерения коэффициента передачи, полосы пропускания, уровня гармоник. Моделирование помех и искажений. |
| Изучение фильтров | Подача мультичастотных радиосигналов для определения АЧХ фильтра, полосы пропускания, коэффициента затухания. |
| Тестирование логических схем | Подача прямоугольных импульсов для проверки времени задержки, устойчивости к помехам, правильности работы триггеров, счётчиков, других логических элементов |
| Калибровки приборов | Настройка осциллографов, частотомеров, других измерительных устройств невозможна без эталонных сигналов |
| Исследования электронных компонентов | Изучение характеристик электронных элементов при различных входных воздействиях. |
| Анализ модуляционных процессов | Генерация несущей радиосигнала, измерение глубины модуляции и его спектра. Формирование стандартных тестовых последовательностей. |
| Настройка и отладка схем автоматического управления | Генерация электросигналов, имитирующих работу датчиков, для проверки реакции системы управления на различные воздействия. |
Какие задачи решает ГС и почему лучше собирать его самому
Самостоятельная сборка ГС — это не только практическое упражнение, это сильный инструмент для обучения и развития. Преимущества самостоятельной сборки огромны.
Кастомизация
Вы можете настроить ГС под свои конкретные нужды. Это позволяет их создавать с конкретными характеристиками, которые недоступны в готовых приборах. Например, вы можете настроить нужные вам частотный диапазон, амплитуду, форму сигнала.
Экономия
Сборка генератора сигналов своими руками, как правило, обходится значительно дешевле, чем покупка готового устройства. Это серьёзный плюс для начинающих радиолюбителей или студентов.
Обучение
Собрать генератор сигналов — это удачный способ изучения основ электроники, схемотехники и работы электронных компонентов. Он помогает:
- Понять теоретические основы: изучение принципов действия ГС и их топологий.
- Разработать навыки работы с компонентами: пайка, сборка схем, работа с измерительными приборами.
- Научиться решать проблемы: отладка и ремонт электронной аппаратуры.
Поэтому самостоятельная разработка схемы и сборка генератора сигналов — это полезный опыт для студентов и радиолюбителей. Она экономит, даёт практическое обучение и возможность кастомизации под свои задачи. В следующих разделах будут рассмотрены принципиальные особенности и схема конкретного ГС.
Требования к функциональности генератора
При проектировании любого электронного устройства необходимо чётко определить требования к его функциональности. Это подскажет нужную схемотехнику, компоненты и методы управления, а также оценить соответствие готового устройства поставленным задачам.
Важнейшими характеристиками ГС являются тип радиосигнала и его частотный диапазон.
Рассмотрим главные типы сигналов, которые должен генерировать такой прибор:
- Синусоидальный. Наиболее распространённый тип, используется для тестирования линейных цепей и измерения частотных характеристик. Важен для изучения работы усилителей, фильтров, модуляторов и других аналоговых схем.
- Прямоугольный (меандр). Необходим для тестирования логических схем, цифровых устройств и импульсных цепей. Главными параметрами являются крутизна фронтов, скважность и стабильность.
- Треугольный. Применяется для исследования характеристик компараторов, АЦП и других аналоговых устройств. Главным параметром являются линейность нарастания и спада выходного напряжения.
Частотный диапазон определяет возможности генератора. Для базового устройства рекомендуется охватить следующие области:
- Низкочастотная область (20 Гц – 20 кГц) — для аудиоаппаратуры и общей электроники.
- Среднечастотная область (20 кГц – 200 кГц) — для проверки фильтров и усилителей.
- Высокочастотная область (200 кГц – 2 МГц) — для тестирования радиосхем.
Кроме того, нужно учесть следующие параметры самодельных генераторов.
Стабильность ГС
Определяет, насколько корректно он держит частотные и амплитудные значения. Основополагающие виды и параметры.
Температурная:
- Аналоговые ГС (на ОУ или транзисторах) дрейфуют на 0.1–1% при изменении температуры.
- Цифровые схемы (DDS, микроконтроллеры) стабильнее — дрейф до 0.01%.
Долговременная:
- Зависит от качества компонентов. Например, керамические конденсаторы теряют ёмкость со временем, плёночные — более стойкие.
- Кварцевые ГС (в DDS) обеспечивают стабильность до 10 -6.
Факторы, влияющие на стабильность:
- Качество кварцевого резонатора.
- Стабильность источника питания.
- Паразитные ёмкости и индуктивности.
- Наличие температурной компенсации.
Управление и индикация
Система управления должна обеспечивать:
- Плавную частотную регулировку.
- Выбор формы сигнального напряжения.
- Установку амплитуды выходного напряжения.
- Возможность модуляции.
Индикация параметров включает:
- Частотомер для отображения текущего значения.
- Индикацию формы сигнала.
- Измерение амплитуды выходного напряжения.
Дополнительные функции:
- Память настроек.
- Калибровка частоты.
- Синхронизация с внешними источниками.
- Выход для подключения к осциллографу.
Интерфейс пользователя должен содержать:
- Поворотные энкодеры для настройки выходной характеристики генератора.
- Светодиодные индикаторы состояния.
- ЖК-дисплей для отображения параметров.
- Кнопки управления режимами работы.
При разработке системы управления важно обеспечить:
- Интуитивно понятный интерфейс.
- Защиту от случайных изменений настроек.
- Возможность оперативного доступа к главным функциям.
- Надёжность механических элементов.
Точность установки параметров определяется:
- Разрешением органов управления.
- Стабильностью внутренних компонентов.
- Качеством измерительных цепей.
- Алгоритмами обработки сигналов.
Все эти параметры должны быть сбалансированы с учётом назначения и условий эксплуатации ГС. При проектировании важно найти предпочтительное соотношение между функциональностью, стоимостью, надёжностью устройства.
Выбор схемотехники
Генераторы на транзисторах в наше время используются редко по следующим причинам:
- Большая зависимость от внешних факторов.
- Проблемы с гармониками и линейностью.
- Сложная разработка схемы и тщательный подбор компонентов.
«Сердцем» ГС, определяющим частоту выходного сигнала, является колебательный контур, состоящий из ёмкости и индуктивности (LC-генератор) или и сопротивления (RC-генератор).
Рассмотрим базовую схему симметричного RC-мультивибратора (автогенератора).

Выходная частота определяется значениями R и C в цепях баз транзисторов. Приближённая формула расчёта выглядит так:

У симметричного мультивибратора скважность Q=2, т. е. ширина импульса занимает половину периода повторения.
Для синхронизации ГС от внешнего источника разработан ждущий генератор (одновибратор).

Стробирующие импульсы внешнего устройства (на осциллограмме синего цвета) определяют период повторения импульсов на выходе ГС (красный цвет).
Операционные усилители (ОУ) предоставляют разнообразные варианты для создания генераторов различных функций:
- Синусоидальных — на основе моста Вина.
- Треугольных — с использованием интеграторов.
- Прямоугольных — через компараторы.
Такие ГС в отличие от импульсных называют функциональными.

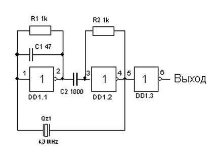
Логические элементы позволяют реализовать несложные ГС: /p>
- Мультивибраторы на элементах И-НЕ, ИЛИ-НЕ и др.
- Моностабильные ГС с заданными параметрами.
- Счётчики импульсов для деления частоты.
ГС на логических элементах чаще применяют в несложных конструкциях, где требуется импульсное выходное напряжение. На схеме добавлен кварцевый резонатор для повышения стабильности.

Специализированные микросхемы представляют собой готовые модули:
- XR2206 — ГС с возможностью формирования синусоидального, треугольного и прямоугольного форм напряжений.
- ICL8038 — функциональный ГС с регулировкой частоты и формы выходного напряжения.
- NE555 — универсальный таймер для создания прямоугольных импульсов.

На осциллограмме пилообразные автоколебания на конденсаторе C1 (выделено красным цветом) преобразуются в импульсные.


Можно провести натурные испытания на готовой платке:

Сравнение решений
| Тип решения | Преимущества | Недостатки |
| Операционные усилители | Повышенная гибкость настройки, возможность получения разных форм выходных напряжений. | Сложность настройки, чувствительность к параметрам компонентов. |
| Логические элементы | Лёгкость реализации, малая стоимость. | Небольшой частотный диапазон, недостаточное качество формы колебаний. |
| Специализированные микросхемы | Готовые решения, стабильность работы. | Сложность модификации, зависимость от наличия компонентов. |
Определяющие параметры при выборе схемотехники:
- Частотный диапазон.
- Стабильность выходных колебаний.
- Возможность регулировки параметров.
- Линейность характеристик.
- Энергоэффективность
Источники питания
При выборе схемотехники важно учитывать конкретные задачи ГС и доступные компоненты. Для начинающих рекомендуется использовать специализированные микросхемы, обеспечивающие стабильность работы при минимальной настройке. Опытные разработчики могут реализовать более сложные схемы на операционных усилителях для достижения требуемых характеристик.
Встроенные источники питания обеспечивают автономность устройства:
- Стабилизаторы напряжения на интегральных схемах.
- Преобразователи напряжения с защитой от перегрузки.
- Фильтрация помех для снижения влияния питания на форму выходного напряжения.
Внешние источники питания предоставляют следующие преимущества:
- Возможность использования стабилизированного напряжения.
- Лёгкость реализации.
- Меньшая нагрузка на аппарат.
Требования к питанию:
- Стабильность выходного напряжения.
- Малый уровень пульсаций.
- Защита от короткого замыкания.
- Возможность регулировки напряжения.
Рекомендации по реализации:
- Использовать двухполярное питание для схем на ОУ.
- Обеспечить раздельную фильтрацию для разных узлов.
- Применять отдельные источники для цифровых и аналоговых цепей.
- Реализовать защиту от переполюсовки.
Для лучшего понимания функциональной структуры ГС применим натурное восприятие. Для этого сделаем своими руками демонстрационный сигнал-генератор.
Требованиями к демонстрационным устройствам:
- Простота конструкции.
- Минимум радиокомпонентов и их доступность.
- Наглядность изучаемых процессов.
Всем этим требованиям удовлетворяют макеты на Ардуино. С его помощью разработаем радиотехнический проект генератора сигналов с двумя видами выходного напряжения: импульсного типа «меандр» (скважность равна 2) и синусоидального.
Для минимизации комплектующих установку требуемой частоты будем производить программно на мониторе порта в Arduino IDE.
Для упрощения изготовления макета реализацию синусоидального сигнала произведём по упрощённой схеме (с некоторым ущербом качества формы). Чтобы повысить точность и расширить диапазон выходного электросигнала, воспользуемся методом формирования импульсов прерыванием по таймеру. Максимальная частота при этом будет равна половине тактовой. Так, например, для Arduino Leonardo с тактовой частотой 16 МГц максимальная частота будет 8 МГц.
Этот меандр задействуем ещё как строб для формирования синусоиды. Шаг дискретизации выбираем 0,2 радиана, что разобьёт период синусоиды на округлённые 32 «кусочка». Поскольку прерывание будет происходить дважды за период строба, значение частоты синуса будет равно:

Итак, где наша испытанная «рабочая лошадка» Arduino Leonardo? Но у неё нет цифроаналогового преобразователя (ЦАП), чтобы превращать цифровое значение в аналоговый вид. А использовать внешний преобразователь в нарушение требования к минимизации комплектующих не хочется. Придётся выкручиваться.
На этой платформе имеются выходы с широтно-импульсной модуляцией (ШИМ). Их можно использовать как некий «квази-ЦАП» для преобразования численных значений в ширину импульсов. Подключённая к этим выходам RC-цепь сформирует соответствующее напряжение. Такой вот «двухступенчатый ЦАП» без особых заморочек.
Что понадобится?
Платформа Ардуино (Leonardo, Uno, или их уменьшенные формфакторы с установкой на макетную плату: Micro, Nano и т. п. В общем, как говорится, «Ардуино — он и в Африке Ардуино», подойдёт практически любой).
| Arduino Leonardo | Arduino Micro |
![]() |
![]() |
| Arduino Uno Rev3 | Arduino Nano V3.0 |
![]() |
![]() |
Подключения осуществим на макетной плате:
Электролитический конденсатор 22 мкФ
Подстроечный (или переменный) резистор 1 кОм
Минимальный инструмент:
| Пинцет, достаточно одного на выбор: | |
|
Изогнутый пинцет MECHANIC ST-15 |
Пинцет антистатический Jakemy JM-T10-11 |
![]() |
![]() |
Желательно для анализа схем и напряжений:
| Мультиметр на выбор, исходя из запланированных расходов | |
|
Мультиметр цифровой Ресанта DT-830B |
Многофункциональный мультиметр MasTech MY64 |
![]() |
![]() |
| Осциллограф на выбор, исходя из запланированных ресурсов | |
|
Портативный осциллограф FNIRSI DSO152 (1 канал, 200 кГц) |
Цифровой USB осциллограф-приставка Hantek DSO - 6022BE |
![]() |
![]() |
В итоге получили:


Сформированный меандр с 9-го пина поступает на 7-й пин внешнего прерывания для синхронизации программного модуля синусоиды. ШИМ с закодированной информацией с 5-го пина идёт на подстроечный резистор RC-цепи (здесь 1 кОм). На конденсаторе (здесь 22 мкФ) получаем синусоиду. Подстроечным резистором добиваемся наилучшей формы.
Несложный скетч раскрывает «внутренности» программы:



А что реально?
На мониторе порта Arduino IDE после ознакомительной паузы в окно вписал частоту меандра 250 (Гц). В ответ поступили значения сформированных частот.

А что на выходе?
Осциллограмма меандра-строба (красным цветом) и ШИМ на 5-м пине Ардуины.

Здесь наблюдаем превращение ШИМ-а (красный) в синусоиду (синий):

А здесь итог: по командам строба (красный цвет) на выходе RC-цепи получили искомую синусоиду.

Мы изучили главные моменты генерации, и теперь можем перейти к выбору схемы требуемого генератора частот профессионально, ну, или почти.
Что дальше?
Генерация меандра несложная, с минимальными требованиями к комплектующим. Более сложные формы, такие как треугольник или синусоида, ставят дополнительные задачи. Например, если для формирования синусоиды пользоваться расчётной формулой, то на частотах от нескольких кГц и выше возникнут недопустимые искажения. В результате был разработан DDS-генератор (Direct Digital Synthesis, или по-русски Прямой Цифровой Синтез), основанный на использовании дискретных значений сигналов из занесённых в память таблиц. Здесь не тратится время на вычисление, а лишь на извлечение нужного значения.
Этот принцип позволяет засинхронизировать выходной сигнал от тактового, а частоту менять изменением шага прохода по таблице. Например, считывание значений из таблицы через одно создаёт удвоенную частоту выходных колебаний. Задачу преобразования в аналоговую форму решает ЦАП, а фильтры сглаживают форму. Такие ГС характеризуются широким частотным диапазоном и разнообразием форм выходного напряжения.
Примерные таблицы для DDS-генератора:

Далее, вместо «наворотов» из ШИМ+RC гораздо точнее результат получается с применением схем ЦАП или готовых микросхем.
ЦАП R2R на резисторах:

Плата интегрального ЦАП для Ардуино:

И это ещё не всё. Благодаря развитию интегральной техники разрабатываются целые электронные модули в одном корпусе. Например, AD9833.

Это уже почти готовый функциональный генератор! А для ардуинщиков придумали удобную платку:

В этом случае ЦАП и не понадобится!
Ещё «для крутости и не только» добавим энкодер и символьный дисплей.
Энкодер — это преобразователь угловых перемещений. Поворачивая его вал в ту или иную сторону на определённый угол, будем задавать нужную нам частоту ГС.
Энкодеры бывают двух основных типов:
- Инкрементальные — фиксируют только относительное движение, считают число импульсов, создающихся при вращении.
- Абсолютные — знают точное положение объекта даже после выключения питания. Используют специальный код (например, код Грея), который помогает определить точное местоположение вала в любой момент времени.
Вторые часто применяются в робототехнике для задания точно заданных положений исполнительных механизмов. Нам же достаточно фиксировать динамику движения вала, для чего вполне подходит первый тип.
Часто энкодеры имеют поворотный вал-кнопку, нажимая на которую можно задавать кратность изменения параметра. Например, первое нажатие изменят шаг изменения частоты х10, второе нажатие — х100, третье — х1000, а четвёртое — возврат к «по умолчанию» х1, и так «по кругу».
На символьном дисплее удобно контролировать задаваемую частоту ГС. LCD1602A IIC_I2C удобен наличием преобразователя I2C, при этом для связи с контроллером нужно всего два провода. К тому же для управления таким дисплеем разработаны специализированные библиотеки под Arduino IDE, что сокращает время проектирования и упрощает скетч.
Ну, и как же без него, без источника питания? В этом проекте нужен с выходным напряжением 5В и током не менее 2А (а запас карман не тянет), как на первом рисунке. А с прицелом на дальнейшие поделки ещё и с набором выходных напряжений, приведённом на втором.
Далее составляем структурную схему функционального ГС:

Далее нужно:
- Подобрать разъёмы исходя из задач.
- Начертить схему, по ней разработать печатную плату и изготовить её.
- Припаять комплектующие на плату.
- При желании сделать корпус.
В рамках данной статьи это не рассматривается.
Если путь создания для кого-то долог, а генератор нужен уже «здесь и сейчас», можно решить проблему такими путями:
Собрать ГС из конструкторов, например, из таких:
Приобрести готовый, например:
Ну а если хочется чего-то покруче:
Самостоятельная сборка ГС даёт конкретные преимущества:
- Практические навыки. Анализ разноплановых схемотехнических решений (транзисторные схемы, операционные усилители, логические микросхемы) даёт углублённое понимание принципа работы ГС.
- Гибкость проектирования. Даёт многоплановый выбор оптимального решения из рассмотренных вариантов: несложные схемы на NE555 для начинающих, сложные DDS-синтезаторы для продвинутых пользователей или микроконтроллерные решения на Arduino для гибкой настройки.
- Экономическая целесообразность. Самостоятельная сборка позволит использовать доступные компоненты, оптимизировать затраты на материалы, избежать переплат за готовую продукцию.
- Образовательный эффект. Сборка включает отработку навыков пайки, практическое изучение схемотехники, освоение методов настройки и калибровки .
Собранный ГС можно использовать в следующих задачах:
- Тестирование электронных схем. Проверка работоспособности устройств при разнородных входных сигналах.
- Калибровка измерительной аппаратуры. Использование в качестве образцового источника сигналов для настройки осциллографов и частотомеров.
- Учебные лабораторные работы. Демонстрация принципов функционирования разнообразных электронных устройств.
- Проектирование новых устройств. Создание прототипов и отладка схем при разработке электроники.
- Исследовательская деятельность. Изучение характеристик электронных компонентов при разнотипных воздействиях.
Таким образом, самостоятельное изготовление ГС поможет глубже изучить основы электроники, приобрести практические навыки и расширить функциональность рабочего места.





















